Introducere in circuite electrice si electronice

< Exemple practice

3 Circuite de curent alternativ

3.1 Transformator – sursă de putere

3.1.1 Scopul experimentului

Comportamentul unui transformator coborâtor de tensiune; scopul şi utilizarea transformatoarelor cu priză mediană; conectarea corectă şi sigură a cablurilor de alimentare.

3.1.2 Materiale necesare

Veţi avea nevoie de un transformator cu priză mediană pe înfăşurarea secundară (220 V ca - 12 V ca), o regletă de borne cu cel puţin trei terminale, un prelungitor, un întrerupător. Opţional, o carcasă şi o siguranţă fuzibilă.

Transformatorul poate fi obţinut dintr-un radio vechi sau cumpărat ca atare. Dacă vă decideţi să folosiţi şi siguranţa fuzibilă, alegeţi una lentă. Transformatoarele necesită de obicei curenţi mari la conectarea iniţială la o sursă de curent alternativ. Aceşti curenţi tranzitorii vor topi o siguranţa rapidă. Determinaţi amperajul siguranţei fuzibile prin împărţirea puterii transformatorului (VA) la 220 V: cu alte cuvinte, calculaţi curentul maxim permis în înfăsurarea primară şi alegeţi o siguranţă fuzibilă corespunzătoare.

Circuitul final va arăta astfel:

05001.png

05002.png

3.1.3 Realizarea sursei de tensiune joasă

Atenţie, realizarea acestui experiment implică utilizarea unor tensiuni periculoase ! Asiguraţi-vă că toţi conductorii de tensiune înaltă (220 V) sunt izolaţi corespunzător. Nu trebuie să aveţi sub nicio formă conductori dezizolaţi pe partea cu primarul transformatorului. Lipiţi toate conexiunile pentru o siguranţă sporita. Folosiţi bandă izolatoare adevărată (nu scotch, bandă de împachetat sau orice altă variantă) pentru izolarea conexiunilor lipite.

Dacă doriţi introducerea întregului ansamblu într-o carcasă metalică, folosiţi o fişă cu trei contacte (alimentare plus împământare). Conectaţi împământarea direct pe carcasa metalică pentru o siguranţă sporită.

Înainte de introducerea fişei (ştecărului) în priză, verificaţi pentru siguranţă aparatul cu un ohmmetru. Cu întrerupătorul închis, măsuraţi rezistenţa dintre un contact al fişei şi carcasa metalică. Ar trebui să obţineţi o rezistenţă infinită (maximă). Dacă aparatul de măsură înregistrează continuitate (o rezistenţă oarecare, dar nu infinită), atunci există un scurt-circuit între unul dintre conductoarele de putere şi carcasă. Acest lucru este periculos şi trebuie evitat cu orice preţ!

Verificaţi apoi şi înfăşurările transformatorului pentru continuitate. Cu întrerupătorul închis, ar trebui să obţineţi o rezistenţă mică între cele două contacte ale fişei. Când întrerupătorul este oprit, rezistenţa ar trebui să crească spre infinit (circuit deschis - discontinuitate). Măsuraţi rezistenţa pe partea secundarului. Rezistenţa înfăşurării secundare trebuie să fie mult mai mică decât cea a primarului. De ce?

Introduceţi fişa într-o priză şi închideţi întrerupătorul. Veţi obţine la ieşire (pe partea secundarului) o tensiune de curent alternativ între perechile de terminale. Între două terminale, tensiunea va fi de 12 V. Între unul din aceste terminale şi celălalt terminal, tensiunea va fi jumătate, adică 6 V. Acest al treilea terminal reprezintă priza mediană pe secundarul transformatorului.

Păstraţi acest circuit asamblat, deoarece îl veţi folosi pentru alimentarea altor experimente prezentate de aici înainte. Sursa de tensiune astfel realizată va fi desemnată de acum înainte prin următoarea diagramă:

05008.png

3.2 Construirea unui transformator

3.2.1 Scopul experimentului

Construirea unui transformator electric este o ocazie foarte bună de a studia efectele electromagnetismului şi inducţia electromagnetică. Acest lucru îl vom realiza în cele ce urmează.

3.2.2 Materiale necesare

Veţi avea nevoie de bare plate din oţel, diferite şuruburi, piuliţie şi şaibe, conductor de cupru (pentru magnet/transformator) de 0,32 mm şi o sursă de alimentare în curent alternativ de mică putere. Conductorul de cupru pentru magnet/transformator este un conductor subţire izolat prin lăcuire. Puteţi folosi aproape orice diametre, dar cel de 0,32 mm este recomandat pentru simplul fapt că putem realiza multe înfăşurări într-un spaţiu relativ îngust. Transformatorul final va arăta aproximativ astfel:

05005.png

3.2.3 Realizarea transformatorului

Înfăşuraţi două bare de oţel de lungimi egale cu un strat subţire de bandă izolatoare. Aplicaţi câteva sute de înfăşurări de conductor de magnet în jurul acestor bare. Puteţi realiza aceste înfăşurări în număr egal sau inegal, în funcţie de transformatorul pe care doriţi să-l realizaţi. Este mai bine să începeţi cu un număr egal de înfăşurări. Puteţi experimenta apoi cu un număr inegal de înfăsurări.

Conectaţi aceste bare sub forma unui dreptunghi cu ajutorul altor două bare de oţel de lungimi mai mici. Folosiţi şuruburi şi piuliţe pentru prinderea lor. Este indicat să găuriţi barele înainte de aplicarea înfăşurărilor în jurul acestora.

Verificaţi dacă vreuna din înfăşurări este scurt-circuitată după ce aţi terminat de înfăşurările. Indicaţia unui ohmmetru conectat între capetele înfăşurărilor şi bara de fier ar trebui să fie înfinită (circuit deschis). Verificaţi de asemenea continuitate înfăşurărilor, prin conectarea ohmmetrului între capetele acestora, pentru a vă asigura că nu există întreruperi. Dacă oricare dintre aceste măsurători indică o problemă, va trebui să refaceţi înfăsurarea respectivă.

Alimentaţi transformatorul astfel realizat cu o tensiune joasă (conform sursei de tensiune realizate în secţiunea precedentă). Nu încercaţi alimentarea transformatorului direct de la priza de 220 V, deoarece înfăşurările realizate mai sus nu pot suporta o asemenea tensiune.

Măsuraţi tensiunea de ieşire a transformatorului (tensiunea secundarului) cu un voltmetru de curent alternativ. Conectaţi o sarcină (motor, bec, etc.) la înfăşurarea secundară şi remasuraţi tensiunea. Observaţi variaţia (descreşterea) tensiunii înfăşurării secundare pe măsură ce curentul creşte.

Desfaceţi sau îndepărtăti unul dintre şuruburi. Veţi creşte astfel reluctanţa (analog rezistenţei) circuitului magnetic ce face legătura între cele două înfăşurări. Observaţi efectul acestui lucru asupra tensiunii de ieşire la mers în gol (fără sarcină) şi sub sarcină.

În cazul în care aţi realizat transformatorul cu înfăşurări inegale, încercaţi să-l alimentaţi, pe rând, din ambele părţi (transformator coborâtor, respectic ridicător de tensiune) şi conectaţi diferite sarcini de ca pe înfăşurărea secundară.

3.3 Bobină variabilă

3.3.1 Scopul experimentului

Efectele permeabilităţii magnetice asupra inductanţei; cum poate fi controlat curentul de către reactanţa inductivă, într-un circuit electric de curent alternativ.

3.3.2 Materiale necesare

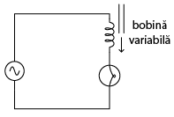
Pentru realizarea experimentului, veţi avea nevoie de un tub de hârtie/carton (de la un sul de şerveţele, de exemplu), o bară de fier sau oţel, cu un diametru suficient de mare pentru a umple tubul de carton; conductor de cupru pentru magnet/transformator de 0,32 mm; sursă de tensiune de c.a. şi un bec. Schema electrică realizată arată astfel:

05006.png

05007.png

3.3.3 Realizarea bobinei variabile

Luaţi conductorul de cupru şi realizaţi câteva sute de înfăşurări în jurul tubului de hârtie. Conectaţi această bobină în serie cu o sursă de tensiune joasă de curent alternativ şi un bec, formând un circuit. Când tubul este gol, intensitatea luminoasă a becului ar trebui să fie mare. Când introducem bara de oţel, intensitatea becului scade datorită creşterii inductanţei (L) şi, prin urmare, a creşterii reactanţei inductive (XL).

Ca şi variaţie a circuitului de mai sus, încercaţi să introduceţi diferite materiale în tubul de hârtie, precum cupru sau oţel inoxidabil, dacă aveţi la îndemână. Nu toate metalele vor avea acelaşi efect, datorită diferenţelor de permeabilitate magnetică.

3.4 Detector audio de semnale

3.4.1 Scopul experimentului

Scopul principal al circuitului realizat în acest experiment constă în detectarea semnalelor electrice extrem de mici. Vom vedea însă şi cum putem folos un transformator pentru adaptarea impedanţelor şi vom utiliza diode pentru „tăierea” tensiunii la un anumit nivel maxim.

Acest tip de detector poate fi folosit pentru echilibrarea punţilor de măsură, a circuitelor cu detector de nul şi pentru detectarea semnalelor de curent alternativ cu amplitudine mică şi în domeniul frecvenţelor audio. Acest echipament se poate dovedi extrem de folositor, mai ales pentru cei care au un buget mai restrâns şi nu-şi pot permite un osciloscop. Este de asemenea folositor în sensul în care ne permite utilizarea unui alt simţ pentru interpretarea comportamentului unui circuit.

3.4.2 Materiale necesare

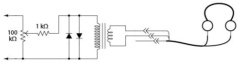
Veţi avea nevoie de o pereche de căşti de calitate, de tip închis; transformator coborâtor de tensiune de 6 V; două diode de redresare; un rezistor de 1 kΩ; un potenţimetru de 100 kΩ.

Cu cât sensibilitatea (dB) căştilor este mai mare, cu atât mai bine. În mod normal, transformatorul (de adaptare a impedanţelor) folosit în astfel de aplicaţii poartă numele de „transformator audio”. Intrarea, respectiv ieşirea înfăşurărilor, este specificată prin valori ale impedanţelor (1000 Ω: 8 Ω) în loc de tensiune. Puteţi folosi un astfel de transformator audio, sau puteţi folosi un transformator de putere (220 V/6 V). Circuitul realiza arată astfel:

05009.png

05010.png

3.4.3 Realizarea detectorului audio de semnale

Căştile, fiind cel mai probabil stereo, vor avea o fişă cu 3 contacte. Vom folosi doar două din cele trei puncte de contact în circuitul nostru. Există două posibilităţi de conectare în acest caz, fie în serie, fie în paralel. Aparent însă, cele mai bune rezultate se obţin folosind conexiunea serie:

05011.png

Lipiţi cu mare grijă toate conexiunile. Acest detector este extrem de sensibil. Orice conexiuni proaste existente în circuit vor genera zgomote adiţionale nedorite, peste semnalul de tensiune măsurat. Cele două diode conectate în paralel cu primarul transformatorului, împreună cu rezistorul de 1 kΩ, „taie” semnalul de intrare (tensiune) ce depăşeşte 0,7 V. Acest lucru are doar un singur scop: limitarea volumului căştilor audio. Sistemul poate funcţiona foarte bine şi fără aceste diode. Atenţie însă, în acest caz nu va există practic nicio limită a volumului existent în circuit. Simpla conectare a celor două sonde de test la bornele unei baterii (de exemplu) poate produse un sunet asurzitor!

3.4.4 Utilizarea detectorului audio

Pentru conectarea dispozitivului realizat mai sus la o sursă de tensiune mai mare de 1 V, va trebui să atenuăm sensibilitatea extrem de mare a acestuia. Acest lucru se poate realiza prin conectarea unui divizor de tensiune la intrarea circuitului:

05012.png 05014.png

Atunci când probaţi un semnal de tensiune cu o amplitudine necunoscută, ajustaţi potenţiometrul divizor de tensiune de 100 kΩ aproximativ la jumătate scalei. Dacă sunetul este prea puternic, reajustaţi potenţiometrul (măriţi rezistenţa) şi reîncercaţi. Dacă sunetul este prea slab, descreşteţi rezistenţa potenţiometrului. Acest detector poate fi folosit chiar şi pentru detectarea semnalelor de curent continuu şi a celor ce se află în bandă de frecvenţa radio (semnale sub şi peste domeniul audio). În acest caz, veţi auzi un „click” la conectarea sau deconectarea sondelor de test la sursa de semnal. Practic, cu un astfel de circuit, puteti detecta curenţi de sub 0,1 µA (c.c.) şi semnale de radiofrecvenţa de până la 2 MHz.

Pentru a încerca dispozitivul şi a vă convinge de utilitatea lui, puteţi să aduceţi ambele sonde în contact cu vârful limbii, setând sensibilitatea la maxim. Tensiunea produsă de contactul metal-electrolit (cunoscută sub numele de tensiune galvanică) este foarte mică, dar suficientă pentru a produce „click”-uri ori de câte ori atingeţi sau îndepărtăţi sondele de pe limbă.

La fel ca în cazul sursei de tensiune, puteţi introduce întreg circuitul într-o carcasă pentru a putea fi folosit în viitor. Prin urmare, rezultatul final ar putea arăta astfel:

05013.png

3.5 Detectarea câpurilor magnetice

3.5.1 Scopul experimentului

Efectele inducţiei electromagnetice şi tehnici de ecranare electromagnetică.

3.5.2 Materiale necesare

Vom avea nevoie de un detector audio cu căşti şi o bobină de electromagnet. O bobină luată de la un releu electromagnetic sau de la un solenoid (bobină cilindrică fără miez magnetic) este perfectă pentru această aplicaţie. Circuitul realizat arată astfel:

05015.png

05016.png

3.5.3 Utilizarea detectorului de câpuri electromagnetice

Practic, circuitul a fost deja realizat în secţiunea precentă, şi constă în simpla conectare a unei bobina la ieşirea acestuia (sondele de test). Prin urmare, vom trece direct la explicarea modului de utilizare a unui astfel de detector.

Folosim şi în acest caz detectorul audio pentru detectarea tensiunilor de curent alternativ pentru frecvenţe audio, detector explicat în secţiunea precedentă. Folosim de asemena o bobină pentru a detecta câpurile magnetice de curent alternativ. Tensiunile produse de bobină vor fi destul de mici. Ajustaţi prin urmare sensibilitatea aparatului la maxim.

Există multe surse de câmpuri magnetice la dispoziţie. De exemplu, aduceţi bobina în apropierea ecranului unui televizor sau a tabloului de siguranţe. Orientarea bobinei este la fel de importantă precum distanţa dintre aceasta şi sura câmpurilor magnetice. Încercaţi să descoperiţi acest lucru singuri! Dacă doriţi sunete mai interesante, aduceţi bobina în aproierea plăcii de bază a calculatorului vostru, sau în apropierea hard-disk-ului în timp ce copiaţi ceva. Încercaţi să nu atingeţi însă nicio parte a plăcii de bază, în timp ce calculatorul este în funcţiune, cu oricare dintre părţile metalice expuse ale bobinei de detectare.

O sursă foarte puternică de câmpuri magnetice este transformatorul realizat într-una din secţiunile precedente. O altă sursă o reprezintă circuitul cu bobină variabilă şi bec, prezentate de asemenea într-una din secţiunile precedente.

3.5.4 Ecranarea bobinelor

Puteţi observa din aceste experimente că nu este necesar contactul fizic dintre bobina de detectare şi sursa câmpului magnetic: câpurile magnetice există în spaţiul din jurul surselor ce le emit.

Puteţi încerca de asemenea să ecranaţi bobina faţă de o sursă puternică de câmpuri magnetice folosind diferite materiale. Încercaţi folie de aluminiu, hârtie, oţel, plastic, sau orice alte materiale ce le aveţi la dispoziţie. Care din materialele încercate dau cele mai bune rezultate? (cel mai bun rezultat înseamnă cel mai mic zgomot înregistrat cu ajutorul căştilor). De ce? Care unghiuri (orientări) ale bobine minimizează cuplajul magnetic? (detectarea minimă a semnalului). Ce ne spune acest rezultat legat de poziţionarea bobinelor atunci când interferanţa dintre circuite nu este dorită?

3.6 Detectarea câmpurilor electrice

3.6.1 Scopul experimentului

Efectele cuplajului capacitiv (electrostatic) şi tehnici de ecranare electrostatică.

3.6.2 Materiale necesare

Detector audio cu căşti. Circuitul realizat arată astfel:

05017.png

05018.png

3.6.3 Utilizarea detectorului de câmpuri electrice

Conectaţi una dintre sondele detectorului la un obiect metalic ce se află în contact cu pământul. Aproape orice ţeavă de apă din casă este bună pentru acest lucru. Luaţi cealaltă sondă şi apropiaţi-o de un aparat electrocasnic. Atenţie, nu încercaţi să realizaţi contactul dintre această sondă şi aparatul electrocasnic sau cu orice conductori din interiorul acestuia! Dacă auziţi un bâzâit în căşţi, veţi sţii că în acea zonă se află un câmp electric.

Ţineţi conductorul de detectare în apropierea unei surse puternice de câmp electric şi încercaţi diferite poziţii ale acestuia. Folositi o bucaţică de aluminiu ataşată la capătul conductorului pentru maximizarea capacităţii, şi prin urmare, a abilităţii acestuia de interceptare a câpurilor electrice.

Folosiţi apoi diferite materiele pentru ecranarea conductorului faţă de o sursă de câmp electric. Ce materiale dau cele mai bune rezultate? Cum se compară acest lucru cu experimentul precedent (detectarea câmpurilor magnetice)?

3.7 Circuit de detectare a defazajului

3.7.1 Scopul experimentului

Exemplificarea faptului că însumarea tensiunilor de curent alternativ nu se realizează algebric, ci vectorial (fazorial).

3.7.2 Materiale necesare

Veţi avea nevoie de o sursă de tensiune de ca, doi condensatori de 0,1 µF fiecare, nepolarizaţi şi două rezistenţe de 27 kΩ. Este indicat să folosiţi condensatori ceramici sub formă de disc, întrucât nu sunt sensibili la polaritatea tensiuni (nepolarizaţi), sunt ieftini şi durabil. Evitaţi condensatorii marcaţi cu orice tip de polaritate, întrucât aceştia se vor distruge dacă îi alimentaţi în curent alternativ. p>