Introducere in circuite electrice si electronice

< Electronică Analogică

4 Tranzistorul

4.1 Introducere

Un tranzistor bipolar cu joncţiune (BJT) este alcătuit din trei straturi de materiale semiconductoare, fie de tipul PNP, fie de tipul NPN. Fiecare strat are un nume specific şi un contact pentru conexiunea la circuit:

03071.png

Diferenţa funcţională dintre tranzistorul PNP şi NPN, este modul de polarizare corectă a joncţiunii. Indiferent de starea în care se află, direcţiile curenţilor şi polarităţile tensiunii sunt exact invers la cele două tipuri de tranzistoare.

Tranzistorii sunt regulatori de curent controlaţi în curent. Cu alte cuvinte, tranzistorii limitează valoarea curentului prin ei cu ajutorul unui curent de control mai mic. Curentul principal, cel controlat, pleacă dinspre emitor spre colector (tipul NPN), iar curentul mai mic de control, pleacă dinspre emitor spre bază (tipul NPN). Pentru tranzistorul de tip PNP, direcţia curenţilor este exact inversă. Atenţie, folosim sensul real de deplasare al electronilor, prin urmare, săgeţile indicate pe simbolurile elementelor semiconductoare vor indicat tot timpul împotriva direcţiei de deplasare al electronilor.

03073.png

Denumirea tranzistoarelor bipolare vine de la faptul că deplasarea electronilor prin ele are loc prin două tipuri de material semiconductor: P şi N. Cu alte cuvinte, există două tipuri de purtători de sarcină, electroni şi goluri.

După cum se poate observa, curentul de control şi curentul controlat se însumează tot timpul pe emitor, iar deplasarea electronilor are loc tot timpul împotriva direcţiei săgeţii. Aceasta este prima şi cea mai importantă regulă a tranzistoarelor: toţi curenţii trebuie să meargă în direcţiile corecte pentru ca dispozitivul să funcţioneze ca şi regulator de curent. De obicei, curentul de control este denumit curent de bază, iar curentul controlat este denumit curent de colector, deoarece sunt singurii curenţii ce trec pe la aceste terminale. Curentul pe emitor este suma curenţilor de bază şi colector, în conformitatea cu legea lui Kirchhoff pentru curent.

Atunci când nu există niciun curent prin bază, tranzistorul se comportă precum un întrerupător deschis, iar trecerea curentului prin colector nu este posibilă. Un curent de bază porneşte tranzistorul, acesta comportându-se precum un întrerupător închis şi permiţând trecerea unui curent proporţional prin colector. Curentul de colector este limitat de curentul bazei, indiferent de valoarea căderii de tensiune pe colector.

4.2 Tranzistorul pe post de întrerupător

Doarece curentul colectorului tranzistorului este limitat proporţional de curentul bazei, acesta poate fi folosit pe poste întrerupător controlat în curent. O cantitate relativ mică de electroni, prin bază, poate exercita un control asupra unei cantităţi mult mai mari de electroni prin colector.

Să presupunem că avem o lampă pe care vrei să o pornim/oprim cu ajutorul unui întrerupător (figura de mai jos (a)):

03075.png

Pentru exemplificare, să inserăm acum un tranzistor (b) în locul întrerupătorului mecanic de la punctul (a). Ţineţi minte, curentul controlat trebuie să treacă prin tranzistor de la colector spre emitor. Din moment ce curentul controlat este cel prin lampă, trebuie să poziţionăm colectorul şi emitorul tranzistorului în locul contactelor întrerupătorului (a). Trebuie de asemenea să ne asigurăm că direcţia curentului prin tranzistor este împotriva săgeţii emitorului, pentru a ne asigura că joncţiunea tranzistorului este polarizată corect (direct).

Putem de asemenea să folosim şi un tranzistor PNP pentru realizarea acestui circuit (figura de mai sus(c)). Alegerea făcută între PNP şi NPN este complet arbitrară, deşi, pentru exemplificarea funcţionării tranzistoarelor, vom folosi în continuare cele de tipul NPN.

Întorcându-ne la exemplu cu tranzistorul NPN (b), ne găsim în situaţia în care mai trebuie să adăugăm ceva în circuit pentru a avea un curent de bază prin tranzistor. Fără o conexiune la terminalul bazei, curentul prin aceasta va fi zero, iar tranzistorul va fi închis, ceea ce înseamnă că lampa va fi tot timpul oprită. Ţineţi minte, că pentru un tranzistor NPN, direcţia curentului de bază trebuie să fie dinspre emitor spre bază (împotriva direcţiei săgeţii). Probabil că cel mai simplu lucru ar fi să conectăm un întrerupător între baza şi colector, precum în figura de mai jos (a):

03078.png

Dacă întrerupătorul este deschis (a), baza tranzistorului nu va fi conectată la baterie şi nu va exista niciun curent prin ea. În această situaţie, spune că tranzistorul este blocat. Dacă întrerupătorul este închis (b), va exista un curent dinspre emitor spre bază, prin întrerupător şi prin lampă (partea stângă) înapoi la terminalul pozitiv al bateriei. Acest curent de bază va permite trecerea unui curent mult mai mare dinspre emitor spre colector, iar lampa se va aprinde. În această situaţie, în care curentul prin circuit este maxim, spunem că tranzistorul este saturat.

Putem însă folosi ceva total diferit pentru a controla lampa (pornit/oprit). De exemplu, putem folosi o pereche de celule solare pentru generarea unei tensiuni de 1 V, pentru depăşirea tensiunii directe de 0.7 V (VBE) între bază şi emitor, tensiune necesară pentru apariţia curentului de bază şi pornirea tranzistorului.

03079.png

Sau putem folosi mai multe termocuple conectate în serie pentru generarea curentului bazei necesar pornirii tranzistorului:

03080.png

Putem folosi chiar şi un microfon, care cu o tensiune şi un curent (printr-un aplificator) suficient de mari, ar putea pune tranzistorul în funcţiune. Desigur, ieşirea microfonului va trebui redresată din curent alternativ în curent continuu, pentru ca joncţiunea emitor-bază să fie tot timpul polarizată direct:

03081.png

Ceea ce vrem să demonstrăm, este că orice sursă de tensiune în curent continuu, capabilă să pornească tranzistorul, poate fi folosită pentru controlul lămpii, iar puterea acestei surse de tensiune trebuie să fie doar o fracţiune din puterea circuitului controlat. Tranzistorul în acest caz nu se comportă doar ca un întrerupător, ci şi ca un amplificator: folosind un semnal de putere relativ mică pentru controlul unui semnal de putere relativ mare. Atenţie, puterea necesară aprinderii lămpii este furnizată de bateria din circuitul principal, şi nu de celula solară, termocuplă sau microfon. Acestea din urmă doar controlează puterea bateriei pentru aprinderea lămpii.

4.3 Verificarea tranzistorului cu ohmmetrul

Tranzistorii se comportă precum două diode puse spate-în-spate atunci când sunt verificaţi cu ajutorul multimetrului pe post de ohmmetru sau cu funcţie „verificare diodă”, datorită celor trei straturi PNP sau NPN. Tranzistorul de mai jos este de tip PNP; sonda neagră este terminalul negativ (-) iar cea roşie corespunde terminalului pozitiv (+)

03077.png

Dacă multimetrul este echipat cu funcţia „verificare diodă”, putem folosi acea funcţie pentru aflarea tensiunii de polarizare directă a joncţiunii P-N. În cazul unui tranzistor NPN, indicaţia aparatului de măsură va fi exact invers.

Determinarea tipului şi contactelor unui tranzistor bipolar nemarcat

Dacă folosim funcţia „verificare diodă”, vom vedea că joncţiunea emitor-bază are o tensiune directă mai mare decât joncţiunea colector-bază. Această diferenţa a tensiunii directe se datorează diferenţei concentraţiilor de dopaj dintre regiunile emitorului şi colectorului: emitorul este un material semiconductor dopat mult mai puternic decât colectorul, ceea ce duce la producerea unei tensiuni directe mult mai mari a joncţiunii cu baza.

Cunoscând acest lucru, putem determina contactele unui tranzistor nemarcat. Acest lucru este important deoarece nu există un standar cu privire la modul de împachetare al tranzistorilor. Desigur, toţi tranzistorii bipolari au trei contacte, dar poziţie lor fizică în cadrul tranzistorului poate fi diferită de la un producător la altul.

Să presupunem că luăm un tranzistor la întâmplare, nemarcat, şi începem să măsurăm cu ajutorul multimetrului setat pe funcţie „verificare diodă”. După măsurarea tuturor combinaţiilor de contacte, ajungem la următoarele rezultate:

03084.png

între punctele 1(+) şi 2(-): OL

între punctele 1(-) şi 2(+): OL

între punctele 1(+) şi 3(-): 0.655 V

între punctele 1(-) şi 3(+): OL

între punctele 2(+) şi 3(-): 0.621 V

între punctele 2(-) şi 3(+): OL

Singurele combinaţii de contacte pe care putem măsura tensiunea sunt 1 şi 3 (sonda roşie pe 1 şi sonda neagră pe 3), şi 2 şi 3 (sonda roşie pe 2 şi sonda neagră pe 3). Aceste două citiri trebuie să indice tensiunea de polarizare directă a joncţiunii emitor-bază (0.655 V) şi a joncţiunii colector-bază (0.621).

Putem acum căuta contactul comun ambelor seturi de măsurători „conductive”. Acest contact trebuie să fie baza tranzistorului, deoarece acesta este singurul strat, al dispozitivului format din trei straturi, ce este comun ambelor seturi de joncţiuni PN (emitor-bază şi colector-bază). În acest exemplu, contactul căutat este numărul 3, fiind comun combinaţiilor 1-3 şi 2-3. În ambele măsurători, sonda neagră (-) a aparatului de măsură a venit în contact cu contactul 3, ceea ce ne spune că baza acestui tranzistor este realizată dintr-un material semiconductor de tip N. Prin urmare, tranzistorul în cauză este un tranzistor bipolar de tip PNP, cu baza - contactul 3, emitor - contactul 1 şi colector - contactul 2.

03085.png

După cum putem observa, baza tranzistorului în acest caz nu este contactul din mijloc al tranzistorului, aşa cum ne-am aştepta. Acest lucru se întâmplă foarte des în practică. Singura modalitate prin care ne putem asigura de corectitudinea contactelor este prin verificarea cu ajutorului unui multimetru, sau cu ajutorul catalogului producătorului.

Determinarea integrităţii unui tranzistor

Ştiind faptul că un tranzistor se comportă precum două diode aşezate spate-în-spate la testarea conductivităţii cu un aparat de măsură, dacă în urma măsurătorilor descoperim că există continuitate în mai mult sau mai puţine de două dintre cele şase combinaţii de contate, putem spune cu singuranţă că tranzistorul este defect, sau ca dispozitivul aflat sub inspecţie nu este un tranzistor şi un cu totul alt dispozitiv!.

Modul de funcţionare al tranzistorului

Totuşi, modelul „celor două diode” nu poate explica funcţionarea tranzistorului ca şi dispozitiv de amplifcare a semnalului.

Pentru ilustrarea acestui paradox, putem examina următorul circuit, folosind diagrama fizică a tranzistorului pentru uşurarea explicaţiilor:

03086.png

Săgeatea diagonală gri are direcţia deplasării electronilor prin joncţiunea emitor-bază. Acest lucru este clar, din moment ce electroni se deplasează dinspre emitorul de tip N spre baza de tip N: joncţiunea este polarizată direct. Totuşi, joncţiunea bază-colector se comportă mai ciudat. Săgeata îngroşată vericală indică direcţia de deplasare a electronilor dinspre bază spre colector. Din moment ce baza este realizată dintr-un material de tip P iar colectorul dintr-un semiconductor de tip N, direcţia de deplasare a electronilor este inversă faţă de direcţia normală de deplasare printr-o joncţiune P-N! În mod normal, o joncţiune P-N nu ar permite deplasarea inversă a electronilor, cel puţin nu fără a oferi o opoziţie extrem de mare. Totuşi, un tranzistor saturat prezintă o opoziţie foarte mică faţă de deplasarea electronilor de la emitor la colector, lucru demonstrat şi prin faptul că lampa este aprinsă!

Prin urmare, modelul celor două diode puse spate-în-spate poate fi folosit doar pentru înţelegerea modului de verificare al tranzistorilor cu ajutorul aparatului de măsură, nu şi pentru înţelegerea funcţionării acestora în circuitele practice.

03087.png

4.4 Zona activă de funcţionare a tranzistorului

Când baza nu este polarizată, şi prin urmare nu există curent între emitor şi colector, spunem că tranzistorul este blocat. Invers, când între emitor şi colector trece cantitatea maximă de curent permisă de colector şi de sursa de putere, spunem că tranzistorul este saturat. Dar, în cazul în care curentul controlat este mai mare decât zero dar este sub valoarea maximă admisă de sursă şi de circuit, tranzistorul va funcţiona între zonele de blocare şi saturare; în acest caz, spune că tranzistorul funcţionează în zona activă.

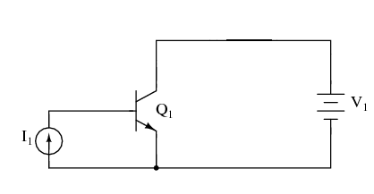
Să considerăm următorul circuit teoretic:

03088.png

Circuitul este format dintr-un tranzistor (Q1) de tip NPN, alimentat de o baterie (V1) şi controlat printr-o sursă de curent (I1). Sursa de curent va genera un curent fix, generând o tensiune mai mică sau mai mare pentru asigurarea acestui curent prin ea.

În această simulare, vom seta valoarea sursei de curent la 20 µA şi vom varia tensiunea sursei (V1) între 0 V şi 2 V; vom observa apoi curentul ce trece prin sursă.

23000.png

Un curent de bază constant de 20 µA controlează un curent maxim de 2 mA prin colector, de exact 100 de ori mai mare. Pentru această valoare a curentului de baza, curentul prin colector nu poate creşte mai mult. Putem observa de pe grafic că forma curbei este plată în afară de prima porţiune, porţiune unde tensiunea bateriei (V1) creşte de la 0 V la 0.25 V. În acest interval, curentul prin colector creşte rapid de la 0 A la 2 mA.

Să observăm ce se întâmplă dacă lărgim plaja valorilor de tensiune a bateriei, de la intervalul 0 - 2 V, la intervalul 0 - 50 V, menţinând un curent de bază constant de 20 µA:

23001.png

După cum era de aşteptat, rezultatul este acelaşi. Curentul prin colector nu poate trece de 2 mA (de exact 100 de ori valoarea curentului bazei!), cu toate că tensiunea bateriei (V1) variază de la 0 V până la 50 V. Putem trage concluzia că tensiunea dintre colector şi emitor nu are niciun efect asupra curentului din colector, decât la valori foarte mici (puţin peste 0 volţi). Peste această tensiune „critică”, valoarea tensiunii nu mai are nicio importanţă pentru valoarea curentului colectorului. Tranzistorul se comportă în acest caz precum un regulator de curent, permiţând un curent de exact 2 mA prin colector, şi nu mai mult.

Urmarea evidentă este creşterea curentului bazei, de la 20 µA la 75 µA, menţinând tensiunea bateriei în intervalul 0 - 50 V:

23002.png

Pentru curentul maxim de bază, 75 µA, curentul prin colector este (din nou) de 100 de ori mai mare, 7.5 mA şi din nou curba curent-tensiune este plată, cu excepţia primei părti. Putem trage concluzia că factorul decisiv ce contribuie la valoarea curentului prin colector este curentul bazei, tensiunea bateriei (V1) fiind irelevantă atâta timp cât se situează peste o anumită valoare minimă.

4.4.1 Curbele caracteristice

Această relaţie dintre curent şi tensiune este fundamental diferită faţă de relaţia curent-tensiune a rezistorului. În cazul rezistorului, curentul creşte liniar pe măsură ce căderea de tensiune la bornele sale creşte. În cazul tranzistorului, curentul dinspre emitor spre colector are o valoare limită fixă, valoare peste care nu poate creşte, indiferent de căderea de tensiune dintre emitor şi colector.

O reprezentare a tuturor acestor curbe (variaţii) curent-tensiune pe un singur grafic, pentru un anumit tranzistor, poartă numele de curbe caracteristice:

03089.png

Trebuie înţeles faptul foarte important, că în graficul de mai sus, avem trei variabile: tensiunea colector emitor (Ecolector-emitor), curentul de la emitor la colector (Icolector) şi curentul bazei (Ibază). Pentru fiecare variaţie a curentului de bază, de la 5 µA la 20 µA la 40 până la 75 µA, vom avea o altă curbă caracteristică, şi practic, pot exista o infinitate de curbe între aceste valori.

4.4.2 Factorul beta (factorul de amplificare în curent)

Din moment ce tranzistorul se comportă precum un regulator de curent, limitând curentu colectorului printr-o proporţie fixă faţă de curentul bazei, putem exprima această caracteristică standar a tranzistoarelor printr-un raport, cunoscut sub numele de factor beta sau factor de amplificare în curent, şi simbolizat prin litera grecească β, sau prin hfe:

13016.png

Factorul β al oricărui tranzistor este determinat de modul său de fabricare, şi este o mărime ce nu poate fi modificată după confecţionarea acestuia. Este foarte greu să găsim doi tranzistori, de acelaşi tip, care să posedă un factor beta identic, datorită variabilelor fizice ce afectează valoarea acestuia. Dacă vrem să construim un circuit în care avem nevoie de tranzistori cu β egali, aceştia se pot cumpăra în seturi, la un preţ mai mare. Dar, construirea unor circuite electronice cu asfel de dependinţe nu este indicată.

β nu rămâne constant pentru toate condiţiile de operare. Pentru un tranzistor fizic, raportul beta poate varia cu un factor mai mare decât trei între limitele curentului de operare. De exemplu, un tranzistor marcat cu β = 50, poate în realitate să prezinte un raport Ic / Ib de 30 sau chiar de 100, în funcţie de valoarea curentului prin colector, temperatura tranzistorului, frecvenţa semnalului amplificat, plus alte variabile. Deşi teoretic vom considera β ca fiind constant pentru oricare tranzistor, în realitate acest lucru nu este valabil!

4.4.3 Modelul diodă-potenţiometru al tranzistorului

Pentru a înţelege mai uşor modul de funcţionare al tranzistorului, putem considera următorul model teoretic:

03090.png

Conform acestui model, tranzistorul este o combinaţie dintre o diodă şi un potenţiometru. Curentul prin dioda bază-emitor controlează rezistenţa potenţiometrului colector-emitor, lucru evidenţiat prin linia întreruptă dintre cele două componente, ceea ce duce la controlul curentului prin colector. Tranzistorul de sus este de tipul NPN. Tranzistorul de tipul PNP, va avea dioda bază-emitor inversată.

4.4.4 Modelul diodă-sursă-de-curent al tranzistorului

Un model mult mai precis însă, este cel din figura de mai jos:

03090.png

Conform acestui model, tranzistorul este o combinaţie dintre o diodă şi o sursă de curent, ieşirea sursei de curen fiind un multiplu (raportul beta) al curentului de bază. Acest model descrie mult mai precis caracteristica intrare/ieşire al tranzistorului: curentul de bază stabileşte o un anumit curent în colector, şi nu o anumită rezistenţă colector-emitor, precum în cazul precedent. Din păcate, folosirea unei surse de curent îi poate duce pe cei mai ne-experimentaţi în eroare; un tranzistor nu este în niciun caz o sursă de energie electrică, dar pe model, faptul că sursa de energie este externă tranzistorului, nu este aparentă.

4.5 Amplificator cu tranzistor în conexiune emitor comun

Să reluăm exemplu studiat în secţiunile precedente, unde tranzistorul a fost folosit pe post de întrerupător:

03079.png

Această configuraţie poartă numele de conexiune emitor comun datorită faptului că, ignorând bateria de alimentare, atât pentru sursa de semnal (celula solară) cât şi pentru sarcină, contactul emitorului reprezintă un punct comun celor două.

03102.png

În exemplele precedente, am considerat că tranzistorul funcţionează saturat (la capacitate maximă). Cunoscând faptul că, curentul prin colector poate varia în funcţie de curentul bazei, putem controla luminozitatea lămpii din acest circuit în funcţie de expunerea celulei solare la lumină. Când intensitatea luminoasă ce cade pe celula solară este minimă, lampa va lumina foarte slab. Pe măsură ce intensitatea luminoasă ce cade pe celula solară creşte, va creşte şi intensitatea luminoasă a lămpii.

Să presupunem acum că am dori să măsurăm intensitatea luminoasă cu ajutorul celulei solare. Vrem să măsurăm de fapt intensitatea razei incidente pe celula solară folosind curentul său de ieşire conectat la un instrument de măsură (ampermetru). Una dintre soluţii ar consta în conectarea ampermetrului direct la celula solară:

03093.png

Cu toate că această metodă funcţionează pentru măsurători moderate al intensităţilor, ea nu poate fi folosită atunci când intensitatea luminoasă scade sub o anumită valoare, datorită faptului că celula solară trebuie să alimenteze şi ampermetrul iar precizia sistemului scade foarte mult în acest caz. Să presupunem în continuare că în exemplul de mai sus, suntem interesaţi de măsurători extrem de scăzute ale intensităţilor luminoase. În acest caz, trebuie să căutăm o altă soluţie.

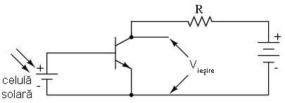
Soluţia cea mai la îndemână este utilizarea unui tranzistor pentru amplificarea curentului generat de celula solară. Acest lucru înseamnă că va exista o cantitate mult mai mare de curent disponibilă pentru deviaţia acului indicator al aparatului de măsură, pentru o valoare mult mai mică a curentului generat de celula solară.

03094.png

De această dată, curentul prin circuit (şi prin aparatul de măsură) va fi de β ori mai mare decât curentul prin celula solară. Pentru un tranzistor cu β = 100, aceast lucru reprezintă o creştere substanţială a preciziei măsurătorii. Atenţie însă, puterea adiţională necesară funcţionării aparatului de măsură este „colectată” de la bateria din dreapta, nu de către celula solară. Tot ceea ce realizează celula solară este controlul curentului bateriei pentru furnizarea unei puteri mai mari necesară funcţionării aparatului de măsură, puterea ce nu ar fi putut fi generată de către celula solară însăşi.

Deoarece tranzistorul este un dispozitiv de regulare a curentului, iar indicaţia aparatului de măsură depinde doar de curentul ce trece prin bobina acestuia, indicaţia aparatului de măsură va depinde doar de celula solară şi nu de valoarea tensiunii generată de baterie. Acest lucru înseamnă că acurateţea măsurătorii realizată de acest circuit va fi independentă de condiţiile bateriei, un lucru extrem de important! Tot ceea ce trebuie bateria să facă, este să genereze o anumită tensiune minimă şi un curent suficient pentru funcţionarea ampermetrului.

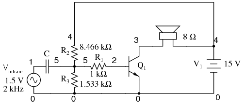
Configuraţia emitor comun mai poate fi folosită şi pentru producerea unei tensiuni dependente de semnalul de intrare, în loc de curent. Să înlocuim aşadar aparatul de măsură cu un rezistor şi să măsurăm tensiunea dintre colector şi emitor:

03095.png

Când intensitatea luminoasă pe celula solară este zero, tranzistorul va fi blocat şi se va comporta precum un întrerupător deschis între colector şi emitor. Acest lucru va duce la apariţia unei căderi de tensiune maxime între colector şi emitor, Vieşire, tensiune egală cu tensiunea de la bornele bateriei.

Când intensitatea luminoasă pe celula solară este maximă, celula solară va duce tranzistorul în zona de saturaţie; acesta se va comporta precum un întrerupător închis între colector şi emitor. Rezultatul va fi o cădere de tensiune minime între colector şi emitor. Totuşi, această tensiune de saturaţie dintre colector şi emitor este destul de mică, câteva zecimi de volţi, în funcţie de tranzistorul folosit.

Pentru intensităţi luminoase ce se găsesc între aceste valori (minim/maxim), tranzistorul va funcţiona în zona activă, iar tensiunea de ieşire va fi undeva între zero volţi şi tensiunea bateriei. De menţionat că tensiunea de ieşire a tranzistorului în configuraţie emitor comun este invers proporţională cu intensitatea semnalului de intrar. Cu alte cuvinte, tensiunea de ieşire scade cu creşterea semnalului de intrare. Din acest motiv, amplificatorul (cu tranzistor) în configuraţie emitor comun poartă numele de amplificator inversor.

Să considerăm circuitul:

03096.png

Graficul variaţiei tensiune-curent arată asfel (căderea de tensiune dintre colector şi emitor şi curentul bazei):

23003.png

La începutul simulării, curentul generat de sursă (celula solară) este zero, tranzistorul este blocat iar căderea de tensiune între colector şi emitor este maximă, şi anume 15 V, tensiunea bateriei. Pe măsură ce curentul generat de celula solară începe să crească, tensiunea de ieşire începe să scadă proportional, până când tranzistorul intră în starea de saturaţie la curentul de bază de 30 µA. Putem observa foarte clar de pe grafic că variaţia tensiunii este perfect liniară, până în momentul saturării, unde nu atinge de fapt niciodată valoarea zero. Un tranzistor saturat nu poate atinge niciodată o cădere de tensiune de exact 0 volţi între colector şi emitor datorită efectelor joncţiunii sale interne.

4.5.1 Amplificarea semnalelor alternative

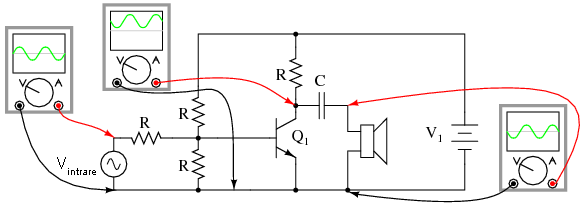
Adesea avem nevoie însă de un amplificator în curent alternativ. O aplicaţia practică este utilizarea acestui tip de amplicare în sistemele audio. Să reluăm circuitul cu microfon (figura de mai jos), dar să încercăm de data aceasta să-l modificăm asfel încât să alimenteze un difuzor în loc de lampă.

03081.png

În circuitul original (cel de sus), am folosit o punte redresoare pentru transformarea semnalului de curent alternativ al microfonului în tensiune de curent continuu pentru polarizarea bazei tranzistorului. În acel caz ne-a interesat doar să pornim lampa cu un semnal venit din partea microfonului, iar această configuraţie şi-a îndeplinit scopul. De data aceasta însă, vrem să reproducem un semnal de curent alternatv pe difuzor. Acest lucru înseamnă ca nu mai putem redresa semnalul de ieşire al microfonul, deoarece avem nevoie de semnalul de curent alternativ nedistorsionat la intrarea tranzistorului. Să îndepărtăm aşadar puntea redresoare din circuit şi să înlocuim lampa cu un difuzor:

03097.png

Fiindcă microfonul poate produce tensiuni mai mari decât tensiunea de polarizare directă a joncţiunii bază-emitor, vom conecta şi un rezistor în serie cu microfonul. Circuitul practic pe care îl vom analiza arată asfel:

03098.png

Graficul variaţiei tensiune-curent, tensiunea de alimentare, V1 (1,5 V, f = 2.000 Hz) cu roşu, curentul prin difuzor (mai mare de 10 ori pe grafic decât curentul real, pentru observarea mai clară a acestuia), cu albastru, este prezentat mai jos:

23004.png

Curentul prin difuzor este acelaşi cu cel prin baterie. Putem vedea că semnalul de tensiune de intrare este un semnal sinusoidal cu semiperioda pozitivă şi negativă, iar semnalul de curent de ieşire pulsează doar într-o singură direcţie (semiperioda negativă). Sunetul reprodus de difuzor în acest caz va fi extrem de distorsionat.

Ce s-a întâmplat cu circuitul în acest caz? De ce nu reproduce în totalitate semnalul de tensiune în curent alternativ de la intrare? Să revenim la modelul diodă-sursă-de-curent al tranzistorului pentru a încerca elucidarea problemei:

03091.png

Curentul pron colector este regular, sau controlat, printr-un mecanism de curent constant ce depinde de curentul prin dioda bază-emitor. Observaţi că ambele direcţii ale curentului sunt uni-direcţionale! În ciuda faptului că se încearcă o amplificare de semnal în curent alternativ, acesta este de fapt un dispozitiv de curent continuu, fiind capabil să conducă curenţi doar într-o siungură direcţie. Chiar dacă aplicăm o tensiune alternativă între bază şi emitor, electronii nu se pot deplasa prin circuit în semi-perioada negativă a semnalului ce polarizează invers joncţiunea bază-emitor (dioda). Prin urmare, tranzistorul va fi blocat în acea porţiune a perioadei, şi va intra în conducţie doar când polaritatea tensiunii de intrare este corectă, asfel încât să polarizeze direct dioda bază-emitor, şi doar dacă acea tensiune este suficient de mare pentru a depăşi tensiune de polarizare directă a diodei. Reţineţi, tranzistorii sunt dispozitive controlate în curent: aceştia controlează curentul prin colector în funcţie de existenţa curentului între bază şi emitor (curentul de bază), şi nu în funcţie de tensiunea bază-emitor.

Singura modalitate prin care tranzistorul poate reproduce întreaga formă de undă pe difuzor, este menţinerea acestuia în zona activă pe întreaga perioadă a undei, adică, trebuie să menţinem un curent prin bază în toată această perioadă. Prin urmare, joncţiunea bază-emitor trebuie polarizată direct tot timpul. Din fericire, acest lucru se poate realiza prin conectarea unei surse de curent continuu în serie cu semnalul de intrare:

03099.png

Graficul variaţiei tensiune-curent arată de data aceasta asfel:

23005.png

Cu sursa de tensiune de polarizare (Vpolarizare) conectată în serie cu sursa de semnal, tranzistorul rămâne în zona activă de funcţionare pe toată perioada undei, reproducând cu exactitate forma de undă de la intrare pe difuzor. Observaţi că tensiunea de la intrare variază între valorile de 0.8 V şi 3.8 V, o amplitudine vârf-la-vârf de exact 3 volţi (2 * amplitudinea de vârf a sursei = 2 * 1,5 = 3 V). Curentul de ieşire, pe difuzor, variază între zero şi aproximativ 300 mA, fiind defazat cu 180o cu semnalul de intrare (al microfonului).

Dacă am conecta simultan mai multe osciloscoape în circuitul de mai sus, formele de undă ale tensiunilor ar arăta asfel:

03110.png

Amplificarea în curent al circuitului de mai sus este dată de factorul beta β al tranzistorului, în acest caz particular, 100, sau 40 dB. Amplificarea în tensiune însă, este puţin mai complicat de determinat. Să urmărim graficul tensiunii pe difuzor (albastru) şi al tensiunii de intrare pe tranzistor (roşu, bază-emitor):

23006.png

Dacă am lua aceeiaşi scală, de la 0 la 4 V, putem vedea că forma de undă a tensiunii de ieşire are o amplitudine vârf-la-vârf mai mică decât tensiunea de intrare. Dim moment ce amplificarea în tensiune a unui amplificator este definită ca şi raportul dintre amplitudinile semnalelor de curent alternativ, putem igonar componenta de curent continuu ce separă cele două forme de undă. Chiar şi asa, tensiune de intrare este mai mare decât cea de ieşire, ceea ce înseamnă ca amplificarea în tensiune este sub-unitară.

Această amplificare mică în tensiune nu este caracteristică tuturor amplificatoarelor emitor-comun, ci este consecinţa diferenţei mari dintre rezistenţele de intrare şi ieşire. Rezistenţa de intrare (R1) în acest caz este de 1.000 Ω, iar rezistenţa sarcinii (difuzor) este de doar 8 Ω. Deoarece amplificarea în curent a amplifiatorului este determinată doar de factorul beta (β) al tranzistorului, şi deoarece acest factor este fix, amplificarea în curent nu se va modifica odată cu variaţia nici uneia dintre cele două rezistenţe. Totuşi, amplificarea în tensiune depinde de aceste rezistenţe. Dacă mărim rezistenţa sarcinii, căderea de tensiune pe aceasta va fi mai mare pentru aceleaşi valori ale curenţilor, rezultând o formă de undă de ieşire mai mare. Să urmărim şi graficul formelor de undă pentru sarcina de 30 Ω:

23007.png

De data aceasta, amplitudinea formei de undă a tensiunii de ieşire (albastru) este mult mai mare decât tensiunea de intrare. Dacă ne uităm mai atent, putem vedea că amplitudinea vârf la vârf este de 9 V, de 3 ori mai mare decât amplitudinea tensiunii de intrare. Mai exact, tensiunea de intrare este de 1.5 V, iar cea de ieşire de 4.418 V. Să calulăm aşadar raportul (factorul) de amplificare în tensiune (AV):

13018.png

Deoarece amplificarea în curent a amplificatorului emitor comun este fixată de factorul β, iar tensiunile de intrare şi ieşire vor fi egale cu produsul dintre curenţii de intrare şi ieşire şi rezistenţele rezistorilor respectivi, putem scrie următoarea ecuaţie pentru aproximarea amplificării în tensiune:

13017.png

Diferenţa dintre amplificarea reală (2.94) şi cea ideală (3), se datorează imperfecţiunilor tranzistorilor în general.

4.5.2 Amplificator emitor comun cu tranzistor PNP

Până acum am folosit doar tranzistori de tipul NPN, dar putem la fel de bine utiliza tranzistori NPN în orice tip de configuraţie, atâta timp cât polaritatea şi direcţiile curenţilor sunt cele corecte. Factorii de amplificare în curent şi tensiune sunt aceeiaşi şi pentru amplificatorul cu tranzistor PNP, doar polarităţile bateriilor sunt diferite:

03112.png

4.6 Amplificator cu tranzistor în conexiune colector comun

Configuraţa amplificatorului colector comun arată asfel:

03100.png

Denumirea de colector comun vine de la faptul că, ignorând sursa de alimentare (bateria), sursa de semnal şi sarcina au ca punct comun contactul colectorului:

03101.png

Se poate observa că prin rezistorul de sarcină trece atât curentul colectorului cât şi curentul bazei, fiind conectat în serie cu emitorul. Amplificarea în curent a amplificatorului colector comun este cea mai mare dintre toate configuraţiile, deoarece într-un tranzistor, cel mai mare curent se regăseşte pe emitor, fiind suma dintre curentul bazei şi al colectorului. Să analizăm însă circuitul de mai jos pentru a descoperi particularităţile acestei configuraţii:

03103.png

Graficul variaţiei căderii de tensiune de ieşire - cădere de tensiune de intrare, este următorul:

23009.png

Faţa de conexiunea emitor comun, amplificatorul colector comun produce la ieşire o cădere de tensiune de aceeiaşi polaritate cu tensiunea de intrare. Pe măsură ce tensiunea de intrare creşte, creşte şi cea de ieşire. Mai mult, tensiunea de ieşire, este aproape identică cu tensiunea de intrare, minus căderea de 0.7 V a joncţiunii P-N. Indiferent de factorul beta al tranzistorului, sau de valoarea sarcinii, amplificatorul colector comun are un factor de amplificare în tensiune (AV) extrem de apropiat de valoarea 1. Din această cauză, conexiunea colector comun mai este denumită şi repetor pe emitor.

4.6.1 Explicaţie

Este relativ uşor de înţeles motivul pentru care căderea de tensiune pe sarcina amplificatorului în colector comun este aproximativ egală cu tensiunea de intrare. Dacă ne referim la modelul diodă-sursă-de-curent al tranzistorului, putem vedea că, curentul bazei trebuie să treacă prin joncţiunea P-N bază-emitor, joncţiune echivalentă unei diode redresoare. Dacă această joncţiune este polarizată direct, va exista o cădere de tensiune de aproximativ 0,7 V (siliciu) între terminalele acestia. Această cădere de tensiune de 0,7 V nu depinde de amplitudinea curentului de bază, asfel că putem considera această cădere de tensiune ca fiind constantă:

03104.png

Cunoscând polarităţile tensiunilor joncţiunii P-N bază-emitor şi a rezistorului de sarcină, putem vedea că tensiunea de intrare trebuie să fie egală cu suma celor două, în conformitatea cu legea lui Kirchhoff pentru tensiune. Cu alte cuvinte, tensiunea sarcinii va fi tot timpul cu aproximativ 0.7 V mai mică decât tensiunea de intrare, atunci când tranzistorul se află în stare de conducţie.

4.6.2 Utilizarea unei surse de curent continuu

Pentru amplficarea semnalelor de curent alternativ cu ajutorul configuraţiei colector comun, este nevoie de utilizarea unei surse de tensiune în curent continuu (tensiune de polarizare), la fel cum a fost cazul configuraţiei emitor comun. Rezultatul este însă de această dată un amplificator ne-inversor.

03105.png

Formele de undă a tensiunii de ieşire (albastru) şi a tensiunii de intrare (roşu) sunt prezentate în graficul de mai jos:

23010.png

Dacă ar să conectăm mai multe osciloscoape în circuit, vom vedea că formele de undă ale tensiunilor arată asfel:

03111.png

4.6.3 Factorul de amplificare în curent

Din moment ce această configuraţie nu oferă nicio amplificare în tensiune, singura amplificare realizată este în curent. Configuraţia anterioară, emitor comun, oferea un factorul de amplificare în curent egal cu factorul β al tranzistorului, datorită faptului că, curentul de intrare trecea prin bază, iar curentul de ieşire (sarcină) trecea prin colector, iar β este prin definiţie raportul dintre curentul de colector şi curentul de bază. În configuraţia colector comun însă, sarcina este conectată în serie cu emitorul, prin urmare, curentul de ieşire este egal cu acest curent al emitorului. Dar curentul prin emitor este curentul colectorului plus curentul bazei. Acest lucru înseamnă o amplificare în curent (AI) egală cu β plus 1:

13020.png

4.6.4 Amplificator colector comun cu tranzistor PNP

Şi în acest caz, se pot utiliza tranzistori de tip PNP pentru realizarea amplificatorului colector comun. Toate calculele sunt identice. Singura diferenţă este inversarea polarităţii tensiunilor si a direcţiei curenţilor:

03113.png

4.6.5 Stabilizarea tensiunii cu tranzistor în conexiune colector comun

O aplicaţie populară a tranzistorului colector comun constă în stabilizarea surselor de putere în curent continuu. Una dintre soluţii utilizează diode zener pentru tăierea tensiunilor mai mari decât tensiunea zener:

03106.png

Totuşi, curentul ce poate fi transmis sursei este destul de limitat în această situaţie. În principiu, acest circuit regulează tensiunea la bornele sarcinii prin menţinerea curentului prin rezistorul serie la valori suficient de mari pentru ca întreaga putere în exces a sursei de tensiune şa cadă pe rezistor; dioda zener va „trage” un curent necesar menţinerii unei căderi de tensiune constante la bornele sale. Pentru sarcini mari, ce necesită un curent mare pentru acţionarea lor, un stabilizator de tensiune cu diodă zener ar trebui să şunteze un curent mare prin diodă pentru a putea stabiliza tensiunea pe sarcină.

O metodă de rezolvare a acestei probleme constă în utilizarea unui tranzistor în conexine colector comun pentru amplificarea curentului prin sarcină, asfel ca dioda zener să nu fie nevoită să conducă decât curentul necesar bazei tranzistorului.

03107.png

Singura problemă este că tensiunea pe sarcină va fi cu aproximativ 0.7 V mai mică decât căderea de tensiune pe dioda zener. Acest lucru poate fi însă corectat prin utilizarea unei diode zener cu o tensiune zener mai mare cu 0.7 V decât tensiunea necesară pentru aplicaţia în cauză.

4.6.6 Tranzistor Darlington

În unele aplicaţii, factorul de amplificare în curent al unui singur tranzistor în configuraţie colector comun nu este suficient. În acest caz, se pot conecta (etaja) mai mulţi tranzistori într-o configuraţie Darlington:

03108.png

Configuraţia Darlington constă în conectarea pe sarcina unui tranzistor colector comun a unui alt tranzistor, multiplicând asfel factorii de amplificare în curent al celor doi:

AI = (β1 + 1)(β2 + 1), unde:

β1 - factorul beta al primul tranzistor

β2 - factorul beta al celui de al doilea tranzistor

Amplificarea în tensiune va fi şi de această dată apropiată de 1, cu toate că tensiunea de ieşire va fi mai mică cu 1,4 V decât tensiunea de intrare:

03109.png

Tranzistorii în configuraţie Darlington pot fi cumpăraţi ca şi dispozitive discrete, sau pot fi construiţi din tranzistori individuali. Desigur, dacă se doreşte obţinerea unor curenţi şi mai mari, se pot conecta chiar şi trei sau patru tranzistori în configuraţie Darlington.

4.7 Amplificator cu tranzistor în conexiune bază comună

Această configuraţie este mai complexă decât celelalte două, emitor comun şi colector comun, şi este mai puţin folosită datorită caracteristicilor ciudate de funcţionare:

03114.png

Denumirea de bază comună vine de la faptul că semnalul sursei de alimentare şi sarcina au ca şi punct comun baza tranzistorului:

03115.png

Probabil că cea mai ciudată caracteristică a acestui tip de configuraţie constă în faptul că sursa de semnal de intrare trebuie să conducă întreg curentul de pe emitor al tranzistorului, după cum este indicat în prima figură prin săgeţile îngroşate. După câte ştim, curentul emitorului este mai mare decât oricare alţi curenţi ai tranzistorului, fiind suma curenţilor de bază şi de colector. În celelalte două configuraţii, sursa de semnal era conectată la baza tranzistorului, curentul prin sursă fiind asfel cel mai mic posibil.

Deoarece curentul de intrare este mai mare decât toţi ceilalţi curenţi din circuit, inclusiv curentul de ieşire, amplificarea în curent a acestui tip de amplificator este în realitatea mai mică de 1. Cu alte cuvinte, acest amplificator atenuează curentul, nu-l amplifică. În configuraţiile emitor şi colector comun, parametrul folosit pentru amplificarea în curent este β, dar în configuraţie bază comună, avem nevoie de un alt parametru de bază al tranzistorului: raportul dintre curentul colectorului şi curentul emitorului, raport ce este tot timpul mai mic decât 1, şi poartă numele de factorul alfa (α).

4.7.1 Circuitul practic

Circuitul practic pe care îl vom studia, arată asfel:

03116.png

Graficul variaţiei tensiunii de ieşire cu tensiune de intrare arată asfel:

23011.png

Putem observa din graficul de mai sus că tensiune de ieşire creşte de la 0 (tranzistor blocat) la 15.75 V (tranzistor saturat) pe câd tensiunea de intrare creşte de la 0.6 V până la doar 1.2 V. Mai precis, tensiunea de ieşire nu începe să crească decât după ce tensiune de intrare a depăşite valoarea de 0.7 V, iar nivelul de saturaţie este atins pentru o tensiune de intrare de 1.12. Acest lucru reprezintă o amplificare în tensiune destul de mare, de 37.5. Putem observa de asemenea, că tensiunea de ieşire (măsurată la bornele rezistorului de sarcină, Rsarcină) creşte peste valoarea sursei de tensiune (15 V) la saturaţie, datorită conectării în serie a celor două surse de putere.

O nouă analiză a circuitului, de data aceasta cu o sursă de semnal în curent alternativ legată în serie cu o sursă de polarizare de curent continuu, dezvăluie încă odată factorul mare de amplificare în tensiune:

03117.png

După cum se poate observa în figura de mai jos, semnalul de intrare (roşu, mărit de 10 ori pentru uşurinţa vizualizării) este în fază cu cel de ieşire (albastru), ceea ce înseamnă că amplificatorul bază comun este non-inversor:

23012.png

Putem vizualiza formele de undă ale amplificatorului conectând mai multe osciloscoape, simultan, în punctele de interes:

03118.png

Acelaşi lucru este valabil şi pentru un tranzistor PNP:

03119.png

4.7.2 Calcularea factorului de amplificare în tensiune

Calcularea factorului de amplificare în tensiune pentru configuraţie bază comună este destul de dificilă şi presupune aproximări ale comportamentului tranzistorului ce sunt greu de măsurat direct. Fată de celelalte configuraţii, unde amplificarea era determinată fie de raportul dintre doi rezistori (emitor comun), fie avea o valoare fixă (colector comun), în cazul de faţă această valoare depinde în mare măsură de valoarea tensiunii de polarizare în curent continuu a semnalului de intrare. Rezistenţa internă a tranzistorului între emitor şi bază joacă un rol major în determinarea factorului de amplificare în tensiune, iar această rezistenţă variază odată cu variaţia curentului prin emitor.

Prin urmare, un factor de amplificare în curent subunitar şi un factor de amplificare în tensiune imprevizibil, fac ca această configuraţie să ofere puţine aplicaţii practice.

4.8 Amplificatoare clasa A, B, AB, C şi D

După modul de reproducere la ieşire a formei de undă de la intrare, amplificatoarele pot fi împărţite pe clase. Aceaste clase sunt desemnate cu literele A, B, AB, C şi D.

4.8.1 Amplificator clasa A

În cazul amplificatoarelor de clasă A, întreg semnalul de intrare este reprodus la ieşire. Acest mod de operare al tranzistorului poate fi atins doar atunci când acest funcţionează tot timpul în zona activă, neatingând niciodată punctul de saturaţie sau de blocare. Pentru realizarea acestui lucru, este nevoie de o tensiune de polarizare de curent continuu suficient de mare pentru funcţionarea tranzistorului între zona de blocare şi cea de saturaţie. În acest fel, semnalul de intrare în curent alternativ va fi perfect „centrat” între limita superioară şi cea inferioară a nivelului de semnal al amplificatorului.

03124.png

4.8.2 Amplificator clasa B. Configuraţia contratimp

Amplificatorul de clasă B este ceea ce am obţinut în cazul amplificatorului emitor comun, cu semnal de intrare în curent alternativ dar fără nicio tensiune de polarizare în curent continuu conectată la intrare. În acest caz, tranzistorul petrece doar o jumătate de timp în zona activă de funcţionare, iar în cealaltă jumătate de timp este blocat, datorită faptului că tensiune de intrare este prea mică, sau chiar de polaritate inversă, pentru a putea polariza direct joncţiunea bază-emitor.

03125.png

Folosit individual, amplificatorul de clasă B nu este foarte folositor. De cele mai multe ori, distorsiunile foarte mari introduse în forme de undă, prim eliminarea unei semialternanţe, nu sunt acceptabile. Totuşi, această modalitate de polarizare a amplificatoarelor este folositoare dacă se folosesc două amplificatoare de clasă B în configuraţie contratimp (push-pull), fiecare amplificator reproducând doar o jumătate a formei de undă .

(push-pull) 03126.png

Un avantaj al amplificatorului de clasă B (contratimp) faţă de cel de clasă A, constă într-o capacitate mai mare a puterii de ieşire. În clasa A, tranzistorul disipă o putere considerabilă sub formă de căldură datorită faptului că acesta se află tot timpul în zona activă de funcţionare. În clasa B, fiecare tranzistor conduce doar jumătate din timp, iar în cealaltă jumătate este blocat, nu conduce curent electric, şi prin urmare, puterea disipată sub formă de căldură este zero. Asfel, fiecare tranzistor are timp de „odihnă” şi de răcire, atunci când celălalt tranzistor se află în conducţie. Amplificatoarele de clasă A sunt mai simplu de construit, dar sunt limitate doar la aplicaţiie de putere joasă datorită căldurii generate.

4.8.3 Amplificator clasa AB

Amplificatoarele de clasă AB sunt undeva între clasa A şi clasa B; tranzistorul conduce mai mult de 50% din timp, dar mai puţin de 100%.

4.8.4 Amplificator clasa C

Dacă semnalul de intrare al amplificatorului este uşor negativ (sursa de tensiune în curent alternativ inversată), semnalul de ieşire va fi tăiat şi mai mult faţă de semnalul de ieşire al amplificatorului de clasa B. Tranzistorul va petrece majoritatea timpului în stare blocată:

03127.png

Deşi această configuraţie nu pare practică, dacă se conectează un circuit rezonant condensator-bobină la ieşire, semnalul ocazional produs de amplificator la ieşire este suficient pentru punerea în funcţionare a oscilatorului:

03127.png

Datorită faptului că tranzistorul este în mare parte a timpului blocat, puterea la bornele sale poate fi mult mai mare decât în cazul celorlalte două configuraţii văzute mai sus. Datorită dependenţei de circuitul rezonante de la ieşire, acest amplificator poate fi folosit doar pentru semnale de o anumită frecvenţă fixă.

4.8.5 Amplificator clasa D

Acest tip de amplificator este total diferit fată de amplificatoarele de clasă A, B, AB sau C. Acesta nu este obţinut prin apliocarea unei anumite tensiune de polarizare, precum este cazul celorlalte clase, ci necesită o modificare a circuitului de amplificare. Nu vom intra pentru moment în detaliile construirii unui asfel de amplificator, dar vom discuta în schimb principiul său de funcţionare.

Un amplificator clasa D reproduce profilul formei de undă în tensiune de la intrare prin generarea unui semnal de ieşire dreptunghiular cu o rată de pulsaţie mare. Factorul de umplere reprezintă raportul dintre durata în care semnalul este maxim durata în care semnalul este zero. Cu alte cuvinte, reprezintă durata de funcţionare al unui dispozitiv, în general. Factorul de umplere variază odată cu amplitudinea instantanee a semnalului de intrare.

03230.png

Cu cât amplitudinea instantanee a semnalului de intrare este mai mare, cu atât factorul de umplere a formei de undă dreptunghiulare este mai mare. Singurul motiv pentru folosirea amplificatorului de clasă D, este evitarea funcţionării tranzistorului în zona activă de funcţionare; tranzistorul va fi tot timpul fie blocat fie saturat. Puterea disipată de tranzistor va fi foarte mică în acest caz. Dezavantajul metodei constă în prezenţa armonicilor la ieşire. Din fericire, din moment ce frecvenţa acestor armonici este mult mai mare decât frecvenţa semnalului de intrare, acestea pot fi filtrate relativ uşor cu ajutorul unui filtru trece-jos, rezultând un semnal de ieşire mult mai asemănător cu semnalul de intrare original. Amplificatoarele de clasă D sunt folosite de obicei în locurile unde este nevoie de puteri mari la frecvenţe raltiv joase, precum invertoarele industriale (dispozitive ce transformă curentul continuu în curent alternativ) şi amplificatoarele audio de înaltă performanţă.

4.9 Punctul static de funcţionare al tranzistorului

O stare de repaus se caracterizează prin faptul că semnalul de intrare al circuitului este zero. Curentul de repaus, de exemplu, este valoarea curentului dintr-un circuit, atunci când tensiunea aplicată la intrare este zero. Tensiunea de polarizare directă (curent continuu) forţează un nivel diferit al curentului colector-emitor prin tranzistor pentru un semnal de intrare zero, faţă de cazul în care tensiunea de polarizare directă nu ar exista. Prin urmare, valoarea tensiunii de polarizare într-un circuit de amplificare, determină valorile de repaus ale acestuia.

Punctul static de funcţionare al unui tranzistor reprezintă coordonatele de funcţionare ale tranzistorului în zona activă de funcţionare (vezi secţiunea precedetă).

Pentru un amplificator de clasa A, curentul de repaus trebuie să fie exact între valoarea sa de saturaţie şi valoarea sa de blocare. Amplificatoarele de clasa B şi C au un curent de repaos zero, din moment ce acestea sunt proiectate pentru funcţionarea în zona de blocare, atunci când nu este aplicat niciun semnal la intrare. Amplificatoarele de clasa AB, au un curent de repaus foarte mic, puţin peste zona de blocare. Pentru a ilustra grafic acest lucru, se trasează o dreaptă de sarcină peste curbele caracteristice ale tranzistorului, pentru ilustrarea modului de funcţionare atunci când tranzistorul este conectat la o sarcină de o anumită valoare:

03144.png

O dreaptă de sarcină reprezintă graficul tensiunii colector-emitor pentru un anumit domeniu al curenţilor de colector. În partea din dreapta jos, tensiunea este maximă şi curentul este zero, reprezentând o condiţie de blocare. În stânga sus, tensiunea este zero, iar curentul este maxim, reprezentând o condiţie de saturaţie. Punctele de intersecţie ale dreptei cu, curbele caracteristice, reprezintă condiţii de operare reale al tranzistorului pentru acei curenţi de bază.

Punctul static de funcţionare poate fi reprezentat pe acest grafic printr-un siplu punct la intersecţia unei curbe caracteristice cu dreapta de sarcină. Pentru un amplificator de clasa A, punctul static de funcţionare se va situa pe mijlocul dreptei de sarcină.

03145.png

În acest caz particular, punctul static de funcţionare se află pe curba de 40 µA a curentului de bază. Dacă schimbăm însă rezistenţa sarcinii acestui circuit cu o rezistenţă mai mare, acest lucru va afecta panta dreptei de sarcină, întrucât o rezistenţă de sarcină mai mare va limite curentul maxim prin colector la saturaţie, dar nu va modifica tensiunea de blocare colector-emitor. Grafic, rezultatul este o dreaptă de sarcină cu un punct de saturaţie (stânga sus) diferit, dar cu un punct de blocare (dreapta jos) identic:

03146.png

Putem observa că în această situaţie, dreapta de sarcină nu mai intersectează curba caracteristică de 75 µA pe porţiunea sa orizontală. Acest lucru este foarte important de realizat, deoarece porţiunea ne-orizontală a curbei caracteristice reprezintă, după cum am mai menţionat, o condiţie de saturaţie a tranzistorului (curentul colector-emitor nu mai poate fi controlat prin intermediul curentului bazei). Prin urmare, pentru un curent al bazei de 75 µA, tranzistorul (amplificatorul) va fi saturat.

Pentru menţinerea funcţionării liniare (fără distorsiuni), amplificatoarele cu tranzistori nu ar trebui să funcţioneze în zona de saturaţie, adică, acolo un dreapta de sarcină nu intersectează curbele de sarcină pe porţiunea lor orizontală. Vom mai adăuga câteva curbe caracteristice pe grafic, pentru a putea observa până unde putem „impinge” tranzistorul prin creşterea curentului bazei fără ca acesta să intre în zona de saturaţie.

03147.png

Se poate vedea de pe grafic că cel mai înalt punct de pe dreapta de sacină ce intersectează curbele de sarcină ale tranzistorului pe porţiunea orizontală, este pentru curba de 50 µA (curentul de bază). Acest punct ar trebui considerat nivelul maxim al semnalului de intrare pentru funcţionarea amplificatorului de clasă A. De asemenea, tot pentru funcţionarea corectă a amplificatorului de clasă A, tensiunea de polarizare ar trebui să fie astfel încât punctul static de funcţionare să se regăsească la mijlocul drumului între punctul maxim de funcţionare şi punctul de blocare:

03148.png

Asfel, noul punct static de funcţionare, ales pe cale grafică, ne spune că, pentru funcţionarea corectă a amplificatorului de clasă A, pentru sarcina în cauză, curentul bazei trebuie să aibă o valoare de aproximativ 25 µA. Cunoscând această valoare, putem determina mai apoi şi tensiune de polarizare directă în curent continuu.

4.10 Metode de polarizare ale tranzistorului

Până în acest moment, am folosit o sursă de tensiune de curent continuu (baterie) conectată în serie cu semnalul de intrare în curent alternativ pentru polarizarea tranzistorului, indiferent de clasa de funcţionare din care făcea parte. În realitate, conectarea unei baterii cu o tensiune precisă la intrarea amplificatorului nu este o soluţie deloc practică. Chiar dacă am putea găsi o baterie care să producă exact cantiatea de tensiune necesară pentru o anumită polarizare, acea tensiune nu poate fi menţinută pe toată durata de funcţionare a bateriei. Când aceasta începe să se descarce, tensiunea sa de ieşire scade, iar amplificatorul se ve îndrepta spre clasa de funcţionare B.

Să (re)-considerăm acest circuit, de exemplu:

03099.png

Includerea unei baterii cu o tensiune de polarizare (Vpolarizare) într-un circuit de amplficare, nu este practică în realitate. O metodă mult mai practică pentru obţinerea tensiunii de polarizare este folosirea unei reţele divizoare de tensiune conectată la bateria de 15 V, baterie care oricum este necesară pentru funcţionarea amplificatorului. Circuitele divizoare de tensiune sunt şi ele uşor de proiectat şi construit, prin urmare, să vedem cum arată o asfel de configuraţie:

03130.png

Dacă alegem o pereche de rezistori R2 şi R3 a căror rezistenţe să producă o tensiune de 2.3 V pe rezistorul R3 dintr-o tensiune totală disponibilă de 15 V (R2 = 8.644 Ω, R3 = 1.533 Ω, de exemplu), vom obţine o tensiune de polarizare în curent continuu de 2.3 V între baza şi emitorul tranzistorului, atunci când nu există semnal de intrare. Singura problemă este că, această configuraţie conectează sursa de semnal de curent alternativ direct în paralel cu rezistorul R3 al divizorului de tensiune. Acest lucru nu este acceptabil, deoarece sursa de curent alternativ va „învinge” tensiunea de curent continuu de la bornele rezistorului R3. Componentele conectate în paralel trebuie să posede acelaşi tip de tensiune la bornele lor; prin urmare, dacă o sursă de curent alternativ este conectată direct la bornele unui rezistor dintr-un divizor de tensiune de curent continuu, sursa de curent alternativ va „învinge” tot timpul, prin urmare, nu va exista nicio componentă de curent continuu în forma de undă a semnalului.

O modalitate prin care această configuraţie poate funcţiona, deşi este posibil să nu fie evident de ce, este prin conectarea unui condensator de cuplaj între sursa de curent alternativ şi divizorul de tensiune, asfel:

03131.png

Condensatorul formează un filtru trece-sus între sursa de tensiune în curent alternativ şi divizorul de tensiune în curent continuu; întregul semnal (aproximativ) de curent alternativ va trece înspre tranzistor, iar tensiunea de curent continuu nu va putea ajunge la sursa de semnal. Acest lucru este mult mai clar dacă ne folosim de teorema superpoziţiei, conform căreia, orice circuit liniar poate fi analizat considerând că doar o singură sursă de alimentare funcţionează în acelaşi timp în circuit. Rezultatul/efectul final poate fi aflat prin însumarea algebrică a efectelor tuturor surselor de putere luate individual. Dacă am separa condensatorul şi divizorul de tensiune R2–R3 de restul amplificatorului, am înţelege mai bine cum funcţionează această superpoziţie între curentul continuu şi cel alternativ.

Dacă luăm în considerare doar sursa de semnal de curent alternativ, şi un condensator cu o impedanţă arbitrară mică la frecvenţa semnalului, majoritatea semnalului de curent alternativ se va regăsi pe rezistorul R3. Datorită impedanţei foarte mici a condensatorului de cuplaj la frecvenţa de semnal, acesta se comportă precum un scurt-circuit (fir simplu), prin urmare, poate fi omis din figura de mai jos:

03133.png

Dacă ar fi să conectăm doar sursa de tensiune de curent continuu (bateria de 15 V), condensatorul se va comporta precum un circuit deschis, prin urmare nici acesta şi nici sursa de semnal de curent alternativ nu vor avea niciun efect asupra modului de funcţionare al divizorului de tensiune R2–R3:

03134.png

Folosind teorema superpoziţiei, şi combinând cele două analize separate ale circuitului, obţinem o tensiune (de superpoziţie) de aproximativ 1.5 V curent alternativ şi 2.3 V curent continuu, tensiuni ce vor fi aplicate la intrarea tranzistorului. Observaţi în circuitul considerat mai jos, că tranzistorul nu a fost conectat:

03132.png

Folosind un condensator de 100 µF, putem obţine o impedanţă de 0.8 Ω la frecvenţa de 2.000 Hz:

23013.png

Putem observa că acest circuitu distorsionează puternic forma undei curentului de ieşire (albastru). Unda sinusoidală este tăiată pe majoritatea semi-alternanţei negativă a semnalului de tensiune de intrare (roşu). Acest lucru ne spune că tranzistorul intră în starea de blocare, deşi nu ar trebui. De ce se întâmplă acest lucru? Această nouă metodă de polarizare ar trebui să genereze o tensiune de polarizare în curent continuu de 2.3 V.

Dacă în circuit avem doar condensatorul şi divizorul de tensiune format din R2–R3, acesta va furniza o tensiune de polarizare de exact 2.3 V. Totuşi, dupa ce conectăm tranzistorul la acest circuit, lucrurile se schimbă. Curentul existent prin baza tranzistorului se va aduna la curentul deja existent prin divizor şi va reduce tensiunea de polarizare disponibilă pentru tranzistor. Folosind modelul diodă-sursă-de-curent al tranzistorului, problema polarizării devine mai clară:

03135.png

Ieşirea unui divizor de tensiune depinde nu doar de mărimea rezistorilor săi componenţi, ci şi de cantitatea de curent „divizată” de aceasta spre o sarcină. Joncţiunea P-N a tranzistorului reprezintă o sarcină datorită căreia tensiunea de curent continuu la bornele rezistorului R3 scade; curentul de polarizare se însumează cu cel de pe rezistorul R3, modificând raportul rezistenţelor calculat înainte, când am luat în considerare doar cei doi rezistori, R2 şi R3. Pentru obţinerea unei tensiuni de polarizare de 2.3 V, valorile rezistorilor R2 şi/sau R3 trebuiesc ajustate pentru compensarea efectului curentului de bază. Pentru creşterea tensiunii de polarizare de pe R3, putem scădea valoarea lui R2, creşte valoarea lui R3, sau ambele.

Folosind noi valori pentru cei doi rezistori (R2 = 6 kΩ, R3 = 4 kΩ), graficul formelor de undă corespunde unui amplificator de clasă A, exact ceea ce urmăream:

23014.png

4.11 Cuplajul de intrare şi cuplajul de ieşire

4.11.1 Cuplaj de intrare

Cuplaj capacitiv

Pentru a rezolva problemele de polarizare în curent continuu ale amplificatorului, fără utilizarea unei baterii conectată în serie cu sursa de semnal de curent alternativ, am folosit un divizor de tensiune conectat la sursa de tensiune de curent continuu deja existentă în circuit. Pentru a putea folosi această configuraţie cu semnale de curent alternativ, am „cuplat” semnalul de intrare la divizor printr-un condensator (cuplaj capacitiv), condensator ce s-a comportat precum un filtru trece-sus. Folosind acest filtru, impedanţa foarte scăzută a sursei de semnal de curent alternativ nu a putut scurt-circuite căderea de tensiunea de curent continuu de pe rezistorul de jos al divizorului de tensiune. O soluţie simplă la prima vedere, dar care prezintă şi dezavantaje.

Cea mai evidentă problemă este că, amplificatorul poate acum să amplifice doar semnale de curent alternativ. O tensiune constantă de curent continuu, aplicată la intrare, va fi blocată de către condensatorul de cuplaj. Mai mult, din moment ce reactanţa condensatorului este dependentă de frecvenţa, semnalele de curent alternativ de frecvenţe joase nu vor fi amplificate la fel de mult precum semnalele de frecvenţe înalte. Semnalele ne-sinusoidale vor fi distorsionate, din moment ce condensatorul va răspunde diferit la fiecare dintre armonicele sale constituente. Un exemplu extrem ar fi un semnal dreptunghiular de frecvenţa joasă:

03136.png
Cuplaj direct

În situaţiile în care problemele ridicate de cuplajul capacitiv nu pot fi tolerate, se poate folosi un cuplaj direct. Cuplajul direct foloseşte rezistori în locul condensatorilor.

03138.png

Această configuraţie nu este dependentă de frecvenţa, fiindcă nu avem niciun condensator pentru filtrarea semnalului de intrare.

Dacă un cuplaj direct amplifică atât semnale de curent continuu cât şi semnale de curent alternativ, de ce să folosim cuplaje capacitive în primul rând? Unul dintre motive ar fi evitarea tensiunii naturale de polarizare în curent continuu prezentă în semnalul de amplificat. Unele semnale de curent alternativ conţin şi o coponentă de curent continuu direct de la sursă, ce nu poate fi controlata, iar această tensiune necontrolată înseamnă ca polarizarea tranzistorului este imposibilă.

Un alt motiv pentru utilizarea unui cuplaj capacitiv este lipsa atenuării semnalului de la intrare. În cazul cuplajului direct printr-un rezistor, atenuarea semnalului de intrare, asfel că doar o parte din acesta mai ajunge la baza tranzistorului, este un dezaventaj demn de luat în considerare. Unele aplicaţii necesită atenuarea semnalului de intrare într-o oarecare măsură, pentru prevenirea intrării tranzistorului în zona de saturaţie sau de blocare, asfel că o atenuare existentă pe cuplajul de intrare este oricum folositoare. În alte situaţii însă, nu este permisă atenuarea semnalului de intrare sub ncio formă , pentru obţinerea unei amplificării în tensiunea cât mai bune; în acest caz, un cuplaj direct nu este o soluţie foarte bună.

4.11.2 Cuplaj de ieşire

În circuitul din exemplu, sarcina este reprezentată de un difuzor. Majoritatea difuzoarelor sunt electromagnetice: acestea folosesc forţa generată de un electromagnet uşor, suspendat într-un câmp magnetic permanent, pentru deplasarea unui con de plastic sau hârtie, deplasare ce produce vibraţii în aer, care mai apoi sunt interpretate de sistemul auditiv ca fiind sunete. Aplicând o tensiune de o singură polaritate, conul se deplasează spre exterior; dacă inversăm polaritatea tensiunii, conul se deplasează spre interior. Pentru a putea utiliza întreaga libertate de mişcare a conului, difuzorul trebuie să primească o tensiune de curent alternativ pură (să nu conţină curent continuu). O componentă de curent continuu va tinde să deplaseze permanent conul de la poziţia sa naturală din centru, iar deplasarea sa înainte-înapoi va fi limitată la aplicarea unei tensiuni de curent alternativ ca urmare a acestui fapt.

Dar în circuitul nostru de mai sus, tensiunea aplicată la bornele difuzorului este de o singură polaritate (tensiune alternativă + componentă de curent continuu), deoarece difuzorul este conectat în serie cu tranzistorul, iar tranzistorul nu poate conduce curent decât într-o singură direcţie. Acest lucru nu este acceptabil pentru niciun amplificator audio.

Transformator de cuplaj

Prin urmare, trebuie să izolăm difuzorul faţă de componenta de curent continuu a curentului de colector, asfel încât acesta să primească doar tensiune de curent alternativ. O modalitate de realizare a acestui lucru, este cuplarea circuitului de colector al tranzistorului la difuzor prin intermediul unui transformator:

03140.png

Tensiunea indusă în secundarul transformatorului (legat la difuzor) se va datora strict variaţiilor curentului de colector, datorita faptului că inductanţa mutuală a unui transformator funcţionează doar la variaţiile curentului prin înfăşurare. CU alte cuvinte, doar componenta de curent alternativ al curentul de colector va fi cuplată la secundar pentru alimentarea difuzorului.

Această metodă funcţionează foarte bine, dar, transformatoarele sunt de obicei mari şi grele, mai ales în aplicaţiile de putere mare. De asemenea, este dificil de proiectat nu transformator care să fie folosit într-o plajă largă de frecvenţe, ceea ce este şi cazul amplifcatoarelor audio. Mai rau decât atât, curentul continuu prin înfăşurarea primară duce la magnetizarea miezului doar într-o singură polaritate, ceea ce înseamnă ca transformatorul se va satura mult mai uşor într-una dintr-e polarităţile semnalului de curent alternativ decât în cealaltă.

Cuplaj capacitiv

O altă metodă de izolare a componentei de curent continuu din semnalul de ieşire, este utilizarea unui condensator de cuplaj pe ieşire, într-o manieră similară cuplajului capacitiv de intrare:

03141.png

Circuitul de mai sus seamănă foarte bine cu un amplificator în conexiune emitor comun, având colectorul tranzistorului conectat la baterie printr-un rezistor. Condensatorul se comportă precum un filtru trece-sus; majoritatea semnalului de curent alternativ se va regăsi pe difuzor, dar tensiunea de curent continuu va fi blocată de către filtru. Din nou, valoarea acestui condensator de cuplaj este aleasă asfel încât impedanţa la frecvenţa semnalului să fie cât mai mică.

4.11.3 Conectarea etajelor

Blocarea tensiunii de c.c. de la ieşirea unui amplificator, fie prin utilizarea unui transformator sau a unui condensator, este folositoare nu doar în cazul conectării unui amplificator la o sarcină, ci şi la cuplarea unui amplificator la un alt amplificator. Amplificatoarele cu mai multe etaje sunt folosite adesea pentru obţinerea unor factori de amplificare mult mai mari decât este posibil utilizând un singur tranzistor.

03142.png

Deşi fiecare etaj se poate cupla direct cu următorul, prin intermediul unui rezistor în loc de condensator, acest lucru face ca întreg amplificatorul să fie foarte sensibil la variaţiile tensiunii de polarizare în c.c., datorită faptului că această tensiune va fi amplificată în fiecare etaj odată cu semnalul de c.a. Dar, dacă etajele sunt cuplate capacitiv între ele, tensiunea de c.c. al unui etaj nu influenţează tensiune de polarizare al următorului etaj, deoarece trecerea acestuia este blocată.

De asemenea, etajele pot fi cuplate prin intermediul transformatoarelor, dar acest lucru nu se relalizează prea des în practică, datorită problemelor menţionate mai sus. O excepţie o reprezintă amplificatoarele de radio-frecvenţă, unde se utilizează transformatoare de cuplaj mici, cu miez de aer (fiind asfle imuni la efectele de saturaţie), ce fac parte dintr-un circuit rezonant pentru blocarea trecerii armonicilor de frecvenţe nedorite dintr-un etaj la celălalt. Circuitele rezonante se folosesc doar atunci când frecvenţa semnalului rămâne constantă, ceea ce este valabil în cazul circuitelor de radio frecvenţă.

03143.png

Trebuie menţionat că este posibilă cuplarea directă a amplificatoarelor. În cazurile în care circuitul trebuie să amplifice şi semnale de c.c., aceasta este singura alternativă.

4.12 Amplificatoare cu reacţie

Dacă un anumit procent din semnalul de ieşire al amplifiatorului este conectat la intrarea acestuia, asfel încât amplificatorul amplifică o parte din propriul său semnal de ieşire, rezultatul va fi un amplificator cu reacţie. Prin reacţie pozitivă se înţelege creşterea amplitudinii semnalului de intrare, iar o reacţie negativă duce la scăderea semnalului de intrare.

4.12.1 Amplificator cu reacţie negativă

Un amplificator echipat cu reacţie negativa este mai stabil, distorsionează mai puţin semnalul de intrare şi, în general, este capabil de amplificarea unor frecvenţe mai largi. Dezavantajul este un factor de amplificare mai scăzut.

Să examinăm un amplificator simplu, iniţial fără reacţie:

03311.png

Configuraţia amplificatorului de mai sus este emitor comun, cu o reţea de polarizare formată din divizorul de tensiune R1–R2. Condensatorul cuplează semnalul de intrare în c.a., asfel încât sursa de semnal să nu conţină o componentă de c.c. datorită divizorului de tensiune R1–R2. Rolul rezistorului R3 este de a controla amplificarea în tensiune, şi l-am putea îndepărta pentru o amplificare în tensiune maximă.

La fel ca în cazul tuturor amplificatoarelor emitor comun, şi acesta inversează semnalul de intrare. Putem vedea mai jos formele de undă ale tensiunilor de intrare şi ieşire:

03312.png
Reacţia negativă între colector şi bază

Datorită faptului că semnalul de ieşire este inversat (defazat cu 180o (antifază)), orice conxiune între ieşirea (colector) şi intrarea (bază) tranzistorului va duce la apariţia unei reacţii negative:

03313.png

Rezistenţele R1, R2, R3, şi Rreacţie funcţionează împreună precum o reţea de semnale, asfel că tensiunea de la baza tranzistorului (faţă de pământ) reprezintă o medie o tensiunii de intrare şi a tensiunii de reacţie negativă, rezultând un semnal de o amplitudine redusă la intrarea amplificatorului. Asfel, amplificatorul de mai sus, va avea un factoru de amplificare mai redus, dar o liniaritate îmbunătăţiă (reducerea distorsiunilor) şi o bandă de frecvenţe mărită.

Reacţia negativă între emitor şi împământarea circuitului

Aceasta nu este însă singura modalitate de introducere a reacţiei negative într-un amplificator emitor comun. O altă metodă, deşi mai greu de înţeles la început, constă în introducerea unui rezistor între terminalul emitorului şi împământarea circuitului:

03314.png

În acest caz, căderea de tensiune pe rezistorul de reacţie va fi direct proporţională cu valoarea curentului prin emitorul tranzistorului, opunându-se în acest fel influenţei semnalului de intrare asupra joncţiunii bază-emitor a tranzistorului. Să ne uităm mai atent la joncţiunea emitor-bază pentru a ne da seama de efectele introducerii acestui rezistor în circuit:

03315.png

Atunci când nu avem rezistorul de reacţie în circuit (Rreacţie), tensiunea de intrare (Vintrare) ce trece de condensatorul de cuplaj şi de reţeaua formată din rezistorii R1/R2/R3, se va regăsi în totalitate pe joncţiunea bază-emitor a tranzistorului sub forma tensiunii de intrare (VB-E). Cu alte cuvinte, fără Rreacţie, VB-E = Vintrare. Prin urmare, dacă Vintrare creşte cu 100 mV, atunci şi VB-E creşte cu 100 mV: variaţia uneia este egală cu variaţia celeilalte, din moment ce ambele tensiunii sunt egale.

Să examinăm acum efectele introducerii rezistorului Rreacţie între emitor şi împământare:

03316.png

De data aceasta, Vreacţie + VB-E = Vintrare. Odată cu introducerea rezistenţei de reacţie în bucla (Vintrare, VB-E), VB-E nu va mai fi egală cu Vintrare. Ştim faptul că rezistorul Rreacţie va avea o cădere de tensiune la bornele sale proporţională cu valoarea curentului prin emitor, valoare ce este controlată de curentul de bază, curent ce este la rândul lui controlat de căderea de tensiune pe joncţiunea bază emitor (VB-E) a trnazistorului. Asfel, dacă tensiunea de intrare creşte, acest lucru va duce la creşterea lui VB-E, ce duce la creşterea curentului bazei, ce duce la creşterea curentului prin colector (sarcină), ce cauzează creşterea curentului prin emitor, care la rândul lui va determina creşterea căderii de tensiune pe rezistorul de reacţie Rreacţie. Dar această creştere a căderii de tensiune pe Rreacţie se scade din tensiune de intrare (Vintrare), lucru ce duce la reducerea căderii de tensiune între bază şi emitor (VB-E); creşterea reală a lui VB-E va fi de fapt mai mică decât creşterea lui Vintrare. O creştere de 100 mV a tensiunii de intrare nu va mai duce la o creştere de 100 mV a tensiunii de polarizare bază-emitor, întrucât cele două tensiuni nu sunt egale între ele.

Ca urmare, tensiunea de intrare exercită un control mai redus asupra tranzistorului faţă de cazurile precedente, iar amplificarea în tensiune este şi ea redusă ca urmare a introducerii rezistorului de reacţie.

4.12.2 Deriva termică

În circuitele emitor comun practice, reacţia negativă nu este doar un lux, ci o necesitate pentru funcţionarea stabilă a circuitului. Într-o lume perfectă, am putea construi şi utiliza un amplificator emitor comun fără reacţie negativă, iar acest lucru ne-ar furniza o amplificare mare în tensiune. Din păcate însă, relaţia dintre tensiunea bază-emitor şi curentul bază-emitor variază cu temperatura, acest lucru fiind descris de „ecuaţia diodei”. Pe măsură ce tranzistorul se încălzeşte, căderea de tensiune pe joncţiunea bază-emitor necesară pentru aceeiaşi valoare a curentului va fi tot mai mică. Acest lucru nu este de dorit, întrucât divizorul de tensiune R1–R2 este proiectat să furnizeze curentul corect pentru funcţionarea tranzistorului la punctul static de funcţionare. Dacă relaţia curent/tensiune a tranzistorului variază cu temperatură, valoarea tensiunii de polarizare în c.c, necesară pentru operarea tranzistorului în clasa dorită, se va modifica. Un tranzistor încălzit va conduce un curent şi mai mare pentru aceeiaşi valoare a tensiunii de polarizare, ducând la o încălzire şi mai mare a acestuia şi la un curent şi mai mare de polarizare. Efectul este cunoscut sub numele de derivă termică.

Amplificatoarele colector comun nu sunt afectate de deriva termică. De ce? Răspunsul este strâns legat de reacţia negativă:

03317.png

Putem observa că sarcina amplificatorului colector comun este conectată în exact acelaşi loc în care am introdus Rreacţie în circuitul precedent, şi anume, între emitor şi împământare. Acest lucru înseamnă că singura cădere de tensiune pe joncţiunea bază-emitor este reprezentată de diferenţa dintre Vintrare şi Vieşire, rezultatul fiind o amplificare în tensiune foarte mică (de obicei aproape de 1). Apariţia derivei termice este imposibilă pentru acest tip de amplificator: în cazul în care curentul bazei ar creşte datorită încălzirii tranzistorului, curentul emitorului va creşte şi el, rezultând o cădere de tensiune mai mare pe sarcină, cădere de tensiune ce se scade din tensiunea de intrare (Vintrare); acest lucru duce la descreşterea căderii de tensiune între bază şi emitor.

4.12.3 Dependenţa amplificării în tensiunea de factorul beta este redusă cu

ajutorul reacţiei negative

Prin adăugarea unui rezistor de reacţie între emitor şi împământare în cazul unui amplificator emitor comun, amplificatorul se va comporta mai puţin precum un amplificator emitor comun „pur” şi puţin mai mult precum un amplificator colector comun. Valoarea acestui rezistor de reacţie este în general mult mai mică decât valoarea sarcinii, minimizând cantiatea de reacţie negativă şi menţinând amplificarea în tensiune destul de ridicată.

Un alt beneficiu al reacţiei negative constă în faptul că scade dependenţa amplificării în tensiune faţă de caracteristicile tranzistorului. Observaţi că în cazul amplificatorului colector comun, amplificarea în tensiune este aproximativ egală cu 1, indiferent de factorul beta (β) al amplificatorului. Acest lucru înseamnă, printre altele, că putem schimba tranzistorul din configuraţie colector comun cu un alt tranzistor al cărui factor beta este diferit, fără a vedea modificări semnificative faţa de amplificarea tensiunii. Într-un amplificator emitor comun, amplificarea în tensiune depinde foarte mult de β. Dacă ar fi să înlocuim un tranzistor dintr-o configuraţie emitor comun, cu un tranzistor al cărui β este diferit, amplificarea în tensiune ar suferi modificări substanţiale. Într-un amplificator emitor comun cu reacţie negativă, amplificarea în tensiune va fi de asemenea dependentă de factorul beta într-o oarecare măsură, dar nu într-o asemenea măsură precum fără reacţie; circuitul va fi în acest caz mult mai previzibil, în ciuda variaţiilor factorului β al tranzistorilor folosiţi.

4.12.4 Condensatorul de decuplare

Faptul că trebuie să introducem o reacţie negativă într-un amplificator emitor comun pentru evitarea derivei termice nu este o soluţie satisfăcătoare. Putem evita deriva termică fără a fi nevoiţi să suprimăm factorul de amplificare în tensiune ridicat al acestui tip de amplificator? Putem găsi o soluţie dacă analizăm îndeaproape această problemă: tensiunea amplificată care trebuie minimizată pentru evitarea derivei termice, este cea de c.c., nu cea de c.a. Nu semnalul de intrare în c.a. este cel care duce la apariţia derivei termice, ci tensiunea de polarizare în c.c., tensiune necesară pentru o anumită clasă de funcţionare; este acea tensiune de c.c. folosită pentru a „păcăli” tranzistorul (un dispozitiv de c.c.) săamplifice şi semnale de c.a. Putem suprima amplificarea în c.c. fără ca acest lucru să afecteze amplificare în c.a., dacă putem găsi o cale prin care reacţia negativă să funcţioneze doar în c.c. Cu alte cuvinte, dacă semnalul reintrodus de la ieşire la intrare este un semnal de c.c., nu de c.a.

Dacă vrem ca reacţia negativă să conţină doar semnale de c.c., dar nu şi semnale de c.a., avem nevoie de o impedanţa mare pentru c.c. dar mică pentru c.a. Ce tip de circuit prezintă o impedanţa mare la c.c. dar o impedanţă mică la c.a.? Desigur, un filtru trece-sus!

Prin conectarea unui condensator în paralel cu rezistorul de reacţie, putem crea exact situaţia de care avem nevoie: o cale dinspre emitor spre împământare ce este mai uşor de parcurs pentru semnalele de c.a. decât cele de c.c.

03318.png

Noul condensator decuplează semnalele de c.a. dinspre emitor spre împământare, asfel încât să nu existe o cădere de tensiune apreciabilă (impedanţă mică, cădere de tensiune mică) între emitor şi împământare, tensiunea care ar putea duce la suprimarea amplificării în tensiune a circuitului. Curentul continuu, pe de altă parte, nu poate trece prin condensatorul de decuplare (impedanţă mare în c.c.) şi trebuie să treacă prin rezistorul de reacţie; acest lucru duce la apariţia unei căderi de tensiune între emitor şi împământare ce afectează amplificarea în tensiune a circuitului şi stabilizează răspunsul amplificatorului în c.c. prevenind astfel deriva termică. Deoarece vrem ca reactanţa (XC) acestui condensator să fie cât mai mică posibilă, acesta ar trebui să fie cât mai mare. Deoarece polaritatea acestui condensator nu se va modifica niciodată, putem folosi un condensator polarizat (electrolitic) în această situaţie.

4.12.5 Folosirea amplificatoarelor etajate pentru reducerea pierderilor de

amplificare în tensiune

O altă abordare a problemei reducerii amplificării în tensiune datorită utilizării reacţiei negative, este folosirea mai multor etaje de amplificare în loc de unul singur. În cazul în care amplificarea atenuată în tensiune a unui singur tranzistor nu este suficientă pentru aplicaţia respectivă, putem folosi mai mulţi tranzistori pentru compensarea reducerii cauzate de reacţia negativă. Circuitul de mai jos constă dint trei etaje de amplificare în conexiune emitor comun cu reacţie negativă:

03321.png

Reacţia negativă de la etajul final înspre intrare se realizează prin intermediul unui singur rezistor, Rreacţie. Din moment ce fiecare etaj este un amplificator emitor comun (inversor), numărul impar de etaje dinspre intrare spre ieşire va inversa semnalul de ieşire, iar reacţia va fi negativă. Se pot folosi valori relativ mari de reacţie fără a sacrifica amplificarea în tensiune, deoarece această amplficare este foarte mare de la bun început.

La o privire de ansamblu, poate părea că această filozofie nu este elegantă şi este chiar contra-productivă. Nu este adăugarea de etaje unul după altul o metodă cam grosolană de evitare a pierderilor de amplificare în tensiune, datorită utilizării reacţiei negative? Ce rost are să creăm o amplificare în tensiune foarte mare, folosind trei etaje de amplificare, dacă vom atenua oricum această amplificare prin intermediul reacţiei negative? „Rostul” acestei configuraţii este creşterea stabilităţii şi a predicabilităţii circuitului, luat ca întreg. Dacă cele trei etaje de amplificare sunt proiectate pentru furnizarea unei amplificări în tensiune foarte mari (zeci de mii, sau chiar mai mult), fără reacţie, vom descoperi că adăugarea reacţiei negative în circuit se traduce printr-o dependenţă mult mai mică a amplificării în tensiune faţă de amplificările fiecărui etaj în parte; amplificarea în tensiune va fi aporiximativ egală cu simplul raport Rreacţie/Rintrare. Cu cât circuitul prezintă o amplificare în tensiune mai mare (fără reacţie), cu atât amplificarea în tensiune va fi mai apropiată de Rreacţie/Rintrare odată ce este introdusă şi reacţia în circuit. Cu alte cuvinte, amplificarea în tensiune a acestui circuit depinde doar de valorile celor doi rezistori, şi de nimic altceva.

Acest lucru este un avantaj imens pentru produţia de serie a circuitelor electronice: dacă se pot construi amplificatoare cu o amplificare previzibilă folosind tranzistori cu factori beta diferiţi între ei, selecţia şi înlocuirea componentelor este foarte uşoară. Înseamnă de asemenea că amplificarea variază foarte puţin cu temperatura. Acest principiu de stabilizare a amplificării este dus la extrem în cazul amplificatoarelor operaţionale. p>