Introducere in circuite electrice si electronice

< Electronică Analogică

5 Dispozitive multijonctiune

5.1 Histerezis

Dispozitivele multijoncţiune sunt o clasă de componente semiconductoare cu histereză, o proprietate prin care un sistem nu se reîntoarce la starea sa iniţială după ce acţiunea perturbatoare este îndepărtată. Un exemplu foarte simplu de histereză îl constituie un întrerupător mecanic: atunci când braţul este apăsat, acesta se va poziţiona în una din cele două poziţii extreme şi va rămâne în acestă poziţie chiar şi după ce forţa exterioară este indepărtată.

Tranzistoarele bipolare cu joncţiune, cele cu efect de câmp şi cele cu efect de câmp cu poartă izolată sunt toate dispozitive fără histereză. Acest lucru înseamnă că ele nu se „prind” într-o anumită stare după ce aplicarea tensiunii sau a curentului exterior încetează. Oricare ar fi semnalul de intrare al dispozitivului într-un anumit moment, acesta va prezenta un răspuns de ieşire previzibil, aşa cum este el definit de curba sa caracteristică. Dispozitivele multijoncţiune, pe de altă parte, sunt dispozitive semiconductoare ce tind să rămână pornite odată ce au fost pornite şi invers, oprite odată ce au fost oprite. O acţiune momentană poate duce la trecerea dispozitivelor dintr-o stare în alte, stare în care vor rămână şi după ce acţiunea externă încetează. Prin urmare, aceste dispozitive sunt folositoare doar ca şi întrerupătoare şi nu pot fi folosite pe post de amplificatoare.

Dispozitivele multijoncţiune sunt construite folosind aceeiaşi tehnologie precum a tranzistoarelor bipolare, şi pot fi de fapt analizate ca şi circuite compuse din perechi de tranzistoare. Cum poate atunci un dispozitiv cu histereză să fie construit din dispozitive ce nu prezintă această proprietate? Răspunsul este de data de reacţia pozitivă. Acestă reacţie tinde să satureze dispozitivul.

5.2 Tuburi electronice cu descărcare în gaze

Înainte de a studia însă Dispozitivele multijoncţiune, este indicat să luăm în considerare şi predecesorul tehnologic al acestora, şi anume, tuburile electronice cu descărcare în gaze.

Putem vedea histereza electrică pe viu în cazul fulgerelor. Acţiunea vântului puternic şi a ploii duce la acumularea de sarcini electrice imense între nori şi pământ şi chiar şi între nori. Dezechilibrul de sarcină electrică se manifestă sub formă de diferenţa de potenţial, sau tensiune electrice, iar când rezistenţa electrică a aerului nu mai poate face faţă acestor tensiuni înalte, vor apărea cantităţi mari şi de scurtă durată de curent între polii opuşi ai sarcinilor electrice, fenoment ce poartă numele de fulger.

Acumularea tensiunilor înalte sub acţiunea vântului şi a ploii este un proces aproximativ continuu, rata acumulărilor de sarcină crescând atunci când condiţiile atmosferice sunt prielnice. Cu toate acestea, fulgerele nu sunt un fenomen continuu: acestea există sub forma curenţilor mari şi de scurtă durată. De ce se întâmplă acest lucru? De ce nu vedem arcuri electrice de lungă durată dar de o intensitate mai redusă? Răspunsul se regăseşte în rezistenţa neliniară a aerului.

În condiţii normale, aerul posedă o rezistenţa electrică extrem de mare, atât de mare încât o considerăm de obicei ca fiind infinită iar conductivitatea prin aer aproape neglijabilă. Prezenţa apei şi a prafului scade rezistenţa acestuia, dar practic, acesta rămâne tot un dielectric. Atunci când se aplică o tensiune suficient de mare între două puncte separate de aer, proprietăţile electrice ale acestuia suferă unele modificări: electronii sunt „smulşi” de pe poziţiile lor normale şi de pe atomii lor respetivi, eliberarea lor constituind un curent. În această stare, aerul este considerat ca fiind ionizat şi poartă numele de plasmă şi nu de gaz, a patra stare a materiei, pe lângă cea solidă, lichidă şi gazoasă. Plasma este un conductor relativ bun de electricitate, rezistivitatea acestia fiind mult mai mică decât cea a aceleiaşi substanţe sub formă gazoasă.

Pe măsură ce curentul trece prin plasmă, va exista o energie disipată prin plasmă sub formă de căldură, la fel ca şi în cazul curentului printr-un rezistor solid. În cazul fulgerelor, temperaturiile sunt extrem de mari. Aceste temperaturi ridicate sunt la rândul lor suficiente pentru transformarea aerului din forma gazoază în plasmă sau pentru menţinerea plasmei în acea stare fără prezenţa tensiunilor înalte. Pe măsură ce diferenţa de potenţial dintre nori sau dintre nor şi pământ scade datorită echilibrării sarcinilor electrice, căldura degajată de fulger menţine drumul dintre cele două acumulări de sarcină în stare de plasmă, iar rezistenţa este prin urmare scăzută. Fulgerul rămâne sub formă de plasmă până în momentul în care tensiunea scade suficient de mult încât să nu mai poată susţine un curent necesar disipării unei călduri suficient de mari. În final, aerul se reîntoarece în starea sa gazoasă iar curentul încetează; din acest moment, va reîncepe acumularea sarcinilor.

Putem observa că în acest caz, aerul prezintă histereză. Atunci când nu conduce electricitate, tinde să rămână un dielectric până în momentul în care acumularea de sarcini (tensiunea) trece de un anumit prag critic. După acest punct, aerul tinde să rămână un conductor (sub formă de plasmă) până când tensiune scade sub un anumit prag critic minim. Acest histerezis, combinat cu acumularea de tensiune datorită efectelor electrostatice ale vântului şi ploii, explică în mare comportamentul de scurtă durată şi intensitate mare a fulgerelor.

Din punct de vedere electronic, avem de a face cu un oscilator dinte de fierăstrău. Oscilatoarele sunt circuite electronice ce produc o tensiune alternativă dintr-o sursă de tensiune continuă. Un oscilator dinte de fierăstrău funcţionează pe principiul încărcării unui condensator şi descărcării bruşte ale acestuia de fiecare dată când tensiune atince un prag critic. Printre cele mai simple astfel de oscilatoare se numără un oscilator compus din trei componente (neincluzând sursa de putere de c.c): un rezistor, un condensator şi o lampă cu neon.

03189.png

Lămpile cu neon nu sunt altceva decât doi electrozi metalici într-un tub de sticlă etanş, separaţi de neonul din interior. La temperatura camerei, fără existenţa niciunei tensiuni aplicate pe cei doi electroci, lampa prezintă o rezistenţă infinită. Totuşi, dacă se depăşeşte o anumită tensiune de prag (această tensiune depinzând de presiunea gazului şi de geometria tubului), neonul se va ioniza (transforma în plasmă) iar rezistenţa sa va scădea brusc. În principiu, lampa cu neon prezintă aceleaşi caracteristici precum aerul în cazul fulgerelor.

Condensatorul din circuitul de mai sus se încarcă cu o rată exponenţială inversă, rată determinată de mărimea rezistorului. Atunci când tensiunea atunce pragul critic de tensiune al lămpii, lampa se va „aprinde” brusc şi va duce la descărcarea rapidă a condensatorului spre o tensiune mică. Odată descărcat, lampa se va „stinge” şi va permite reîncărcarea condensatorului. Rezultatul este o serie de „fulgere” de scurtă durată de la lampă, rata acestora fiind determinată de tensiunea bateriei, rezistenţa rezistorului, capacitatea condensatorului şi pragul critic de tensiune al lămpii.

Deşi lămpile cu descărcări în gaze, de genul celei de mai sus, sunt folosite de obicei ca şi surse de iluminat, proprietăţile lor de histereză pot fi folosite sub variante mult mai sofisticate, şi anume tuburile tiratron. Fiind de fapt o triodă, tiratronul poate fi pornit cu ajutorul unei tensiune de control mici aplicate între grilă şi catod, şi poate fi oprit prin reducerea tensiunii dintre anod şi catod.

03018.png

În principiu, tiratroanele erau versiuni controlate ale lămpilor cu neon, proiectate special pentru comutarea curentului pe sarcină. Punctul din interiorul simbolului indică faptul că acest dispozitiv este umplut cu gaz, spre deosebire de celelalte tuburi cu vid. În circuitul de sus tiratronul permite trecerea curentului prin sarcină într-o singură direcţie (observaţi polaritatea rezistorului) atunci când este pornit de către o tensiune de control de c.c. dintre grilă şi catod. Sursa de putere a sarcinii este în c.a., indicând modul în care dispozitivul este oprit: din moment ce tensiunea de c.a. trece periodic printr-o condiţie de 0 V, curentul prin sarcina alimentată în c.a. va atinge periodic o valoarea de 0 A. Această pauză scurtă dintre semi-perioade permite tubului să se răcească şi să se reîntoarcă în starea „oprit”. Conducţia va reîncepe doar dacă va exista o tensiune suficient de mare aplicată de sursa de putere în c.a. şi dacă sursa de c.c. o va permite.

Tensiunea de sarcină într-un astfel de circuit va arăta aproximativ precum în figura alăturată.

03190.png

Pe măsură ce tensiunea de c.a. creşte de la zero volţi spre primul vârf, tensiunea pe sarcină rămâne de zero volţi (curent de sarcină zero) până când este atinsă valoarea tensiunii de prag. În acel moment, tubul trece în starea „pornit” şi începe să conducă, tensiunea de sarcină fiind aceiaşi cu tensiunea sursei de alimentare în c.a. pentru restul perioadei. Chiar şi după ce forma de undă de c.a. scade sub valoarea tensiunii de prag, va mai exista tensiune pe sarcină, şi prin urmare şi curent. Acest lucru se datorează histerezei: dispozitivul rămâne în starea de conducţie (pornit) dincolo de punctul de pornire iniţial, continuând să conducă până în momentul în care tensiunea de alimentare scade spre aproximativ zero volţi. Datorită faptului că tiratroanele sunt dispozitive uni-direcţionale (precum diodele), căderea de tensiune pe sarcină în cazul semi-perioadei negative a semnalului de c.a. este zero. În circuitele practice, se vor folosi mai multe dispozitive aranjate sub forma unei punţi redresoare pentru a permite trecerea întregii forme de undă spre sarcină.

Tuburile tiratron au fost înlocuite complet de către componentele semiconductoare moderne, exceptând câteva aplicaţii speciale. Dispozitivele multijoncţiune moderne realizează însă acelaşi lucru precum dispozitivul prezentat mai sus: pornirea şi oprirea curenţilor prin intermediul histerezei.

5.3 Dioda Shockley

Primul dispozitiv din seria dispozitivele multijoncţiune pe care îl vom studia este o diodă cu patru straturi, cunoscută sub numele de diodă PNPN, sau dioda Shockley, după cel care a inventat-o, William Shockley. Acest dispozitiv nu trebuie confundat cu dioda Schottky, dispozitivul metal-semiconductor cunoscut pentru viteza mare de comutaţie. O reprezentare brută a diodei Shockely, reprezentare întâlnită adesea în manuale, constă din patru straturi de material semiconductor P-N-P-N, unul peste altul.

03192.png

Din păcate, această reprezentare nu explică deloc modul de funcţionare al acestui dispozitiv. Să considerăm aşadar o reprezentare alternativă a construcţiei dispozitivului în figura alăturată.

03193.png

Sub această reprezentare, dispozitivul pare a fi un set de tranzistori bipolari interconectaţi, unul de tip PNP iar celălalt de tip NPN. Utilizând simbolurile standard şi respectând concentraţiile dopărilor, dioda Shockley arată conform figurii alăturate.

03194.png

Să conectăm un astfel de dispozitiv la o sursă variabilă de tensiune pentru a observa comportamentul acestuia.

03195.png

Desigur, fără nicio tensiune aplicată, nu va exista niciun curent. O creştere iniţială a tensiunii nu va duce la apariţia niciuni curent datorită faptului că ambii tranzistori se vor afla în starea blocată. Pentru a înţelege motivul unui astfel de comportament, trebuie să înţelegem ce anume este necesar pentru trecerea unui tranzistor în faza de conducţie, şi anume, existenţa unui curent prin joncţiunea bază-emitor. Dar, după cum putem observa din diagramă. curentul de bază prin tranzistorul de jos este controlat de către tranzistorul de sus, iar curentul de bază al tranzistorului de sus este controlat de către tranzistorul de jos. Cu alte cuvinte, niciunl dintre tranzistori nu poate intra în starea de conducţie până când celălalt nu se află şi el în starea de conducţie.

Prin urmare, cum poate o diodă Shockley să conducă curent, dacă tranzistorii săi constituenţi se află tot timpul în starea de blocare? Răspunsul este dat de comportamentul tranzistorilor reali, spre deosebire de tranzistorii ideali. Un tranzistor bipolar real nu va conduce niciodată curent prin colecor fără existenţa unui curent de bază, indiferent de valoarea tensiunii aplicate între colector şi emitor. Tranzistorii reali pe de altă parte, posedă limite finite ale valorilor tensiunii colector-emitor pe care aceştia le pot susţine înainte de a intra în starea de conducţie. Cu alte cuvinte, peste o anumită valoare a tensiunii colector-emitor, tranzistorul va intra în starea de conducţie, indiferent de curentul de bază. Dacă doi tranzistori sunt conectaţi în acest mod pentru formarea unei diode Shockley, fiecare dintre ei va conduce dacă se va aplica o tensiune suficient de mare de către bateria dintre anod şi catod. Odată ce unul dintre tranzistori intră în starea de conducţie, acesta va duce la apariţia unui curent de bază prin celălalt tranzistor, ducând la funcţionarea normală a acelui tranzistor, ceea ce duce la apariţia unui curent de bază prin tranzistorul iniţial. Rezultatul final este că ambii tranzistori se vor satura, menţinându-se unul pe celălalt în conducţie.

Prin urmare, putem forţă intrarea în conducţie a unei diode Shockley prin aplicarea unei tensiuni suficient de mari între anod şi catod. După cum am văzut, acest lucru va duce inevitabil la pornirea unuia dintre tranzistor, ceea ce duce la rândul său şi la pornirea celuilalt tranzistor şi „agăţarea” ambilor tranzistori în starea de conducţie, acolo unde vor şi rămâne. Dar cum putem opri cei doi tranzistori acum? Chiar dacă tensiunea aplicată este redusă cu mult sub punctul necesar intrării în conducţie a diodei, aceasta va rămâne în starea de conducţie datorită faptului că prin ambii tranzistori există acum un curent de bază suficient pentru menţinerea conducţiei controlate. Răspunsul este reducerea tensiunii aplicate sub un nivel mult mai mic, astfel încât valoarea curentului să fie mai mică decât valoarea necesară polarizării directe a tranzistorilor, punct în care unul dintre tranzistori va intra în starea de blocare, ducând la oprirea curentului prin baza celulilalt tranzistori şi intrarea ambilor în starea de blocare iniţială.

Dacă trecem această serie de evenimente pe un grafic curent-tensiune, histerezisul este evident. Iniţial, observăm circuitul atunci când sursa de tensiune de c.c. (bateria) este de zero volţi.

03196.png

Următorul pas este creşterea treptată a tensiunii de c.c. aplicate. Curentul prin circuit este zero sau foarte apropiat de această valoare, datorită faptului că limita de intrare în conducţie a tranzistorului nu a fost atinsă pentru niciunul din cele două dispozitive.

03197.png

Atunci când limita de străpungere a unuia dintre tranzistori este atinsă, acest lucru va duce la apariţia unui curent prin colector chiar şi fără existenţa unui curent de bază prin acesta. În mod normal, un astfel de scenariu ar distruge un tranzistor bipolar cu joncţiune, dar joncţiunile PNP ale unei diode Shockley sunt proiectate să suporte acest tip de abuz, într-un mod similar diodelor Zener, ce suporta tensiuni de străpungere inverse fără a se distruge. De dragul exemplificării, vom presupune că tranzistorul inferior este cel care va intra prima dată în conducţie, ducând la apariţia unui curent de bază prin tranzistorul superior.

03198.png

După ce tranzistorul de sus primeşte un curent de bază, şi acesta va intra în conducţie. Acest fapt duce la intrarea în conducţie normală (existenţa curentului de bază) şi a tranzistorului de jos, ambii tranzistori rămânând în starea de conducţie. Curentul prin circuit trece rapid la valoarea maximă.

03199.png

Reacţia pozitivă este evidentă în această situaţie. Atunci când are loc străpungerea unuia dintre tranzistori, acest lucru duce la existenţa unui curent prin întreaga structură. Acest curent poate fi considerat semnalul de ieşire al dispozitivului. Odată ce s-a stabilit un curent de ieşire, acesta tinde să menţină ambii tranzistori în saturaţie, asigurqnd continuitatea unui curent de ieşire substanţial. Cu alte cuvinte, curentul de ieşire este reintrodus la intrare (curentul de bază al tranzistorului) pentru menţinearea ambilor tranzistori în starea de conducţie.

Cu ambii tranzistori menţinuţi într-o stare de saturaţie prin prezenţa unui curent de bază substanţial, fiecare va continua să conducă chiar şi atunci când tensiunea aplicată este redusă mult sub nivelul de străpungere iniţial. Efectul reacţiei pozitive este de menţinere a ambilor tranzistori într-o stare de saturaţie în ciuda pierderii semnalului de intrare iniţial (tensiunea necesară străpungerii unuia dintre tranzistori).

03200.png

Dacă tensiunea sursei de alimentare în c.c. scade la o valoare mult prea mică, circuitul va atinge eventual un punct în care curentul nu va fi suficient pentru menţinerea ambilor tranzistori în starea de conducţie. Pe măsură ce curentul de colector al unuia dintre tranzistori scade tot mai mult, va duce la scăderea curentului de bază prin celălalt tranzistori, fapt ce duce la reducerea curentului de bază prin primul tranzistor. Acest cerc vicios continuă rapid până în momentul în care ambii tranzistori intră în starea de blocare.

03201.png

Din nou putem vedea efectele reacţiei pozitive: faptul că ciclul cauză-efect dintre cei doi tranzistori este „vicios” (a descreşte a curentului prin unul dintre ei duce la descreşterea curentului prin celălalt, ceea ce duce la rândul său la o nouă descreştere a curentului prin primul tranzistor) indică o relaţie pozitivă dintre ieşire (curent controlat) şi intrare (curent de control prin baza tranzistorilor).

Curba graficului rezultată este un exemplu clasic de histereză: pe măsură ce semnalul de intrare (tensiune) creşte şi descreşte, ieşirea (curent) nu urmăreşte aceiaşi cale la creşterea şi descreşterea acesteia.

03202.png

Pe scurt, dioda Shockley tinde să rămână în stare de conducţie odată ce a fost pornită şi în stare blocată o dată ce a fost oprită. Nu există un mod de operare între aceste două extreme şi nu există o zonă activă de funcţionare precum în cazul tranzistoarelor bipolare de exemplu: acesta este undispozitiv pur oprit-pornit, asemenea tuturor dispozitivelor semiconductoare multijoncţiune.

5.4 DIAC-ul

Şi diodele Shockley sunt dispozitive unidirecţionale, la fel ca toate diodele: acestea conduct curentul doar într-o singură direcţie. Dacă dorim în schimb functionarea bidirectională (c.a.), putem folosi două diode Shockley, conectate în paralel şi având direcţii opuse pentru a forma un nou dip de dispozitiv multijoncţiune, şi anume, DIAC-ul.

03204.png

DIACU-ul se comportă asemeni unei diode Shockley atunci când tensiunea la bornele sale este o tensiune de curent continuu. Cu o tensiuen de curent alternativ însă, comportamentul este puţin diferit. Datorită inversării periodice a direcţiei curentului alternativ, DIAC-ul nu se va agăţă într-un dintre stările pornit/oprit mai mult de o semi-perioadă. Dacă Dacă DIAC-ul va intra în starea de conducţie, acesta va continua să conducă curent atâta timp când tensiunea disponibilă este suficientă pentru susţinerea unui curent suficient de mare în acea direcţie. La inversarea polarităţii tensiunii de c.a., DIAC-ul va intra în starea de blocare datorită unui curent insuficient pentru menţinerea acestuia în starea de conducţie, necesitând o nouă străpungere înainte de a putea conduce din nou. Rezultatul este o formă de undă asemănătoarea cu cea din figura alăturată.

03205.png

DIAC-ul nu este aproape niciodată folosit singur ci combinat cu alte dispozitive multijoncţiune.

5.5 Tiristorul

Diodele Shockley sunt dispozitive interesante, dar aplicaţiile lor sunt limitate. Utilitatea lor poate fi extinsă prin echiparea lor cu o altă modalitate de agăţare. Dispozitivele astfel rezultate sunt dispozitive de amplificare în adevăratul sens al cuvântului, chiar dacă singurele stări existente sunt pornit şi oprit. Aceste dispozitive poartă numele de tiristoare.

Trecerea de la dioda Shockley la tiristor se realizează cu o singură modificare, şi anume, adăugarea unui al treilea contact structurii PNPN existente.

03206.png

Dacă poartă unui tiristor nu este conectată în circuit, dispozitivul se comportă exact ca o diodă Shockley. Totuşi, datorită faptului că poarta este conectată direct la baza tranzistorului inferior, aceasta poate fi folosită ca şi alternativă la pornirea dispozitivului. Prin aplicarea unei tensiuni reduse între poartă şi catod, tranzistorul inferior va fi forţat să intre în starea de conducţie datorită curentului de bază rezultat, ceea ce va duce la intrarea în conducţie şi a tranzistorului superior ce va furniza la rândul lui un curent de bază către tranzistorul inferior, curent suficient de mare astfel încât tensiunea pe poartă nu mai este necesară pentru rămânerea dispozitivului în starea de conducţie. Curentul necesar pentru pornirea dispozitivului va fi desigur mult mai mic decât curentul prin tiristor dinspre catod spre anod, astfel încât există un anumit nivel de amplificare existent în circuit.

Această metodă de intrare a tiristorului în conducţie poartă numele de aprindere, şi este cea mai folosită metodă de „agăţare” a dispozitivului în practică. De fapt, tiristoarele sunt de obicei astfel alese încât tensiune de străpungere este mult mai mare decât cea mai mare valoare a tensiunii existente în circuit, astfel încât acestea sa nu poate fi pornite decât printr-o aprindere intenţionată.

Trebuie menţionat că în unele cazuri, stingerea tiristorului se poate realiza prin conectarea directă dintre poartă şi catod, sau prin „aprinderea inversă” a porţi cu o tensiune negativă (faţă de catod), astfel incât tranzistorul inferior este forţat să intre în starea blocată. Acest lucru este posibil doar în unele cazuri deoarece implică şuntarea întregului curent de colector al tranzistorului superior faţă de baza tranzistorului inferior. Acest curent poate să fie substanţial, implicând o stingere dificilă a tiristorului. O variaţie a tiristorului simplu o constituie tiristorul cu stingere pe poartă, sau tiristorul GTO. Dar chiar şi în acest caz, curentul pe poartă necesar stingerii dispozitivului poate urca până la o valoare de 20% din curentul sarcinii. Simbolul tiristorului GTO este prezentat în figura alăturată.

03276.png

Singura diferenţa dintre cele două tipuri de tiristoare sunt detaliile proiectării acestora. În cazul GTO-ului, tranzistorul NPN posedă un factor de amplificare în curent β mai mare decât tranzistorul PNP. Acest lucru permite unui curent pe poartă mult mai mic (direct sau invers) să exercită un grad de control mult mai mare asupra conducţiei dintre catod şi anod, agăţarea tranzistorului PNP fiind mult mai dependentă de tranzistorul NPN şi invers.

Un test rudimentar prin care se poate verifica un tiristor poate fi realizat cu ajutorul unui ohmmetru. Datorită faptului că intern, conexiunea dintre poartă şi catod reprezintă o singură joncţiune PN, un aparat de măsură ar trebui să indice o continuitate între aceste terminale, atunci când sonda roşie este conectată pe poartă iar sonda neagră pe catod.

03207.png

Toate celelaltă măsurători de continuiate vor indica un circuit deschis („OL” pe afişajul multimetrului). Trebuie înţeles că acesta este un test foarte crud al tiristorului. Este posibil ca indicaţia ohmmetrului să fie bună dar tiristorul să fie totuşi defect. Până la urmă, singura modalitate de testare a unui tiristor este supunerea acestuia unui curent de sarcină.

Dacă folosiţi un multimetru echipat cu funcţia „verificare diodă”, tensiunea joncţiunii poartă-catod s-ar putea să nu corespundă celei prevăzute de o joncţiune PN de siliciu (aproximativ 0,7 V), fiind mult mai mică. Acest lucru se datorează rezistorului intern conectact în cazul unor tirtistoare între poartă şi catod . Acest rezistor este introdus pentru a preveni aprinderea accidentală datorată creşterii bruşte şi de scurtă durată a tensiunii din cauza zgomotului prezent în circuit sau datorită descărcării sarcinilor electrice statice. Cu alte cuvinte, având un rezistor conectat între joncţiunea poartă-catod, necesită un semnal de aprindere mult mai mare (curent substanţial) pentru a porni tiristorulu. Această caracteristică se regăseşte în cazul tiristoarelor mari şi nu în cazul celor mici. Trebuie menţionat faptul că un tiristor echipat cu un rezistor intern între poartă şi catod va indica o continuitate în ambele direcţii ale acestor terminale.

03324.png

Tiristoarele „normale”, fără rezistor intern, poartă câteodată numele de tiristoare cu poartă sensibilă, datorită faptului că acestea pot fi foarte uşor aprinse printr-un semnal pozitiv mic pe poartă.

Circuitul de test al tiristorului reprezintă atât un instrument de diagnosticare al tiristoarelor suspecte cât şi o modalitate excelentă de înţelegere a funcţionării de bază ale acestora. Se utilizează o sursă de tensiune de c.c. şi două butoane folosite pentru aprinderea şi stingerea tiristorului.

03208.png

Acţionarea întrerupătorului normal-deschis duce la conectarea porţii la anod, permiţând trecerea curentului dinspre terminalul negativ al bateriei, prin joncţiunea PN catod-poartă, prin întrerupător, prin rezistorul de sarcină şi înapoi la baterie. Acest curent prin poartă ar trebui să forţeze aprinderea tiristorului, permiţând trecerea curentului dinspre catod direct spre anod fără a mai fi nevoie de un curent prin poartă. Când întrerupătorul normal-deschis revine la poziţia sa iniţială (deschisă), sarcina va rămâne energizată.

Acţionarea întrerupătorului normal-închis duce la deschiderea circuitului, forţând încetarea curentului prin tiristor şi implicit stingerea acestuia.

Dacă aprinderea tiristorului nu are loc, se poate ca problema să fie sarcina şi nu tiristorul. Pentru menţinerea tiristorului în stare de conducţie este necesară o anumită valoare minimă a curentului prin acesta. Această valoare minimă poartă numele de curent de menţinere. O sarcină cu o rezistenţa mult prea mare nu va putea permite existenţa unui curent suficient de mare pentru menţinerea tiristorului în stare de conducţie la încetarea curentului pe poartă, dând impresia unui tiristor stricat în circuitul de test. Valorile curenţilor de menţinere pentru diferiţi tiristori sunt disponibile de la producători. Valorile tipice se situează în jurul a 1 mA-50 mA, sau mai mult pentru tiristorii mai mari.

Testul nu este însă complet dacă nu se verifică şi limita tensiunii de străpungere directe a tiristorului prin creşterea tensiunii sursei de c.c. (fără acţionarea întrerupătorului normal-deschis) până în momentul în care tiristorul intră în conducţie fără existenţa unui curent pe poartă. Atenţie însă, un astfel de test s-ar putea să necesite o tensiune extrem de mare: majoritatea tiristoarelor de putere au o tensiune de străpungere de 600 V sau chiar mai mult !

În această formă simplă, circuitul de test al tiristorului poate fi folosit pe post de circuit de control al pornirii/opririi unui motor, lampă sau orice altă sarcină practică.

03209.png

5.5.1 Circuit de protecţie crowbar

O altă utilizare practică a unui tiristor într-un circuit de c.c. o reprezintă un dispozitiv crowbar pentru protecţia la supratensiune. Un circuit crowbar este compus dintr-un tiristor conectat în paralel cu ieşirea unei surse de tensiune de c.c.; scopul este plasarea unui scurt-circuit pe ieşirea sursei de tensiune pentru prevenirea unei tensiuni excesive pe sarcină. Distrugerea tiristorului şi a sursei de tensiune se poate preveni prin amplasarea unei siguranţe fuzibile sau a unei rezistentenţe serie considerabile înaintea tiristorului pentru limitarea curentului de scurt-circuit. În figura alăturată, circuitul de aprindere al tiristorului este omis pentru simplitate.

03210.png

Se poate utiliza un dispozitiv sau un circuit de detectare a tensiunii de ieşire pe poarta tiristorului, astfel încât, în momentul apariţiei unei supra-tensiuni, se va aplica o tensiune între poartă şi catod, tensiune ce duce la aprinderea tiristorului şi arderea siguranţei fuzibile. Efectul este aproximativ similar cu aşezarea unei răngi solide de fier (din engl. crowbar) direct între terminalele de ieşire ale sursei de tensiune, de aici şi denumirea circuitului.

Majoritatea aplicaţiilor tiristoarelor însă sunt pentru controlul circuitelor de putere în c.a., chiar dacă aceste dispozitive sunt uni-direcţionale (dispozitive de c.c.). În cazul curenţilor bidirecţionali, se pot utiliza mai multe tiristoare în acelaşi circuit. Principalul motiv pentru care tiristoarele sunt folosite pentru circuitele de putere în c.a. este răspunsul unic al acestora faţă de curentul alternativ. După cum am vazut şi în cazul tiratronului şi al DIAC-ului, aceste dispozitive intră în starea de conducţie peste un anumită valoare a formei de undă alternative şi rămâne în această stare pentru tot restul semi-perioadei, până în momentul în care curentul scade la zero. Cu puţin înainte de trecerea prin zero a formei de undă de curent, tiristorul va intra în starea blocată datorită curentului prea mic (acest comportament mai poartă numele şi de comunaţie naturală) şi va trebui re-pornit (re-aprins) în următoarea semi-perioadă. Rezultatul este o formă de undă a curentului echivalentă cu o undă sinusoidală „tăiată”. Graficul formei de undă al DIAC-ului ca şi răspuns la o tensiune de c.a a cărei vârf depăşeşte tensiunea de străpungere este reluat în figura alăturată.

03205.png

În cazul DIAC-ului, acea tensiune de străpungere are o valoare fixă. În cazul tiristoarelor, putem controla exact momentul în care dispozitivul intră în starea de conducţie prin aprinderea porţii în orice moment de-a lungul formei de undă. Prin conectarea unui circuit de control adecvat pe poarta tiristorului, putem „tăia” unda sinusoidală în orice punct; rezultatul este un tiristor comandat în timp.

Să considerăm circuitul alăturat, de exemplu. În acest caz, un tiristor este conectate într-un circuit ce controlează puterea pe o sarcină de la o sursă de curent alternativ.

03211.png

Fiind un dispozitiv uni-direcţional, tot ceea ce poată să realizeze este să transmită doar o semi-perioadă spre sarcină. Totuşi, pentru a putea demonstra conceptul de comandă a tiristorului, acest circuit simplu este mai bun decât un circuit folosind două tiristoare pentru comanda întregii forme de undă.

Fără existenţa unui semnal pe poartă şi cu valoarea tensiunii c.a. mult sub tensiunea de străpungere a tiristorului, dispozitivul nu va intra niciodată în starea de conducţie. Conectând poarta tiristorului la anod prin intermediul unei diode redresoare standard (pentru prevenirea curentului invers prin poartă în cazul în care tiristorul posedă un rezistor intern între poartă şi catod), va permite pornirea tiristorului aproape instant la începutul fiecărei semi-perioade pozitive.

03212.png

Putem întârzia pornirea tiristorului prin introducerea unei rezistenţe în circuitul porţii, rezistenţă ce creşte valoarea căderii de tensiune necesară pe poartă. Cu alte cuvinte, dacă mărim rezistenţa la care sunt supuşi electronii în drumul lor către poartă, tensiunea de c.a. va trebui să atingă un punct mai mare în cadrul semi-alternanţei pentru a crea un curent suficient de mare necesar aprinderii tiristorului.

03213.png

Odată cu tăierea alternanţei pozitive a undei sinusoidale la un nivel mai mare decât în cazul precedent prin îtârzierea intrării în conducţie a tiristorului, puterea medie pe sarcină este mai mică. Dacă înlocuim rezistorul fix din circuitul porţii cu un rezistor variabil, putem controla puterea pe sarcină în timp. Creşterea rezistenţei duce la creşterea pragului de aprindere, ducând la o putere mai mică pe sarcină şi invers.

03214.png

Din păcate, acest circuit are un neajuns destul de mare. Folosind semnale de curent alternativ pentru aprinderea tiristorului, controlul asupra dispozitivului este limitat pe prima jumătat a alternanţei pozitive. Cu alte cuvinte, nu putem amâna pornirea tiristorului până după atingerea vârfului formei de undă. Astfel că putem opri puterea pe sarcină doar până în punctul maxim în care tiristorul intră în conducţie, punct situat spre vârful formei de undă. În figura alăturată circuitul este setat la puterea minimă la care sarcina poate fi alimentată în această configuraţie.

03215.png

Dacă în această situaţie vom continua să mărimi pragul de aprindere, tiristorul nu va mai intra deloc în conducţie, din moment ce nici măcar vârful formei de undă de c.a. nu va mai fi necesar pentru aprinderea tiristorului. Rezultatul este lipsa totală a puterii pe sarcină.

O soluţie ingenioasă la această problemă constă în introducerea unui condensator pentru modificarea fazei în circuit.

03216.png

Forma de undă de amplitudine mai mică reprezintă căderea de tensiune la bornele condensatorului. Pentru simplitatea exemplificării, presupunem o rezistenţă de comandă maximă, adică tiristorul nu va intra deloc în conducţie iar curentul pe sarcină va fi zero exceptând un curent foarte mic ce trece prin rezistorul de comandă şi prin condensator. Căderea de tensiune pe acest condensator va fi defazată cu un unghi între 0o şi 90o în urma undei de c.a. Atunci când această tensiune defazată va atinge un nivel suficient de mare, tiristorul va intra în conducţie.

Cu o cădere de tensiune suficient de mare la bornele condensatorului pentru aprinderea periodică a tiristorului, rezultatul formei de undă a sarcinii va fi aproximativ cel alăturat.

03217.png

Datorită faptului că forma de undă a condensatorului se află în creştere chiar şi după ce forma de undă a c.a. şi-a depăşit vârful şi este în scădere, aprinderea tiristorului este posibilă la un prag ce se situează dincolo de acest vârf, reuşindu-se tăierea formei de undă dincolo de limita maximă admisă de configuraţia precedentă. În realitate, forma de undă a tensiunii condensatorului este puţin mai complexă decât este prezentat aici, forma sa sinusoidală fiind distorsionată de fiecare dată când tiristorul intră în conducţie.

Tiristoarele pot fi aprinse cu ajutorul unor circuite mult mai complexe. Chiar dacă circuitul precedent este suficient pentru o aplicaţie simplă precum comanda unei lămpi, comanda motoarelor electrice industriale necesită metode mult mai sofisticate de aprindere. Câteodată se pot folosi transformatoare de impulsuri pentru cuplarea unui circuitu de aprindere pe poarta şi catodul tiristorului pentru asigurarea izolaţiei electrice dintre aprindere şi circuitele de putere.

03218.png

Atunci când se folosesc mai multe tiristoare pentru comanda puterii pe sarcină, adesea catozii nu sunt comuni din punct de vedere electric, făcând dificilă conectarea unui singur circuit de aprindere pentru toate tiristoarele. Un astfel de exemplu îl reprezintă un redresor în punte comandat cu tiristoare.

03219.png

În oricare circuit redresor în punte, diodele redresoare (în acest caz, tiristoarele) trebuie să conducă în perechi opuse: T1 şi T3 trebuie aprinse simultan; acelaşi lucru este valabil şi pentru perechea T2 - T4. După cum putem vedea însă, aceste perechi de tiristoare nu posedă aceleaşi conexiuni ale catozilor, ceea ce înseamnă că nu putem pur şi simplu să utilizăm o singură sursă de tensiune pentru aprinderea ambelor dispozitive, precum în figura alăturată.

03220.png

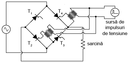
Deşi sursa de impulsuri de tensiune prezentată mai sus va produce aprinderea tiristorului T4, tiristorul T2 nu se va aprinde corespunzător datorită faptului că cele două tiristoare nu au o conexiune comună a catozilor, conexiune utilizată ca şi punct de referinţă al tensiunii de aprindere. Folosind transformatoare de impulsuri pentru conectarea porţilor celor două tiristoare la o sursă de impulsuri de tensiune continuă, va produce rezultatul aşteptat, aprinderea simultană a celor două dispozitive.

03221.png

Trebuie menţionat faptul că acest circuit prezintă doar conexiunile porţilor tiristoarelor T2 şi T4. Transformatoarele de impulsuri şi sursele de tensiune pentru tiristoarele T1 şi T3, la fel şi detaliile surselor de impulsuri de tensiune, au fost omise pentru simplitatea prezentării.

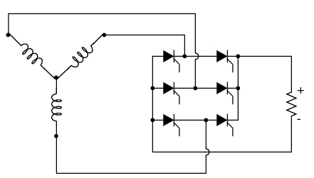
Redresoarele comandate în punte cu tiristoare pot fi folosite şi pentru redresarea tensiunilor trifazate. Un astfel de redresor este prezentat în figura alăturată, fără a include şi transformatoarele de impulsuri şi circuitele de aprindere.

03222.png

5.6 TRIAC-ul

TRIAC-ul nu este altceva decât două tiristoare în paralel aşezate spate în spate.

03223.png

Deoarece tiristoarele individuale sunt mult mai flexibile într-un sistem de control, acestea sunt adesea întâlnite în aplicaţiile cu motoare electrice. TRIAC-ele sunt de obicei folosite în aplicaţii mai simple, de putere mică, precum dimmer-ele. Un astfel de circuit simplu, pentru controlul unei lămpi, este prezentat în figura alăturată. De observat că acest circuit include şi condensatorul de defazare necesar pentru aprinderea dispozitivului dincolo de valoarea de vârf a formei de undă de c.a.

03224.png

Triacele sunt recunoscute pentru aprinderea lor nesimetrucă. Acest lucru înseamnă că tensiunea de străpungere este diferită pentru fiecare din cele două polarităţi a formei de undă. De obicei, acest lucru nu este de dorit, datorită faptului că rezultatul aprinderii nesimetrice a dispozitivului înseamnă o formă de undă cu un conţinut armonic mai mare. Formele de undă simetrice faţă de axa orizontală sunt compuse doar din armonici impare. Formele de undă nesimetrice însă, conţin armonici pare, dar care pot fi, în funcţie de situaţie, acompaniate şi de armonici impare.

În interesul reducerii conţinutului aromoni al sistemelor de putere, cu cât numărul armonicilor este mai scăzut şi mai puţin diversificat, cu atât mai bine - un motiv în plus pentru care tiristoarele sunt preferate triacelor în sistemele de control complexe de putere mare. O modalitate de aducere a formei de undă de curent a triacului la o formă mai simetrică este utilizarea unui dispozitiv extern pentru declanşarea impulsurilor pe poartă. Acest lucru se poate realiza cu ajutorul unui diac.

03225.png

Tensiunile de străpungere ale diacelor tind să fie mult mai simetrice (aceeiaşi valoare pentru ambele polarităţi ale formei de undă) faţă de tensiunile triacelor. Din moment ce diacul împiedică orice curent pe poarta triacului până în momentul în care tensiunea de străpungere a atins un anumit nivel precus, repetabil în ambele direcţii, punctul de aprindere al triacului de la o semi-alternanţă la alta tinde să fie mult mai consistent, simetria formei de undă rezultată fiind mult îmbunătăţită faţă de axa orizontală.

Practic, toate caracteristicile tiristoarelor se aplică şi triacelor, cu excepţia faptului că triacele sunt dispozitive bidirecţionale (pot conduce curenţi în ambele direcţii). Nu este necesar prin urmare să facem alte observaţii cu privire la acest dispozitiv, cu excepţia modului de numerotare al terminalelor.

Din circuitul echivalent prezentat mai sus, s-ar putea înţelege faptul că terminalii 1 şi 2 se pot interschimba între ei. Acest lucru nu este însă corect! Cu toate că ne putem imagina triacul ca fiind compus din două tiristoare, adevărul este că acest dispozitiv este construit dintr-o singură bucată de material semiconductor, cu straturi şi dopaje corespunzătoare. Caracteristicele actuale de operare pot să difere uşor faţă de modelul echivalent format din două tiristoare.

Acest lucru poate fi scos în evidenţă considerând două circuite simple, unul funcţional, celălalt nefuncţional. Circuitele considerate sunt variante uşor modificate ale circuitului cu lampă prezentat mai sus, fără a lua în considerare condensatorul de defazaj. Cu toate că circuitul rezultat nu posedă acelaşi grad de control precum versiunea mai complexă (cu condensator şi diac), acesta este funcţional.

03226.png

Să presupunem acum că inversăm terminalii principali ai triacului între ei. Conform circuitului echivalent cu două tiristoare de mai sus, această modificare nu ar trebui să afecteze în niciun fel funcţionarea circuitului.

03227.png

Presupunerea noastră nu este însă corectă! Dacă ar fi să construim acest circuit, vom observa că el nu funcţionează. Puterea pe sarcină va fi zero, deoarece triacul nu va intra niciodată în starea de conducţie, indiferent ed valoarea rezistenţei de comandă. Aprinderea corectă a triacului se realizează asigurându-ne că poartă primeşte curentul de comandă de la terminalul principal A2. Identificarea terminalilor A1 şi A2 se face folosind catalogul producătorului.

5.7 Optotiristorul

Asemenea tranzistorilor bipolari, atât tiristoarele cât şi triacele se pot construi sub forma dispozitivelor sensibile la lumină; în acest caz, tensiunea de aprindere a dispozitivelor este înlocuită de acţiunea luminii.

Tiristoarele controlate cu ajutorul luminii sunt adesea cunoscute sub acronimul LASCR (Light Activated Silicon-Controlled Rectifier). Simbolul acestora este prezentat în figura alăturată.

03228.png

Triacele controlate cu ajutorul luminii nu au un acronim al lor, dar sunt cunoscute sub numele de opto-triace. Simbolul acestora este prezentat în figura alăturată.

03228.png