Introducere in circuite electrice si electronice

< Electronică Analogică

3 Dioda

3.1 Principiul de funcţionare

Dioda este un dispozitiv electric ce permite trecerea curentului doar într-o singură direcţie. Cea mai folosită diodă în circuitele electrice este cea semiconductoare, deşi există şi alte tehnologii (vezi fizica dispozitivelor semiconductoare!). Simbolul diodelor semiconductoare este prezentat în figura de mai jos (săgeţile indică deplasarea reală a electronilor prin diodă):

03246.png

La conectarea într-un circuit simplu, format dintr-o baterie şi o lampă, dioda fie va permite trecerea curentului spre lampă, fie o va bloca, în funcţie de polaritatea tensiunii aplicate.

03247.png

Atunci când polaritatea bateriei este asfel încât este permisă trecerea electronilor prin diodă, spunem că dioda este polarizată direct. Invers, când trecerea electronilor este blocată datorită inversării bateriei, spunem că dioda este polarizată invers. Putem să ne gândim la diodă ca la un întrerupător: „închisă”, când este polarizată şî „deschisă” când este polarizată invers.

Comportamentul diodei este analog comportamentului dispozitivului hidraulic denumit supapă de închidere. O supapă de închidere permite trecerea fluidului doar într-o singură direcţie:

03248.png

Supapele de închidere sunt de fapt dispozitive controlate cu ajutorul presiunii: acestea se deschid şi permit trecerea fluidului dacă „polaritatea” presiunii pe suprafaţă lor este corectă. Dacă „polaritatea” presiunii este de sens contrar, diferenţa de presiune pe suprafaţa valvei va duce la închiderea acesteia, iar curgerea fluidului nu mai este posibilă.

Acelaşi lucru este valabil şi în cazul diodelor, doar ca în acest caz presiunea este reprezentată de tensiune. Să reluăm circuitul de mai sus, dar folosind de această dată un aparat de măsură pentru determinarea căderilor de tensiune pe diferite componente ale circuitului.

03249.png

O diodă polarizată direct conduce curent şi prezintă o cădere mică de tensiune la bornele sale, asfel încât majoritatea tensiunii disponibile la bornele sursei de alimentare se regăseşte pe lampă (sarcină). Dacă polaritatea bateriei este inversată, dioda devine polarizată invers, şi toată tensiunea disponibilă la bornele sursei de alimentare se regăseşte pe diodă, iar căderea de tensiune pe sarcină va fi egală cu zero. Putem considera dioda ca fiind un întrerupător „automat” (se închide când este polarizat direct şi se deschide când este polarizat invers). Singura diferenţă notabilă este căderea de tensiune mult mai mare la bornele diodei (0.7 V), faţa de căderea de tensiune pe un întrerupător mecanic (câţiva mV).

Această cădere de tensiune de polarizare directă se datorează acţiunii zonei de golire formată de joncţiunea P-N sub influenţa tensiunii aplicate. Dacă nu există nicio tensiune aplicată la bornele diodei semiconductoare, eixstenţa zonei de golire înguste în jurul joncţiunii P-N previne apariţia curentului (figura de mai jos (a)). Purtătorii de sarcină aproape că lipsesc în zona de golire, şi prin urmare aceasta se comportă precum un izolator.

03250.png

Dacă dioda este polarizată invers, zona de golire se extinde şi blochează şi mai bine trecerea curentului prin dispozitiv.

03251.png

Dacă dioda este polarizată direct însă, zona de golire devine mult mai subţire (figura de mai jos (a), polarizare parţială), iar rezistenţa faţă de curent scade. Pentru funcţionarea corectă a diodei însă, zona de golire trebuie să dispară complet. Acest lucru se poate realiza prin aplicarea unei anumite tensiuni minime, denumită tensiune de polarizare directă (figura de mai jos (b)), care pentru diodele de siliciu este în mod normal 0.7 V, iar pentru cele de germaniu de doar 0.3 V.

03252.png

Căderea de tensiune la bornele diodei rămâne aproximativ constantă pentru o gamă largă de curenţi prin diodă. Pentru analiza circuitelor electronice simplificate, putem considera căderea de tensiune pe diodă ca fiind constantă (nu depinde de valoarea curentului prin diodă).

Ecuaţia exactă ce descrie curentul printr-o diodă poartă numele de ecuaţia diodei:

13047.png

Termenul q/KT descrie tensiunea produsă în joncţiunea P-N datorită acţiunii temperaturii, şi poartă numele de tensiune termică, sau Vt. La temperatura camerei, această temperatură este de aproximativ 26 mV. Cunoscând acest fapt, şi considerând factorul de idealitate ca fiind 1, putem simplifica ecuaţia de mai sus şi să ajungem la următoarea relaţie:

13048.png

Această ecuaţie nu trebuie neapărat luată în considerare la analiza circuitelor simple cu diode, ci este menţionată aici doar pentru a înţelege faptul că există o variaţie a căderii de tensiune la bornele diodei pentru diferite valori ale curenţilor prin diodă. Această variaţie este foarte mică, aceasta fiind şi motivul pentru care se consideră că, la bornele diodei, căderea de tensiune rămâne constantă la 0.7 (siliciu) sau 0.3 V (germaniu). Totuşi, unele circuite folosesc în mod intenţionat relaţia curent/tensiune a joncţiunii P-N, şi ele pot fi înţelese doar în contextul acestei ecuaţii. De asemenea, din moment ce temperatura este un factor în ecuaţia diodei, o joncţiune P-N polarizată direct poate fi folosită ca un dispozitiv de determinare a temperaturii, iar această utilizarea poate fi înţeleasă doar dacă înţelegem în primul rând ecuaţia diodei de mai sus.

Deşi o diodă polarizată invers, nu permite curentului să treacă prin ea datorită extinderii zonei de golire, în realitate există un mic curent de scurgere ce trece prin diodă chiar şi la polarizarea inversă, iar acest curent poartă numele de curent invers. Curentul invers poate fi însă ignorat pentru majoritatea aplicaţiilor. Dioda nu poate suporta o tensiune de polarizare inversă infinit de mare. Dacă această tensiune devine prea mare, dioda va fi distrusă datorită unei condiţii denumită străpungere. Această tensiune inversă maximă poartă numele de tensiune de străpungere (inversă), notată cu Vs. Tensiunea de străpungerea creşte odată cu creşterea temperaturii şi scade cu scăderea temperaturii - exact invers faţă de tensiunea de polarizare directă. Mai jos este prezentat graficul curent-tensiune al diodei:

03253.png

3.2 Verificarea diodei cu ajutorul ohmmetrului

Din moment ce o diodă nu este nimic altceva decât o valvă uni-direcţională de curent, putem verifica acest lucru folosind un ohmmetru alimentat în curent continuu (cu baterie). La conectarea diodei într-o anumită direcţie, aparatul de măsură ar trebui să indice o rezistenţă foarte mică (figura de mai jos (a)), iar la conectarea inversă, aparatul ar trebui să indice o rezistenţă foarte mare (figura de mai jos (b)). („OL” reprezintă o valoarea prea mare ce nu poate fi indicată de aparatul de măsură (din engl. Over-Limit); în acest caz, putem considera rezistenţa ca fiind infinită).

03254.png

Desigur, determinarea polarităţii diodei (care terminal este anodul şi care catodul) necesită ca în primul rând să cunoaştem care din sondele aparatului de măsură este cea pozitivă (+) şi care sondă este cea negativă (-), atunci când aparatul este trecut pe funcţia „Ω”. La majoritatea multimetrelor digitale, sonda roşie reprezintă terminalul pozitiv iar sonda neagră reprezintă terminalul negativ, atunci când aparatul setat pe măsurarea rezistenţelor. Totuşi, acest lucru nu este valabil pentru toate multimetrele, existând posibilitatea ca sonda neagră să fie pozitivă (+) şi cea roşie negativă (-).

Problema folosirii unui ohmmetru pentru verificarea unei diode, este că indicaţia afişajului are doar valoare calitativă, nu şi cantitativă. Cu alte cuvinte, un ohmmetru poate doar să ne spune dacă dioda funcţionează (dacă aceasta conduce curent), dar valoarea rezistenţei obţinute din măsurătoare nu ne este de niciun folos. Dacă un ohmmetru indică o valoare de 1.73 Ω la polarizarea directă, această valoarea nu este folositoare unui tehnician sau celui care proiectează circuitul. Această valoare nu reprezintă nici căderea de tensiune la polarizarea directă şi nici rezistenţa materialului semiconductor din diodă, ci este o mărime dependentă de ambele cantităţi şi variază substanţial în funcţie de ohmmetrul folosit pentru efectuarea citirii.

Din acest motiv, unele multimetre digitale sunt prevăzute cu o funcţie specială de „verificare a diodei” ce indică tensiunea reală de polarizare directă a diodei, în volţi, în loc de o rezistenţă în ohmi. Principiul de funcţionare a acestor aparate de măsură constă în forţarea unui curent mic prin diodă şi măsurarea căderii de tensiune dintre cele două borne ale diodei.

03256.png

Totuşi, valoarea tensiunii de polarizare directă indicată de aceste aparate va fi de obicei mai mică decât valoarea „normală” de 0.7 V, deoarece curent furnizat de aparatul de măsură prin diodă este foarte mic. Dacă nu avem la dispoziţie un multimetru cu funcţie de verificare a diodelor, sau dacă vrem să măsurăm tensiuena de polarizarea directă a diodei folosind un curent mai mare, putem realiza un circuit electric precum în figura de mai jos, folosind o baterie, un rezistor şi un voltmetru:

03257.png

3.3 Parametrii diodei

Pe lângă tensiunea de polarizare directă (Vf) şi tensiunea de străpungere (Vs), mai există mulţi alţi parametrii importanţi ai diodelor pentru proiectarea circuitelor şi alegerea componentelor. Producătorii de dispozitive semiconductoare oferă aceste specificaţii ale produselor în publicaţii denumite cataloage. Cataloagele producătorilor de componente pot fi găsite în cărţi de specialitate sau pe interne.

Pentru simplicarea explicaţiilor, am folosit în unele situaţii „tensiunea directă” în loc de „tensiunea de polarizare directă” sau „curentul direct” în loc de „curentul de polarizare direct”. Cele două exprimări sunt însă echivalente.

Principalele caracteristici ale diodelor, trecute în cataloage, sunt următoarele:

VRRM - tensiunea inversă repetitivă maximă, este tensiunea maximă inversă la care poate rezista dioda, atunci când această tensiune este atinsă în mod repetat. Ideal, această valoare ar fi infinită.

VR sau VDC - tensiunea maximă inversă de curent continuu, este valoarea maximă a tensiunii la care dioda poate funcţiona neîntrerupt, fără distrugerea acesteia. Ideal, această valoare a fi infinită.

VF - tensiunea (de polarizare) directă maximă, de obicei este specificată împreună cu valoarea curentului direct. Ideal, această valoare ar fi zero: ideal, dioda nu ar prezenta niciun fel de opoziţie în faţa deplasării electronilor. În realitate, tensiunea directă este descrisă de ecuaţia diodei.

IF(AV) - valoarea maximă (medie) a curentului direct, valoarea maximă medie a curentului pe care bobina o poate suportă la polarizarea directă. Această limitarea este practic o limitare termincă: câtă căldură poate „suporta” joncţiunea P-N, având în vedere că puterea disipată reprezintă produsul dintre curent şi tensiune, iar tensiunea de polarizare directă depinde atât de curent cât şi de temperatura joncţiunii. Ideal, această valoare ar fi infinită.

IFSM sau if(vârf) - curentul de polarizare directă maxim, reprezintă curentul de vârf maxim pe care dioda îl poate conduce la polarizare directă, fără ca aceast curent să ducă la distrugerea diodei. Din nou, această valoare este limitată de capacitatea termică a joncţiunii diodei, şi este de obicei mult mai mare decât valoarea curentului mediu datorită inerţiei termice. Ideal, această valoare ar fi infinită.

PD - puterea maximă disipată totală, reprezintă valoarea puterii (în watt) pe care dioda o poate disipa fără ca această putere să ducă la distrugerea diodei. Această valoare este limitată de capacitatea termică a diodei. Ideal, această valoare ar fi infinită.

TJ - temperatura de functionare a joncţiunii, reprezintă temperatura maximă admisă a joncţiunii P-N a diodei, valoare dată de obicei în ^{o}C. Căldura reprezintă punctul critic al dispozitivelor semiconductoare: acestea trebuie menţiunute la o temperatură cât mai apropiată de temperatura camerei pentru funcţionarea lor corectă şi o durată de funcţionare cât mai lungă.

TSTG - temperatura de depozitare, reprezintă valoarea temperaturii de stocare a diodelor (nepolarizate).

R(Θ) - rezistenţa termică, reprezintă diferenţa dintre temperatura joncţiunii şi temperatura aerului exteriori diodei (R(Θ)JA), sau dintre joncţiune şi contacte (R(Θ)JL), pentru o anumită putere disipată. Valoarea este exprimată în ^{o}C/W. Ideal, această valoare ar fi zero, ceea ce ar înseamna că învelişul (carcasa) diodei ar fi un conductor şi radiator termic perfect, fiind capabil să transfere energiea sub formă de căldură dinspre joncţiune spre mediul exterior (sau spre contacte) fără nicio diferenţă de temperatură existenţa în grosimea carcasei. O rezistenţă termică ridicată se traduce prin faptul că dioda va stoca o temperatură excesivă în jurul joncţiunii (punctul critic), în ciuda eforturilor susţinute de răcire a mediului exterior diodei; acest lucru duce la limitarea puterii maxime disipate.

IR - curentul maxim de polarizare inversă, reprezintă valoarea curentului prin diodă la polarizarea inversă şi aplicarea tensiunii de polarizare inversă maximă de curent continuu(VDC). Mai este cunoscut şi sub numele de curent de scăpări. Ideal, această valoare ar fi zero, deoarece o diodă perfectă ar bloca toţi curenţii atunci când este polarizată inversă. În realitate, această valoarea este mică în comparaţie cu valoarea curentului maxim de polarizare directă.

CJ - capacitatea tipică a joncţiunii, reprezintă capacitatea intrinsecă joncţiunii, datorită comportării zonei de golire precum un dielectric între anod şi catod. Această valoare este de obicei foarte mică, de ordinul picofarazilor (pF).

trr - timpul de revenire invers, reprezintă durata de timp necesară „stingerii” diodei atunci când tensiunea la bornele sale alternează între polarizare directă şi polarizare inversă. Ideal, această valoare ar fi zero: dioda se „stinge” imediat după inversarea polarităţii. Pentru o diodă redresoare tipică, timpul de revenire este de oridinul zecilor de microsecunde (ms); pentru o diodă de comutaţie rapidă, acest timp poate ajunge la doar câteva nanosecunde (ns).

Majoritatea acestor parametrii variază cu temperatura sau alte condiţii de operare, prin urmare, o singură valoarea nu poate descrie complet niciun parametru. Prin urmare, producătorii pun la dispoziţie grafice ale variaţiilor parametrilor cu temperatura (sau alte variabile).

3.4 Circuite redresoare

Cea mai populară aplicaţia e diodelor este redresarea. Pe scurt, redresarea reprezintă transformarea curentului alternativ în curent continuu. Acest lucru implică folosirea unui dispozitiv ce permite trecerea electronilor doar într-o singură direcţie, iar dioda realizează tocmai acest lucru.

Redresorul monoalternanţă

Cel mai simplu circuit de redresare îl reprezintă redresorul monoalternanţă. Acesta permite doar trecerea unei jumătăti a formei de undă de curent alternativ înspre sarcină:

03258.png

Pentru majoritatea aplicaţiilor de putere însă, redresarea monoalternanţă nu este suficientă. Conţinutul armonic al undei de ieşire este foarte mare şi prin urmare dificil de filtrat. Mai mult, sursa de tensiune alternativă este „văzută” de sursă doar odată la fiecare jumătate de perioadă, ceea ce înseamnă că mare parte din capacitatea sursei nu este folosită. Redresarea monoalternanţă este totuşi o modalitatea foarte uşoară de reducere a puterii generate pe o sarcină rezistive. Unele comutatoare cu rezistenţă reglabilă folosite la lămpi, aplică întreaga tensiune de curent continuu pe filamentul „lămpii” în poziţia „maxim”, şi doar o jumătate (folosind un redresor monoalternanţă) din tensiunea maximă disponibilă pe celalaltă poziţie, pentru o intensitate luminoasă mai scăzută:

03259.png

Când întrerupătorul este în poziţie mediu, lampa incandescentă primeşte aproximativ jumătate din puterea disponibilă la sursa de curent alternativ. Datorită faptului că forma de undă monoalternanţa pulsează mult mai rapid decât timpul necesar pentru încălzirea şi răcirea filamentului, lampa nu „clipeşte”, ci, filamentul ei pur şi simplu operează la o temperatură mai mică decât temperatura normală de funcţionare.

Redresor dublă alternanţă cu punct median

Pentru redresarea şi folosirea ambelor alternanţe a undelor sinusoidale, avem nevoie de o altă configuraţie a circuitului redresor, şi anume, un redresor dublă alternanţă. Una dintre posibilităţi este realizarea redresorului cu punct median, folosind un transformator cu priză mediană pe înfăşurarea secundară şi două diode:

03260.png

Putem înţelege mult mai bine funcţionarea acestui redresor dacă luăm pe rând fiecare jumătate de perioadă (semi-perioadă). Să cosiderăm de exemplu prima jumătate a perioadei, când polaritatea tensiunii de alimentare este pozitivă (+) sus şi negativă (-) jos. În această situaţie, doar dioda de sus va conduce, iar dioda de jos este blocată. Sarcina „vede” prima jumătate a formei de undă sinusoidale, pozitiv sus şi negativ jos. Doar partea de sus a înfăşurării secundare a transformatorului conduce curent în acest caz:

03261.png

În a doua parte a perioadei, polaritatea tensiunii alternative se inversează. În acest caz, cealaltă diodă, cea de jos, şi cealaltă jumătate a secundarului transformatorului, vor conduce curent, iar celelalte porţiuni ale circuitului ce au fost active la pasul precedent, nu vor conduce curent. Sarcina „vede” şi în acest caz o jumătate de formă de undă sinusoidală, de aceeiaşi polaritate ca şi în cazul precedent: pozitiv în partea de sus şi negativ în partea de jos:

03262.png

Un mare dezavantaj al acestei configuraţii este necesitatea folosirii unui transformator cu priză mediană pe înfăşurarea secundară. Dacă circuitul în cauză este un circuit de putere mare, mărimea şi costul unui asfel de transformator pot fi suficient de mari. Prin urmare, redresorul dublu alternanţa cu punct median este folosit doar în aplicaţiile de putere mică.

Polaritatea sarcinii poate fi inversată prin inversarea direcţiilor diodelor. Mai mult, diodele inversate pot fi conectate în paralel cu configuraţia pozitivă deja existentă. Rezultatul este un redresor dublă alternanţă cu polaritate dublă. Modul de conectare al diodelor este acelaşi ca şi la redresorul în punte.

03444.png

Redresor dublă alternanţă în punte

Probabil că cel mai popular redresor este cel dublă alternanţă în punte. Aceste utilizează patru diode conectate în punte:

03263.png

Direcţia curentului pentru semi-perioadele pozitive este prezentată în figura de mai jos:

03264.png

Direcţia curentului pentru semi-perioadele negative este prezentată în figura de mai jos:

03265.png

Indiferent de polaritatea intrării, curentul prin sarcină are aceeiaşi direcţie de curegere. Cu alte cuvinte, o semi-perioadă negativă la sursă este o semi-perioadă pozitivă pe sarcină. Curgerea curentului are loc prin două diode serie, pentru ambele polarităti. Asfel, căderea de tensiune pierdută dinspre sursă spre sarcină datorită diodelor este dublă (0.7 · 2 = 1.4 V pentru Si) faţa de redresorul dubă alternanţă cu punct median. Acest dezavantaj reprezintă însă o problemă doar pentru sursele cu o tensiune de alimentarea foarte scăzută.

Modul corect de aşezare în punte al diodelor poate prezenta pentru începători unele dificultăţi. O reprezentare alternativa, dar echivalentă, a acestui circuit este mult mai uşor de ţinut minte şi de înţeles. Este exact acelaşi circuit, doar că toate diodele sunt poziţionate orizontal, şi toate indică în aceeiaşi direcţie:

03266.png

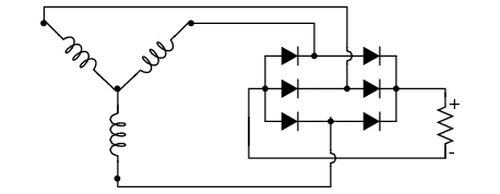
Un avantaj al acestei notaţii este că poate fi uşor aplicată unei versiuni trifazate a redresorului:

03267.png

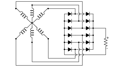
…sau oricărei configuraţii polifazate:

03268.png

Forma de undă a tensiunii redresate

În cazul redresării unui circuit de curent alternativ polifazat, suprapunerea pulsurilor defazate produc o tensiune de curent continuu mult mai „netedă” (cu un conţinut mai mic de curent alternativ) decât cea produsă prin redresarea unei singure faze de curent alternativ. Acesta este un avantaj important în circuitele redresoare de putere, unde doar mărimea fizică a componentelor necesare pentru realizarea filtrării ar impune unele limite.

03269.png

Indiferent de tipul redresării - monofazată sau polifazată - cantitatea de tensiunea alternativă „amestecată” cu tensiunea de curent continuu de ieşire a redresorului, poartă numele de tensiune de riplu, sau simplu riplu. În majoritatea cazurilor, din moment ce la ieşire dorim o tensiune de curent continuu pură, riplul reprezintă o tensiune nedorită. Dacă puterile implicate nu sunt foarte mari, se pot folosi reţele de filtrare pentru reducerea riplului tensiunii de ieşire.

Câteodată, metoda rectificării este descrisă numărând „pulsurile” tensiunii de curent continuu pentru fiecare 360o electrice. Un redresor monofazat, monoalternanţă, este prin urmare un redresor cu un puls, deoarece produce un singur puls într-o perioadă completă (360o) a formei de undă alternative. Un redresaor monofazata, dublă alternanţă (indiferent dacă este cu punct median sau în punte), poate fi numit redresor cu două pulsuri, deoarece produce două pulsuri de tensiune continuă într-o perioadă a tensiunii de curent alternativ. Un redresor trifazat, dublă alternanţă poate fi denumit redresor cu şase pulsuri.

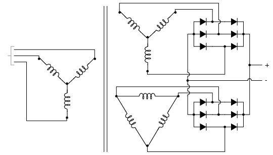
Este posibilă obţinerea unui număru dublu de pulsuri faţă de numărul fazelor cu ajutorului unui redresor. Folosind transformatoare, putem conecta în paralel un set de redresoare dublă alternanţă în punte asfel încât să rezultă mai mult de 6 pulsuri de tensiune continuă pentru cele trei faze ale curentului alternativ. Se introduce un defazaj de 30o între primarul şi secundarul transformatorului trifazat atunci înfăşurările nu sunt de acelaşi tip. Cu alte cuvinte, un transformator în configuraţie Y-Δ (stea-triunghi) sau Δ-Y (triunghi-stea), va prezenta acest defazaj de 30o, dar nu şi un transformator în configuraţie Y-Y sau Δ-Δ. Acest fenoment poate fi exploatat prin utlizarea unui transformator în configuraţie Y-Y conectat la un redresor în punte, iar un alt transformator în configuraţie Y-Δ conectat la un al doilea redresor în punte; cele două punţi redresoare le conectăm apoi în parelel. Din moment de tensiunea de riplu dintre cele două redresoare este defazată cu 30o, tensiunea de riplu rezultată prin superpoziţia lor va fi mai mică decât tensiunea de riplu luată individual pentru cele două redresoare: 12 pulsuri pentru o perioadă (360o) în loc de 6.

03270.png

3.5 Dioda Zener

La conectarea unei diode în serie cu un rezistor într-un circuit de curent continuu, asfel încât dioda să fie polarizată direct, căderea de tensiune la bornele diodei va rămâne aproximativ constantă pentru o plajă largă de tensiuni de alimentare (figura de mai jos (a).

Conforma ecuaţiei diodei, curentul printr-o joncţiune P-N polarizată direct este direct proporţională cu e ridicat la puterea tensiunii directe (tensiunea de polarizare directă). Deoarece ecuaţia este exponenţială, curentul creşte foarte repede pentru creşteri modeste ale căderii de tensiune. Cu alte cuvinte, căderea de tensiune la bornele unei diode polarizate direct variază foarte puţin pentru variaţi mari ale curentului prin diodă. În circuitul din figura de mai jos (a), curentul prin diodă este limitate de tensiunea sursei de alimentare, de rezistorul conectat în serie şi de căderea de tensiune la bornele diodei, care după câte ştim, nu se îndepărtează foarte mult de valoarea de 0.7 V. Dacă am fi să creştem tensiunea generată de sursă, căderea de tensiune pe rezistor ar creşte cu aproape aceeiaşi valoare, iar căderea de tensiune pe diodă ar creşte doar foarte puţin. Invers, o scădere a tensiunii generată de sursă, rezultă într-o descreştere aproape identică a căderii de tensiune pe rezistor şi doar într-o mică descreştere a căderii de tensiune pe diodă. Pe scurt, putem spune că dioda stabilizează tensiunea la valoarea de 0.7 V.

Stabilizarea tensiunii este o proprietatea foarte folositoare. Să presupunem că am construi un circuit, al cărei sarcini nu ar tolera variaţii ale tensiunii sursei de alimentare, dar că acest circuit trebuie să fie alimentat de o baterie, a cărei tensiune, după câte se ştie, variază pe durata sa de funcţionare. Am putea folosi în acest caz circuitul din figura de mai jos (a), iar circuitul în cauză să-l conectăm la bornele diodei, asfel încât tensiunea de alimentare a noului circuit să rămână stabilă la valoarea de 0.7 V.

Majoritatea circuitelor reale necesită însă o sursă de tensiune stabilizată cu o valoare de peste 0.7 V. O modalitate de creştere a tensiunii stabilizate este conectarea mai multor diode în serie, asfel încât tensiunile de polarizare directă să se însumeze. De exemplu, dacă am conecta zece diode în serie, valoarea tensiunii stabilizate ar fi de zece ori mai mare faţă de cazul precedent, adică 7 V.

03284.png

Atâta timp cât tensiunea bateriei nu scade sub 7 V, vor exista tot timpul 7 V (tensiune stabilizată) între bornele celor diode conectate în serie.

Dacă avem nevoie de tensiuni stabilizate şi mai mari, putem folosi şi mai multe diode în serie, sau putem încerca o altă complet diferită, folosindu-ne tot de diode. Ştim că tensiunea de polarizare a diodei este o valoare aproximativ constantă pentru o plajă largă de condiţii, dar acelaşi lucru este valabil şi pentru tensiune (inversă) de străpungere, iar valoarea acestei tensiuni de străpungere este de obicei mult mai mare decât tensiunea directă. Dacă inversăm polaritatea diodei în circuitul stabilizator de mai sus, şi creştem tensiunea sursei de alimentare până în punctul de străpungere al diodei, dioda va stabiliza şi în acest caz tensiunea la acel punct de străpungere, nepermiţând tensiunii să crească peste această valoare (figura de jos (a)).

03285.png

Din păcate, când diodele redresoare normale ating punctul de stăpungere, acest faptul duce şi la distrugerea acestora. Totuşi, se pot construi diode speciale ce pot suporta tensiunea de străpungere fără distrugerea completă a acestora. Acest tip de diodă poartă numele de diodă Zener, iar simbolul este cel din figura de sus (b).

La polarizarea directă, diodele Zener se comportă precum diodele redresoare standard: tensiunea direcţa are valoarea de 0.7 V, conform ecuaţiei diodei. La polarizarea inversă însă, acestea nu conduc curentul decât peste o anumită valoare a tensiunii de alimentare, valoare denumită tensiune Zener; după atingerea acestei valori, dioda Zener va putea să conducă un curent substanţil, dar va limita căderea de tensiune la bornele sale la acea tensiune zener. Atâta timp când puterea disipată sub formă de căldură nu depăşeşte limita termică a diodei, aceasta nu va fi afectată în niciun fel.

Diodele zener sunt confencţionate cu tensiuni zener de câţiva volţi până la sute de volţi. Tensiunea zener variază uşor cu temperatura, dar acestea pot fi folosite cu succes ca dispozitive de stabilizare a tensiunii datorită stabilităţii şi acurateţii lor în funcţionare.

03287.png

Observaţie! Orientarea diodei zener faţă de sursa de tensiune în circuit de mai sus, este asfel încât dioda să fie polarizată invers. Acesta este modul corect de conectare a diodelor zener în circuit! Dacă am fi să conectăm dioda zener invers, asfel încât să fie polarizată direct, aceasta s-ar comporta precum o diodă „normală”, iar tensiune de polarizare directă ar avea o valoare de doar 0.7 V.

Ca şi oricare dispozitiv semiconductor, dioda zener este sensibilă la temperatură. O temperatură excesivă poate duce la distrugerea diodei, asfel că va trebui să se ţină seama de puterea maximă permisă a diodei la proiectarea circuitelor. Interesant este faptul că, la distrugerea diodei zener, datorită căldurii excesive, distrugerea rezultată duce la scurt-circuitarea diodei, nu la deschiderea. O asfel de diodă „stricată” poate fi detectată foarte uşor, întrucât se comportă precum un conductor electric: căderea de tensiune este aproape zero atât la polarizarea directă cât şi la polarizarea inversă.

Exemplu practic de utilizare a diodei zener

Considerând circuitul precedent, vom rezolva matematic circuitul, determinând toate tensiunile, curenţii şi puterile disipate, pentru o tensiune zener de 12.6 V, o sursă de tensiune de 45 V şi o valoare a rezistorului de 1.000 Ω (figura de mai jos (a)).

03289.png

Să calculăm prima dată puterile pe rezistor şi pe diodă:

13049.png

O diodă zener cu o putere de 0.5 W şi un rezistor cu o putere de 1.5 sau 2 W sunt suficiente pentru această aplicaţie.

Dacă puterea excesivă disipată este atât de importanţa, de ce nu am proiecta un circuit asfel încât să existe o putere disipată minimă? De ce nu am introduce un rezistor cu o valoare foarte mare a rezistenţei, limitând prin urmare curentul şi menţinând puterea disipată la valori foarte scăzute? Să luăm, de exemplu, următorul circuit cu un rezistor de 100 kΩ în loc de rezistorul de 1 kΩ din circuitul precedent. Atât tensiunea de alimentarea cât şi tensiunea zener sunt cele din exemplul precedent.

03290.png

Având un curent de 100 de ori mai mic decât inainte (324 µA în loc de 32.4 mA), ambele valori ale puterilor disipate ar trebui să fie de 100 de ori mai mici:

13050.png

Acestă configuraţie pare ideală. O putere disipată mai mică înseamnă temperaturi de funcţionare mai mici atât pentru dioda zener cât şi pentru rezistor şi o pierdere de energie mai mică în sistem. Într-adevăr, o rezistenţă mai mare reduce puterile disipate din circuit, dar, introduce o altă problemă. Scopul unui stabilizator de tensiune este alimentarea unui alt circuit cu o tensiune stabilă. Va trebui până la urmă să alimentăm un alt circuit cu 12.6 V, iar acest circuit legat la bornele diodei zener va necesita şi el un anumit curent. Să considerăm primul circuit, conectat de această dată la o sarcină de 500 Ω în paralel cu dioda zener:

03291.png

Dacă se menţine o tensiune de 12.6 V pe sarcina de 500 Ω, aceasta va „trage” un curent de 25.2 mA. Pentru ca rezistorul de 1 kΩ în serie cu sursa de tensiune, să aibă o cădere de tensiune de 32.4 V (45 V, tensiunea sursei - 12.6 V, căderea de tensiune pe diodă), acesta va trebui să conducă un curent de 32.4 mA. Acest lucru înseamnă ca prin dioda zener va trece un curent de 7.2 mA.

Să considerăm acum al doilea circuit de stabilizare a tensiunii cu un rezistor de 100 kΩ, alimentând aceeiaşi sarcină de 500 Ω. Ceea ce ar trebui să facă acest circuit, este să menţină o cădere de tensiune de 12.6 V la bornele sarcini, la fel ca în circuitul precedent. Dar, după cum putem vedea, circuitul stabilizator nu poate realiza acest lucru:

03292.png

Datorită prezenţei rezistorului foarte mare în serie cu sursa de tensiune, pe sarcină va exista o cădere de tensiune de doar 224 mV, mult mai puţin decât valoarea dorită de 12.6 V. De ce se întâmplă acest lucru? Dacă am fi să avem 12.6 V pe sarcină, curentul prin sarcină ar fi de 25.2 mA, la fel ca înainte. Acest curent de sarcină ar trebui să treacă şi prin rezistorul serie de valoare mult mai mare faţă de cazul precedent, iar căderea de tensiune necesară pentru susţinerea unui asfel de curent de 25.2 mA ar trebui să fie de 2.520 V! Din moment ce nu avem o tensiune aşa de mare la bornele sursei de alimentare, acest lucru nu este posibil. De asemenea, putem observa, că în circuitul de mai sus dioda este blocată.

Putem înţelege mai uşor situaţia de mai sus dacă îndepărtăm temporar dioda zener din circuit şi analizăm doar comportamentul celor doi rezistori:

03293.png

Circuitul stabilizator cu rezistorul de 100 kΩ are totuşi o anumită valoare a rezistenţei sarcinii pentru care tensiunea la bornele sale este de 12.6 V. Putem afla această valoare făcând un mic calcul. Introducem toate valorile cunoscute într-un tabel, de forma celui de mai jos:

13051.png

Căderea de tensiune pe rezistorul serie de 100 kΩ este diferenţa căderilor de tensiune dintre sursă (coloana total) şi sarcină:

13052.png

Putem calcula curentul prin rezistorul serie folosind legea lui Ohm (I = E/R):

13053.png

Fiind un circuit serie, curentul este acelaşi prin toate componentele:

13054.png

Putem acum calcula rezistenţa sarcinii folosind legea lui Ohm (R = E/I):

13055.png

Prin urmare, dacă rezistenţa sarcini este exact 38.889 kΩ, vom avea o cădere de tensiune de 12.6 V la bornele sale, cu sau fără diodă. Orice rezistenţa de sarcină mai mică decât această valoare va duce la o cădere de tensiune mai mică de 12.6 V, cu sau fără diodă. Dacă inserăm şi dioda zener conform configuraţiei iniţiale, căderea de tensiune maximă pe sarcină va fi stabilizată la o valoare maximă de 12.6 V pentru oricare sarcină mai mare decât 38.889 kΩ.

Cu valoarea iniţială a rezistorului serie de 1 kΩ, circuitul putea să stabilizeze tensiunea chiar şi pentru o sarcină mult mai mică, de 500 Ω. Ceea ce vedem este un compromis între puterea disipată şi valoarea acceptabilă a sarcinii. Cu cât rezistorul serie este mai mare şi puterea disipată este mai mică, cu atât valoarea minimă a rezistenţei sarcinii trebuie să fie mai mare. Dacă vrem să stabilizăm tensiunea pentru o sarcină mică (rezistenţă mică), circuitul trebuie asfel conceput încât să suporte puteri mari de disipaţie.

Circuit limitator cu diode zener

Un circuit limitator ce „taie” vârfurile formei de undă aproximativ la tensiunea zener a diodelor, este prezentat în figura de mai jos. Circuitul este format din două ziode zenere conectate spate-în-spate. Rolul rezistorului este de limitare a curentului prin diode, pentru protecţia acestora:

03445.png

Tensiunea de străpungere pentru cele două diode este fixată la 10 V. Acest lucru duce la tăierea formei de undă la aproximativ 10 V. Diodele, puse spate-în-spate, taie ambele vârfuri. Pentru semialternanţa pozitivă, dioda de sus este polarizată invers. Caderea de tensiune pe dioda de jos este 0.7 V, fiind polarizată direct. Asfel, tăierea exactă a formei de undă se realizează în jurul valorii de 10.7 V. Acelaşi lucru este valabil şi pentru semialternanţa negativă (-10.7 V):

23034.png