Introducere in circuite electrice si electronice

< Curent alternativ

10 Circuite polifazate

10.1 Sisteme de alimentare monofazate

02164.png

Schema electrică de sus este a unui circuit electric simplu, monofazat, în curent alternativ. Dacă puterea disipată pe sarcini este suficient de mare, putem denumi o asfel de configuraţie „circuit de putere”. Distincţia dintre un circuit de putere şi un circuit normal poate părea întâmplătoare, dar implicaţiile practice sunt importante.

Una dintre implicaţii este costul şi mărimea conductorilor necesari pentru alimenatrea sarcinilor de la sursa. În mod normal, nu ne interesează asfel de probleme dacă analizăm un circuit doar pentru a învăţa despre electricitate. Totuşi, în viaţa reală, acest lucru este de o importanţă deosebită. Dacă, în circuitul de mai sus, considerăm sursa de tensiune ca fiind de 120 V, iar puterile disipate pe sarcini de 10 kW fiecare, putem determina tipul conductorilor de care avem nevoie.

02165.png 12109.png

Putem vedea că valoarea curentului prin circuit este foarte mare în acest caz, 88.33 A pentru fiecare rezistor, adică 166.66 A pentru curentul total din circuit. Conductorii de cupru folosiţi pentru asfel de aplicaţii ar ajunge undeva la 6 mm în diametru, cu o greutate de aproximativ 50 kg la 100 m, iar cuprul nu este nici el un material ieftin. În cazul în care ar fi să proiectăm un asfel de sistem de putere, cea mai bună strategie ar fi să căutăm soluţii pentru minimizarea acestor tipuri de costuri.

O soluţie ar fi creşterea tensiunii sursei de alimentare folosind sarcini ce disipă aceeiaşi cantitate de putere, 10 kW, pentru această tensiune. Sarcinile ar trebui să aibă valori mai mari ale rezistenţelor dacă vrem să disipe aceeiaşi putere la o tensiune mai mare. Avantajul constă în diminuarea curentului necesar, şi prin urmare, folosirea unor conductori de dimensiuni mai mici, mai uşori şi mai ieftini:

02166.png 12110.png

De data aceasta, curentul total este 83.33 A, jumătate faţă de valoarea precedentă. Putem utiliza conductori a căror greutate este jumătate din valoarea precedentă. Aceasta este o reducere considerabilă a costurilor sistemului, fără niciun efect negativ asupra performanţelor. Acesta este şi motivul pentru care sistemele de distribuţie sunt proiectate pentru transmiterea puterilor la tensiuni foarte înalte: pentru a profita de avantajul oferit de utilizarea conductorilor cu diametru mai mic, mai uşori şi mai ieftini.

Totuşi, această soluţie prezintă şi dezavantaje. O altă problemă ce trebuie luată în considerare în cadrul circuitelor de putere, este pericolul electrocutării datorat tensiunilor înalte. Din nou, acesta nu este neapărat un subiect luat în considerare atunci când învăţăm despre legile electricităţii, dar este o problemă reală în proiectarea sistemelor electrice, mai ales atunci când puterile sunt foarte mari. Deşi am câştigat în eficientă prin ridicarea tensiunii sistemului, acest lucru duce pe de altă parte la mărirea pericolului electrocutării. Companiile de distribuţie a curentului electric au rezolvat această problemă prin instalarea liniilor de putere pe stâlpi de „înaltă tensiune” şi izolarea lor faţă de conductori prin dielectrici confecţionaţi din porţelan.

Dar această tensiune ridicată nu poate fi păstrată la aceleaşi valori atunci când ajunge la consumatori, evident, din motive de siguranţă. Sistemele de putere din Europa folosesc această tensiune mai înaltă, de 240 V, riscul crescut de electrocutare al utilizatorilor fiind compensat de eficienţa mărită a unui asfel de sistem. În America de Nord, tensiune de alimentare este jumătate, şi anume 120 V, scăderea eficienţei în acest caz fiind compensată de creşterea siguranţei utilizatorilor.

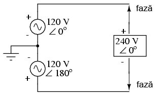
O soluţie alternativă ar fi utilizarea unei surse de tensiune mai înaltă pentru alimentarea celor două sarcini în serie, căderea de tensiune pe fiecare sarcină fiind asfel jumătate din tensiunea de alimentare. Această soluţie combină eficienţa unui sistem de tensiune înaltă cu siguranţa oferită de un sistem de tensiune joasă.

02167.png

Puteţi observa pe desen şi polarităţile („+” şi „-”) pentru fiecare tensiune, precum şi direcţia curentului prin circuit. Chiar dacă este un circuit alternativ, vom utiliza aceste notaţii pentru a avea un sistem de referinţă pentru fazele tensiunilor şi a curenţilor, sistem ce se va dovedi folositor în capitolele următoare.

Curentul pe fiecare sarcină este acelaşi ca în cazul circuitului alimentat de la 120 V, dar aceştia nu se însumează, deoarece sunt în serie, nu în paralel. Căderea de tensiune pe fiecare sarcină este de doar 120 V, nu 240, aşadar nivelul de siguranţă a crescut. Diferenţa de potenţial între cei doi conductori ai sistemului de alimentare este tot de 240 V, dar fiecare sarcină este alimentată la o tensiune mult mai mică. În cazul apariţiei electrocutării, este foarte probabil ca persoana în cauză să intre în constat cu sarcina, sau conductorii acesteia, şi nu cu firele de 240 V.

Există însă un dezavantaj al acestui tip de circuit: în cazul defectării uneia dintre sarcinii, dacă aceasta este închisă sau scoasă din circuit, vom avea practic un circuit deschis, curentul scăzând la zero şi întreaga cădere de tensiune se va regăsi pe această sarcină „defecta”. Din acest motiv, trebuie să modificăm puţin circuitul:

02168.png 12111.png

În locul unei singure surse de tensiune de 240 V, folosim două surse de 120 V, conectate în serie şi în fază una cu cealaltă, pentru producerea unei tensiuni de 240 V, şi utilizăm un conductor suplimentar conectat între cele două sarcini şi cele două surse, pentru a prelua curentul în cazul deschiderii uneia dintre sarcini. Dacă suntem atenţi, observăm că firul neutru trebuie să conducă doar diferenţa de curent dintre cele două sarcini. În cazul de mai sus, când sarcinile sunt echilibrate (egale), puterea consumată de acestea este egală, asfel că neutrul nu conduce curent.

Neutrul este conectat la împământare, fiind o practică des întâlnită în proiectarea sistemelor de putere cu fir neutru. Această împământare asigură o diferenţă de potenţial cât mai mică, în fiecare clipă, între fază şi pământ.

O componentă importantă a unui asfel de sistem o reprezintă sursele de tensiune duale în curent alternativ. Din fericire, construcţia unui asfel de sistem nu este dificilă. Din moment ce majoritatea sistemlor de curent alternativ sunt alimentate de un transformator coborâtor de tensiune, acel transformator poate fi construit cu o priză mediană pe înfăşurarea secundară:

02169.png

Notarea polarităţilor („+” şi „-”) devine în acest moment importantă. Aceasta este folosită ca şi sistem de referinţă al fazelor în circuitele de curent alternativ cu surse de alimentare multiple. Cele două surse de mai sus, conectate în serie, pot fi la fel de bine reprezentate folosind notaţia polară: conectate în anti-serie şi defazaj de 180o între ele. Cele două moduri de reprezentare sunt echivalente.

02170.png

Căderea de tensiune între cele două faze poate fi calculată asfel:

12112.png

Dacă marcăm conexiunea comună a celor două surse (firul neutru) cu aceeiaşi polaritate (-), atunci va trebui să exprimăm diferenţa de fază a celor două ca fiind 180o. În caz contrar, am avea două surse de tensiune acţionând în direcţii opuse, ceea ceea ce ar duce la o diferenţa de 0 V între cele două faze.

În general, un asfel de sistem de alimentare este denumit monofazat, datorită faptului că ambele forme de undă sunt în fază. De asemenea, toate circuitele electrice studiate până în acest moment au fost monofazate.

10.2 Sisteme de alimentare trifazate

Folosind modul „straniu” de însumare a vectorilor şi a numerelor complexe atunci când tensiunile alternative sunt defazate între ele, putem construi sisteme de putere cu o eficienţă crescută şi risc scăzut de electrocutare.

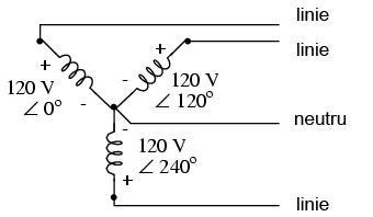
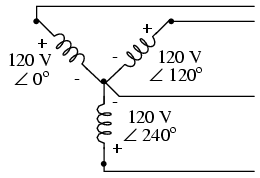
Să presupunem că avem două surse de curent continuu conectate în serie, la fel ca în secţiunea precedentă, cu diferenţa că fiecare sursă este defazată cu 120o faţă de cealaltă

02171.png

Din moment ce fiecare sursă de tensiune are 120 V, şi fiecare rezistor este conectat direct în paralel cu sursa respectivă, căderea de tensiune pe fiecare sarcină trebuie să fie de asemenea de 120 V. Curenţii prin sarcină fiind 83.33 A, aceastea vor disipa tot 10 kW de putere. Totuşi, tensiunea dintre cele două faze nu mai este 240 V ca în cazul precedent, deoarece diferenţa de fază între cele două tensiuni este 120o, nu 180o (sau 0o).

12113.png

Putem spune că tensiunea nominală dintre cele două fază este de 208 V, iar notaţia sistemului este 120/208.

Dacă acum calculăm şi curentul prin neutru, folosind legea lui Kirchhoff pentru curent, vom vedea că acesta nu este zero, chiar şi în cazul sarcinilor echilibrate (egale între ele).

02172.png 12114.png

Prin urmare, firul neutru conduce acelaşi curent de 83.33 A, ca şi celelalte fire.

Şi în acest caz, puterea totală furnizată în sistem este de 20 kW, iar fiecare fază conduce tot 83.33 A, prin urmare n-am reuşit o reducere a costurilor prin utilizarea unor conductori cu diametru mai mic. Totuşi, siguranţa sistemului este mai mare în acest caz, doarece căderea de tensiune între cele două faze este mai mică cu 32 V faţă de cazul precedent (208 V în loc de 240 V).

Putem profita de faptul că neutrul conduce un curent de 83.33 A: din moment ce orcum conduce curent, de ce să nu folosim acest al treilea fir pe post de fază, conectând o altă sarcină în serie cu o sursă de 120 V, defazată cu 240o faţă de tensiunea de referinţă? În acest fel, putem transmite mai multă putere (10 kW în plus), fără a fi nevoie de adăugarea unor conductori în plus.

02173.png

O analiză matematică completă a tuturor curenţilor şi tensiunilor din circuit ar necesita utilizarea unei teoreme de reţea, cea mai uşoară fiind teorema superpoziţiei. Căderea de tensiune pe fiecare sarcină este de 120 V, iar căderea de tensiune între oricare două fază este de aproximativ 208 V. Curenţii pron conductori sunt egali între ei, şi anume 83.33 A. La aceaste valori, fiecare sarcină va disipa o putere de 10 kW. Putem observa că acest circuit nu are un conductor neutru pentru asigurarea unei tensiuni stabile în cazul în care unul dintre ei este deconectat (sistem dezechilibrat), situaţia fiind similară cu cea întâlnită în secţiunea precedentă.

02175.png

Atâta timp cât sistemul este echilibrat (rezistenţe egale, curenţi egali), conductorul neutru nu va conduce niciun curent. Acesta este folosit însă pentru cazurile în care una dintre sarcini este înlăturată din circuit (defect, oprire, etc.).

Acest circuit analizat mai sus, folosind trei surse de alimentare, poartă numele de circuit polifazat, mai exact, este un circuit trifazat (trei surse de alimentare), folosit în sistemele de distribuţie a energiei electrice.

Avantajele unui sistem de alimentare trifazat

Să analizăm unele dintre avantajele unui asfel de circuit trifazat faţă de un circuit monofazat de putere echivalentă. Un sistem monofazat (o singură sursă de alimentare, sau mai multe surse, dar în fază) cu trei sarcini conectate în paralel ar produce un curent total foarte mare (3 * 83.33 A, sau 250 A).

02176.png

Acest lucru ar necesita conductori cu secţiune foarte mare, cu o greutate de aproximativ optzeci de kilograme la o sută de metri. Dacă distanţa dintre sursă şi sarcină ar depăşi cu puţin un kilometru, am avea nevoie de aproximativ o tonă de cupru pentru realizarea acestui circuit!

Folosind în schimb un sistem trifazat, costurile cu conductorii se reduc considerabil, şi în plus, creşte şi siguranţa la electrocutare a sistemului (208 V faţă de 240 V).

Mai rămână însă o singură întrebare: cum putem obţine trei surse de curent alternativ defazate cu exact 120o între ele? Evident, nu putem folosi transformatoare cu prize pe înfăşurarea secudnară, pentru că am obţine forme de undă ale tensiunii fie în fază, fie defazate cu 180o între ele. Am putea folosi condensatoare şi bobine pentru a crea un defazaj de 120o, dar atunci, aceste defazaje ar depinde şi de unghiurle de fază ale sarcinilor, în cazul în care în loc de sarcină rezistivă avem o sarcină capacitivă sau inductivă.

Cea mai bună metodă de obţinere a defazajelor dorite este chiar generarea lor directă, folosind generatoare de curent alternativ construite pentru exact acest scop: câmpul magnetic rotitor trece pe lângă trei seturi de înfăşurări, fiecare la o distanţă de 120o una faţă de cealaltă în jurul circumferinţei generatorului.

02178.png

Împreună, cele şase înfăşurări ale generatorului trifazat sunt conectate asfel încât să formeze trei perechi de înfăşurări (1a cu 1b, 2a cu 2b, 3a cu 3b), fiecare pereche producând o tensiune alternativă defazată cu 120o faţă de oricare dintre celelalte două perechi/tensiuni. Conexiunile fizice existente pentru fiecare pereche de înfăşurări au fost omise pentru simplitate. Acestea se pot vedea însă în cazul generatorului monofazat.

În circuitul considerat, cele trei surse de alimentare au fost conectate în configuraţie stea, sau „Y”, fiecare sursă având o parte conectată la punctul comun (conductorul neutru). Descrierea unei asfel de circuit se face asfel:

02179.png

Aceasta însă nu este singura schma de conectare posibilă.

10.3 Secvenţa fazelor

Să considerăm din nou generatorul trifazat de curent alternativ din cazul precedent şi să analizăm rotaţia magneţilor şi efectele acesteia:

02180.png

Unghiul de fază de 120o dintre cele trei tensiuni se datorează poziţionării celor trei seturi de înfăşurări la un unghi de 120o între ele. Dacă rotaţia magnetului se realizează în sensul acelor de ceasornic, înfăşurarea 3 va genera tensiunea instantanee maximă după o rotaţie de exact 120o a înfăşurării 2, a cărei tensiune instantenee va atinge pragul maxim la exact 120 ^{o} după înfăşurarea 1. Modul de poziţionare al înfăşurărilor va decide valoarea defazajului dintre formele de undă generate. Dacă luăm înfăşurarea 1 ca şi înfăşurare de referinţă (0o), atunci înfăşurarea doi va avea un defazaj de -120o(120o în urmă, sau 240o înainte), iar înfăşurarea 3 un unghi de -240o(240o în în urmă, sau 120o înainte).

Secvenţa fazelor are o ordine bine stabilită. Pentru rotaţia în sensul acelor de ceasornic, ordinea este 1-2-3. Această ordine se repetă atâta timp cât generatorul îşi continuă rotaţia (1-2-3-1-2-3-etc.).

02181.png

Dacă inversăm sensul de rotaţie al generatorului, în sensul invers acelor de ceasornic, sau sensul trigonometric, magnetul va trece pe lângă perechile de poli în secvenţă inversă. În loc de 1-2-3, vom avea 3-2-1. Forma de undă celei de a doua înfăşurări va fi defazată înaintea primei cu 120o iar a treia înaintea celei de a doua cu 120o.

02182.png

Ordinea secvenţelor formelor de undă într-un sistem polifazat se numeşte secvenţa fazelor. Dacă folosim un sistem polifazat pentru alimentarea sarcinilor pur rezistive, rotaţia fazelor nu are nicio importanţă. Fie că vorbim de 1-2-3 sau 3-2-1, curenţi şi tensiunilor vor avea tot aceeiaşi valoare. Există însă aplicaţii ale sistemelor trifazate, în care, secvenţa fazelor este importantă. Din moment ce voltmetrele şi ampermetrele nu pot măsură această secvenţă, avem nevoie de un alt tip de instrument pentru această sarcină.

Detectarea secvenţei fazelor într-un circuit trifazat

Un circuit ingenios pentru aceastăa aplicaţie, utilizează un condensator pentru introducerea unui defazaj între tensiune şi curent, ce sunt mai apoi folosite pentru detectarea secvenţei prin comparaţie dintre intensitatea luminoasă a două lămpi.

02183.png

Cele două lămpi au aceeiaşi valoare a rezistenţei. Condensatorul este ales asfel încât valoarea reactanţei la frecvenţa sistemului să fie egală cu rezistenţa unei lămpi. Daca ar să înlocuim condensatorul cu un rezistor de o valoare egală cu ea a rezistenţei lămpii, intensitatea luminoasă a celor două lămpi ar fi egală, circuitul fiind echilibrat. Totuşi, condensatorul introduce un defazaj între tensiune şi curent de 90o în faza #3. Acest defazaj, mai mare de 0o, dar mai mic de 120o, „strică” valorile curenţilor şi ale tensiunilor celor două lămpi relativ la unghiul lor de fază faţă de faza 3. Să considerăm circuitul:

02184.png

Diferenţa de fază rezultată prin introducerea condensatorului în circuit duce la scăderea tensiunii din faza 1 la 48 V, şi la creşterea tensiunii din faza 2 la 180 V. Acest lucru înseamnă că intensitatea luminoasă a celei de a doua lămpi va fi mult mai mare, lucru ce poate fi observat lesne cu ochiul liber. Dacă inversăm secvenţa fazelor (3-2-1), rezultatul este exact invers.

Inversarea secvenţei fazelor

Am văzut că putem inversa secvenţa fazelor prin schimbarea sensului de rotaţie al generatorului. Totuşi, această modificare de rotaţie nu se poate realiza de către consumator, atunci când tensiune de alimentare din reţea provine de la un furnizor naţional de electricitate şi nu de la propriile sale generatoare. O inversare mult mai uşoară a secvenţelor se realizează prin inversarea oricăror două faze între ele.

Putem observa mai bine acest lucru, dacă ne uităm la o secvenţă mai lungă a fazelor unei surse trifazate:

secvenţă 1-2-3 : 1-2-3-1-2-3-1-2-3-1-2-3-1-2-3 . . .

secvenţă 3-2-1 : 3-2-1-3-2-1-3-2-1-3-2-1-3-2-1 . . .

Secvenţa 1-2-3 poate la fel de bine să fie notată prin 2-3-1 sau 3-1-2. Asemănător, secvenţa inversă, 3-2-1, o putem nota cu 2-1-3 sau 1-3-2.

Luând ca şi secvenţa iniţială combinaţia 3-2-1, putem încerca toate combinaţiile posibile de inversare a oricăror două faze şi să vedem secvenţa rezultată.

02185.png

Indiferent de perechea fazelor alese pentru inversare, rezultatul este tot timpul o secvenţă inversată (1-2-3 devine 2-1-3, 1-3-2 sau 3-2-1, toate fiind echivalente).

10.4 Funcţionarea motorului polifazat

Probabil că cel mai mare avantaj al sistemelor de curent alternativ polifazata constă în proiectarea şi operarea motoarelor de curent alternativ. După cum se ştie, unele tipuri de motoare sunt practic identice din punct de vedere constructiv cu generatoarele electrice, constând dintr-un set de înfăşurări staţionare şi un set de magneţi (electromagneţi) rotitori. Să considerăm prima dată un motor de curent alternativ monofazat:

02186.png

Dacă magnetul rotitor va putea să ţină pasul cu frecvenţe curentului alternativ prin înfăşurări, acesta va fi „tras” într-o mişcare permanentă în sensul acelor de ceasornic. Totuşi, aceasta nu este singura direcţia posibilă. Ar putea la fel de bine să se rotească în sensul invers acelor de ceasornic (trigonometric), folosind exact aceeiaşi formă de undă:

02187.png

Folosind aceeiaşi formă de undă, rotorul magnetic se poate învârti în oricare dintre direcţii. Aceasta este o caracteristică comună a tuturor motoarelor monofazate de „inducţie” şi „sincrone”: nu posedă o direcţie normală, sau „corectă” de rotaţie. O întrebare este binevenită în acest moment: cum putem porni motorul în direcţia dorită, dacă acesta se poate roti la fel de bine în orice direcţie? Adevărul este că aceste motoare au nevoie de puţin ajutor la pornire. Odată ajutate să pornească într-o anumită direcţie, vor continua să se rotească în aceeiaşi direcţie, atâta timp când este menţinută puterea electrică pe înfăşurări.

Pornirea motorului monofazat de curent alternativ

În mod normal, acest ajutor vine din partea unor seturi adiţionale de înfăşurări poziţionate diferit faţă de seturile de înfăşurări principale, şi alimentate cu un curent alternativ defazat faţă de curentul principal.

02188.png

Aceste înfăşurări suplimentare sunt de obicei conectate în serie cu un condesator pentru introducerea unui defazat între curenţii celor două seturi de înfăşurări.

02189.png

Acest defazaj crează un câmp magnetic al înfăşurărilor 2a şi 2b ce este defazat la rândul lui cu câmpul magnetic al înfăşurărilor 1a şi 1b. Rezultatul este un set de câmpuri magnetice cu o direcţie de rotaţie precisă. Această secvenţă de rotaţie „trage”, trage la rândul său magnetul într-o direcţie precisă.

Motoarele de curent alternativ polifazate nu necesită asfel de mecanisme pentru pornirea lor într-o anumită direcţie. Datorită faptului că formele de undă ale tensiunilor au deja o direcţie bine stabilită (secvenţa fazelor), şi câmpurile magnetice generate de înfăşurări vor avea o direcţie precisă. De fapt, combinaţia tuturor seturilor de înfăşurări, lucrând împreună, crează un câmp magnetic ce poartă numele de câmp magnetic rotitor. Acest concept l-a inspirat şi pe Nikola Tesla să dezvolta primele sisteme electrice polifazate existente, pentru a realiza motoare mai simple şi mai eficiente. Avantajele sistemlor polifazate faţă de cele monofazate nu au fost descoperite decât mai târziu.

Dacă acest concept prezentat mai sus vă este încă confuz, putem folosi o analogie pentru explicarea lui mai pe înţeles. Să considerăm un set de beculeţe alimentate intermitent (ce „clipesc”), precum cele folosite la decoraţiile de crăciun. Unele seturi par să se „deplaseze” într-o anumită direcţie pe măsură ce becurile se aprind şi se sting într-o secvenţă bine stabilită. Altele doar se sting şi se aprind fără nicio mişcare aparentă. Cum se realizează această diferenţă între diferitele seturi de becuri? Cu ajutorul diferenţelor de fază!

02190.png

Când toate becurile „1” sunt aprinse, toate becurile „2” sunt stinse, şi invers. Cu acest tip de secvenţa, nu există nicio „mişcare” vizibilă a luminii becurilor. Putem la fel de bine să urmărim o deplasare de la stânga la dreapta, la fel de bine cum putem considera aceeiaşi mişcare ca realizânduse de la dreapta la stânga. Tehnic, secvenţelor de aprindere-stingere ale celor două becuri sunt defazate cu 180o între ele (exact opus). Acest lucru este analog motorului de curent alternativ monofazat, ce poate funcţiona la fel de bine în ambele direcţii, dar care nu poate porni singur datorită faptul că variaţia câmpului său magnetic nu are o direcţie precisă.

Să considerăm prin urmare un nou set de becuri, de această dată folosind trei becuri pentru secvenţa în loc de două, fiind şi acestea defazate între ele:

02191.png

Dacă secvenţa fazelor este 1-2-3, becurile par a se „deplasa” de la stânga la dreapta. Ne putem acum imagna acelaşi set de becuri, dar aranjate într-un cerc:

02192.png

De data aceasta, becurile par a se deplasa în cerc, în direcţia acelor de ceasornic, deoarece sunt aranjate circular şi nu liniar, precum era cazul precedent. Desigur, aparenţa mişcării becurile se inversează dacă inversăm secvenţa de rotaţie a lor.

Mişcarea becurilor va fi fie în sensul acelor de ceasornic, fie în sens trigonometric, în funcţie de secvenţa fazelor. Această situaţie este analoagă unui motor de curent alternativ trifazat cu trei seturi de înfăşurări alimentate cu trei surse de tensiune de faze diferite:

02193.png

10.5 Configuraţii stea şi triunghi trifazate

Configuraţia stea (Y)

Acest tip de configuraţie este cel considerat până acum în secţiunile precedente. Aceasta se caracterizează prin existenţa unui punct comun tuturor surselor de tensiune:

02194.png

Dacă redesenăm circuitul, folosind în loc de sursele de tensiune bobine, reprezentând înfăşurările generatorului, şi rearanjăm poziţia acestora, configuraţia devine mai aparentă:

02195.png

Cei trei conductori ce pleacă de la sursele de alimentare (înfăşurări) înspre sarcină, poartă numele de „linii”, iar înfăşurările propriu-zise sunt denumite „faze”. Într-un sistem „Y” (stea), prezenţa conductorului neutru nu este obligatorie, deşi ajută la evitarea problemelor de potenţial în cazul în care una dintre sarcini este scoasă din funcţiune.

02196.png

Tensiunea de linie şi tensiunea de fază

La măsurarea tensiunilor şi curenţilor într-un sistem trifazat, trebuie să fim atenţi ce şi unde anume măsurăm. Tensiunea de linie se referă la valoarea tensiunii măsurată între oricare doi conductori, într-un sistem trifazat echilibrat. În circuitul de sus, tensiunea de linie este aproximativ 208 V. Tensiunea de fază se referă la tensiunea măsurată la bornele oricărui component (înfăşurarea sursei sau impedanţa) într-un circuit trifazat. Acolo unde există fir neutru, putem spune că tensiunea de fază se măsoară între linie şi neutru. în circuitul de sus, tensiune de fază este de 120 V. Ambii termeni, tensiunea/curentul de linie şi tensiunea/curentul de fază au aceeiaşi logică: primul se referă la tensiunea/curentul prin oricare dintre conductori (linie), iar celălalt la tensiunea/curentul prin oricare component.

Sursele şi sarcinile dintr-o configuraţie în stea au tot timpul tensiunile de linie mai mari decât tensiunile de fază, iar curenţii de linie egali cu cei de fază. Mai mult, dacă sursa sau sarcina este echilibrată, tensiunea de linie va fi egală cu produsul dintre tensiunea de fază şi radical de ordin doi din trei:

12115.png

Configuraţia triunghi (Δ)

Un alt tip de configuraţie pentru sistemele de alimentare trifazate este configuraţia triunghi, denumită şi „delta”, după litera grecească Δ:

02197.png

La o primă vedere, am putea presupune că sursele de tensiune asfel conectate, ar produce un scurt-circuit, din cauză că electronii sunt liberi să se deplaseze în jurul triughiului neexistând o altă rezistenţă decât impedanţa internă a înfăşurărilor. Însă, datorită diferenţelor de fază dintre cele trei surse, acest lucru nu se întâmplă.

Putem verifica acest lucru aplicând legea lui Kirchhoff pentru tensiune şi să vedem dacă suma tensiunilor din interiorul buclei formate din laturile triunghiului este într-adevăr zero. Dacă suma este zero, atunci nu va există nicio cădere de tensiune necesară pentru împingerea electronilor de-a lungul buclei, şi prin urmare, nu va exista nici curent şi nici posibilitatea apariţiei scurt-circuitului. Începând cu înfăşurarea de sus şi continuând în direcţie trigonometrică, expresia legii lui Kirchhoff pentru tensiune arată asfel:

12116.png

Într-adevăr, suma acestor trei vectori este zero.

O altă metodă prin care putem demonstra că nu poate exista curent electric în jurul circuitului format de cele trei surse de alimentare (înfăşurări), este să „deschidem” bucla la unul dintre noduri, şi să calculăm diferenţa de potenţial (tensiunea) dintre cele două ramuri:

02198.png

Începând cu înfăşurarea din dreapta şi continuând în sens trigonomentric, ecuaţia legii lui Kirchhoff pentru tensiune arată asfel:

12117.png

Rezultatul obţinut este într-adevăr zero, ceea ce înseamnă că nu va exista circuilaţie de curent în bucla formată de triunghiul surselor de alimentare, atunci când circuitul este închis.

Datorită faptului că fiecare pereche de conductori, într-o configuraţie stea, este conectată direct la bornele unei singure înfăşurări, tensiunea de linie va fi egală cu tensiunea de fază. De asemenea, datorită faptului că fiecare conductor are un punct comun cu două înfăşurări, curentul de linie va fi suma vectorilor celor doi curenţi de fază.

12118.png

Să luăm un circuit ca şi exemplu:

02199.png

Căderea de tensiune pe fiecare rezistor va fi de 120 V, iar curentul fiecărei faza va fi de 83.33 A:

12119.png

Un avantaj al utilizării configuraţiei triunghi, constă în lipsa firului neutru. În conecţiunea stea, firul neutru este necesar pentru preluarea oricăror curenţi în cazul în care sarcina este dezechilibrată. Acest lucru nu este însă necesar (nici măcar posibil!) într-o configuraţie triunghi. Fiecare element fiind conectat direct la bornele sursei respective, tensiunea din circuit va fi aceeiaşi indiferent de comportamentul individual al sarcinilor.

Proabil că cel mai mare avantaj a conexiunii triunghi este toleranţa sistemului în caz de defect. Defectarea uneia dintre înfăşurări nu va influenţa tensiunea sarcinii şi nici curentul!

02200.png

Singura consecinţă al unui defect într-un dintre înfăşurări pentru un sistem în configuraţie triunghi, este creşterea curentului de fază pentru înfăsurările rămase. Să comparăm acest comportament cu cel al unui sistem în configuraţie stea, dar cu aceeiaşi configuraţie sa sarcinii (triunghi):

02201.png

Cu o sarcină în configuraţie triunghi (Δ), căderea de tensiune pe două dintre sarcini scade la jumătate (104 V), iar una dintre sarcini rămâne la tensiunea originală, 208 V. O sarcină în configuraţie Y, suferă şi mai mult de pe urma aceluiaşi defect al înfăşurării:

02202.png

În acest caz, numărul sarcinilor ce suferă o reducere a tensiunii se ridică la două, iar căderea de tensiunea pe cea de a treia sarcină este zero! Din această cauză, sursele de tensiune în configuraţie triunghi (Δ) sunt preferate pentru fiabilitatea lor. Totuşi, dacă este necesară o tensiune duală (120/208), sau curenţi de linie mai mici, sunt preferate sistemele în conexiune strea (Y).

10.6 Transformatorul trifazat

Din moment ce sistemele trifazate sunt folosite atât de des în sistemele de distribuţie a energiei electrice, este necesară folosirea transformatoarelor trifazate pentru ridicarea sau coborârea tensiunilor. Este adevărat că se pot folosi individual transformatoare monofazate, câte unul pe fiecare fază şi în diverse combinaţii, pentru realizarea acestei sarcini. Dar, transformatoarele trifazate sunt construite special pentru acest scop, folosind mult mai puţin material, volum şi greutate decât utilizarea modulară a transformatoarelor monofazate.

Un transformator trifazat este compus din trei seturi de înfăşurări primare şi secundare, înfăşurate pe acelaşi miez feromagnetic şi având fiecare propria sa latură.

02203.png

Aceste înfăşurări primare şi secundare pot fi conectate între ele în configuraţii Δ sau Y, asfel:

Primar - Secundar
  Y    -    Y
  Y    -    Δ
  Δ    -    Y
  Δ    -    Δ    

Motivul alegerii configuraţiei Δ sau Y pentru conexiunile înfăşurărilor transformatorului sunt aceleaşi ca şi în cazul aplicaţiilor trifazate: conexiunile Y oferă posibilitatea tensiunilor multiple, iar conexiunile Δ oferă un nivel mai ridicat de fiabilitate.

Cel mai important aspect al conectării celor trei seturi de înfăşurări o reprezintă faza înfăşurărilor (punctele sunt folosite pentru desemnarea „polarităţii” înfăşurărilor). Putem revedea relaţiile dintre fazele înfăşurărilor Y şi Δ, centrul înfăşurării trebuie să fie ori „-” ori „+”, pentru toatele cele trei înfăsurări, iar polarităţile înfăşurării Δ trebuie să complementare, „+” şi „-”:

02204.png

Realizarea corectă a fazelor, atunci când înfăşurările nu sunt prezentate sub forma configuraţiilor stea sau triunghi, poate să fie destul de dificilă. Să ilustrăm acest lucru, pornind cu figura de mai jos:, fiecare transformator monofazat reprezentând o înfăşurare primară plus cea secundară, întreg ansamblul fiind echivalent din punct de vedere funcţional unui transformator trifazat:

02205.png

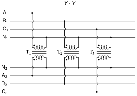
Cele trei transformatoare monofazate sunt vor fi conectate împreună pentru transformarea puterii dintr-un sistem trifazat în altul. Să considerăm conexiunea Y-Y:

02206.png

În cazul de mai sus, Y-Y, toate înfăşurările marcate cu punct sunt conectate la fazele lor respective, A, B, C, iar înfăşurările fără punct sunt conectate împreună (la firul neutru, N) pentru a forma centrul fiecărei configuraţii stea. Dacă realizăm ambele înfăşurări în configuraţie Y, putem folosi conductori de nul (N1 şi N2) în fiecare sistem trifazat.

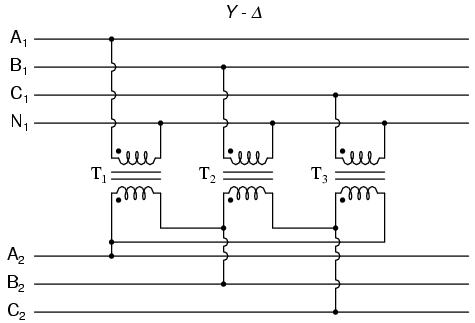
Următoarea configuraţie, stea-triunghi (Y-Δ), arată asfel:

02207.png

În acest caz, înfăşurările secundare sunt conectate în lanţ, înfăsurarea conectată fiind conectată la următoarea înfăşurare ne-punctate, formând o buclă Δ.

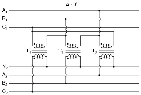
Configuraţia triunghi-stea (Δ-Y):

02208.png

O asemenea configuraţie permite folosirea tensiunilor multiple, linie-linie, sau linie-neutru, în sistemul de putere secundar, folosind un sistem primar fără neutru.

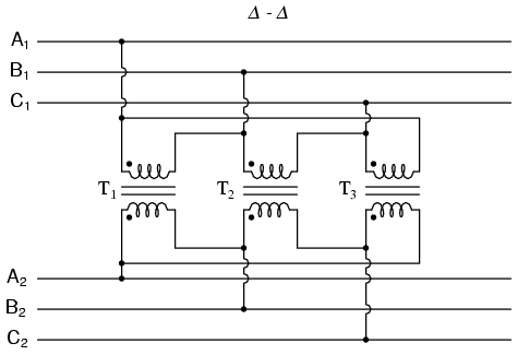
Configuraţia triunghi-triunghi (Δ-Δ):

02209.png

Atunci când nu avem nevoie de un conductor neutru în sistemul secundar, cele mai folosite configuraţii sunt cele triunghi-triunghi, datorită fiabilităţii lor crescute.

Considerând faptul că o configuraţie triunghi poate funcţiona suficient de bine folosind doar două înfăşurări, unele scheme de transformare trifazate utilizează doar două transformatoare, reprezentând o configuraţie triunghi-triunghi, dar fără una dintre înfăşurările primare şi secundare:

02210.png

Această configuraţie mai este cunoscută şi sub numele de „V” sau „triunghi deschisă”. Fiecare dintre cele două transformatoare va trebui să fie însă supradimensionat, pentru a putea face faţă aceleiaşi puteri precum o configuraţie standard cu trei transformatoare în configuraţie triunghi, dar de multe ori, avantajele de cost, mărime şi greutate, fac ca această configuraţie să merite realizată. Totuşi, în caz de avarie, sistemul nu poate funcţiona la fel ca un sistem triunghi-triunghi în aceeiaşi situaţie. Dacă unul din cele două transformatoare se defectează, tensiunile şi curenţii de sarcină vor avea cu siguranţă de suferit.